|
|
■包装資材
■包装機械
■物流機器
■測定機器 ■洗剤■ケミカル
■蛍光灯
■季節商品(夏)
■季節商品(冬)
■弱電工具
■ホイスト
■環境機器
■掃除機
■ムーブテック
■切削工具
■機械工具■調理厨房機器
■研究室用品
■安全防犯防災用品
■エクステリア
■新商品情報
■在庫処分情報
| 2CH熱電対データーロガー/品番 MI1R-37M | 【詳細表示】 | |||||||||||||||||||||||||||||
| 商品番号 | MI1R-37M | 価 格 | ||||||||||||||||||||||||||||
![]() |
2CH熱電対データーロガー | 2CH熱電対データーロガー 品番 MI1R-37M |
||||||||||||||||||||||||||||
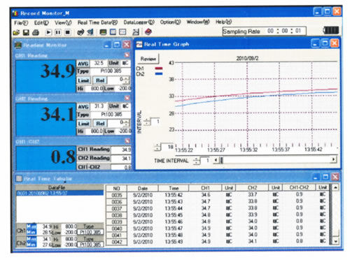
| ■概要 MI1R-37Mは、熱電対センサK、J、T、E、R、S、Nの7種類に対応している温度データロガーです。 1チャンネル80,000メモリー(合計160,000メモリー)と膨大なメモリー数を有し、測定間隔を1秒~59分59秒の間で自在設定し、温度を長時間又は長期間記録できます。 MI1R-37Mは、メモリー残量がある限り、本体のボタンを押して測定の開始と停止を何回でも繰り返し行うことができ、それぞれのセッションは個々のデータファイルとして保存されます。 MI1R-37Mでは本体とパソコンを接続してのリアルタイム測定にも対応します。 測定した温度データは付属のUSBケーブル簡単にパソコンにダウンロードすることができ、グラフと数値表で表示します。 測定したデータは、text形式(.txt)やExcel(.xls)で保存することも可能です。 K-タイプ素線センサ、解析ソフトCD、USB赤外線アダプターケーブル、電池、取り付けハンガー、操作マニュアルをセットにしてお届けします。 ■特徴 ●メモリー数:80,000(合計160,000) ●測定中の温度をデジタル表示 ●ボタンを押しての測定セッション開始と停止 ●リアルタイム測定にも対応 ●熱電対センサK、J、T、E、R、S、Nタイプに対応 ●分解能:0.1℃(999.9℃まで) ●指定温度アラーム表示機能 ●長い電池寿命/15分間隔そくていで約1年以上 ●電池残量表示/電池交換可能 ■Windows対応解析ソフト ![]() ■仕様
|
||||||||||||||||||||||||||||||

[トップページに戻る][注文書] [見積り依頼] TEL0729-64-8663 FAX 0729-61-4874
営業時間 AM9:00~PM7:00 営業日 月曜日~金曜日 定休日 土曜日 日曜日 祝日