ホームページへ

創業32年 東大阪市商工会議所会員 2005年度IT百選企業。国公立大学、研究所 自衛隊、警察庁 など主な国公立機関に納入実績多数 医療機器販売業免許取得済み

包装資材 包装機械 物流機器 測定機器 洗剤ケミカル 蛍光灯 季節商品(夏) 季節商品(冬)
弱電工具 ホイスト 環境機器 掃除機 ムーブテック 切削工具 機械工具 調理厨房機器
研究室用品 安全防犯防災用品 エクステリア 新商品情報 在庫処分情報

測定 MAIN PAGE
温湿度計 - 温度計 - 記録温湿度計 - 放射温度計 - 重量はかり - 吊はかり - 電気測定器 - 厚さ計 - トルクゲージ - ノギス、マイクロメータ
騒音計 - PH水質計 - 風速計 - ガス臭気測定器 - ニオイ臭気測定器 - デジタル距離計 - 金属探知器 - 水分計 - 照度計色計 - 枚数計数機器 - 回転計
プッシュプルゲージ - おんどとり - 作業マット - シックネスゲージ - 振動計 - 電磁力計 - 気象計器 - 光学機器 - ファイバースコープ
電磁波・電位計 - 糖度計酸度計塩分計 - 屈折計濃度計 - 角度計 - 粉塵計 - 硬度計 - 圧力計流量計 - 健康管理 - その他計測器

関連商品一覧

縦型電動計測スタンド(荷重-変位測定用) 品番 M24DEL-24110RZA 【詳細表示】
商品番号 M24DEL-24110RZA 価 格
縦型電動計測スタンド(荷重-変位測定用)M24DEL-24110RZA ●従来の簡易型に変位表示を付加した卓上型簡易試験機です。
●M24A-Zシリーズの通信機能を併用してFSデータを取得、PC上に波形描画、結果保存ができます。
●専用ソフトと専用ケーブルを標準付属しております。
●デジタルフォースゲージM24A-Zシリーズは別売です。
縦型電動計測スタンド(荷重-変位測定用)
品番 M24DEL-24110RZA
価格 ¥391,000-
■使用例
●三点曲げ試験
●座屈試験
●せん断試験

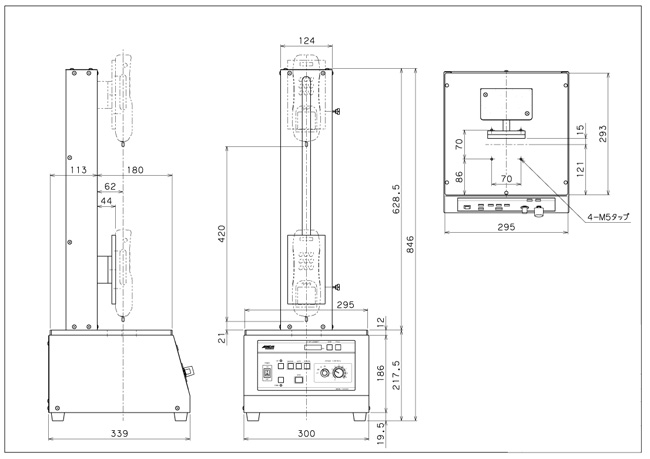
■寸法図
縦型電動計測スタンド(荷重-変位測定用)M24DEL-24110RZA


■本体仕様
名称 M24DEL-24110RZA
最大荷重 1000N(100㎏f)
荷重表示 デジタルフォースゲージによる
テストスピード 10~300 mm/min
スピード切替 LO 10mm/min
MD 100 mm/min
HI 200mm/min 任意の設定可
VR 10~300mm/min
ストローク 400 mm
変位表示 (分解能) 0.1 mm
(最大表示) ±400 mm
テーブルの広さ W295×D175mm
質量 約35Kg
サイズ W300×H340×D850mm
電源 AC100~120V/AC200V~240V
標準セット 試験機本体、専用PCソフト:M24A-Z3000SOFT
M24A-Zシリーズ接続用専用ケーブル、USBケーブル


■付属専用アプリケーション
品番 M24A-Z3000SOFT
データ取得形式 リアルタイム荷重/変位取得、グラフ描画
データ保存/一括保存 専用形式/CSV形式
データファイル処理 データ読込/一括読込 専用形式
グラフ重書き表示 登録件数 100
印刷 グラフ単票印刷 単票用紙横 1グラフ
グラフ連続印刷 単票用紙横 1グラフ
単票用紙横 2グラフ
単票用紙横 4グラフ
単票用紙横 8グラフ
ピックアップ登録データ
ピックアップ登録データ 登録件数 100/測定
測定一覧表示 代表値検出 荷重Max/Mini/Avr
全測定集計 荷重Max/Mini/Avr
グラフデータ一覧表示 時間・変位・荷重データ値
スタンド制御 測定時のスタンド起動/停止
USBシリアル変換 I.Oデータ機器 RSAQ6(推奨品/別売)
標準機械構成 試験機本体、専用アプリケーションソフトウェア:M24A-Z3000SOFT
接続専用ケーブル、USBケーブル

運賃、および消費税は、記載価格には、含まれていません。

[トップページに戻る ][注文書] [見積り依頼] TEL0729-64-8663 FAX 0729-61-4874

営業時間 AM9:00~PM7:00 営業日 月曜日~金曜日 定休日 土曜日 日曜日 祝日