ホームページへ

創業32年 東大阪市商工会議所会員 2005年度IT百選企業。国公立大学、研究所 自衛隊、警察庁 など主な国公立機関に納入実績多数 医療機器販売業免許取得済み

包装資材 包装機械 物流機器 測定機器 洗剤ケミカル 蛍光灯 季節商品(夏) 季節商品(冬)
弱電工具 ホイスト 環境機器 掃除機 ムーブテック 切削工具 機械工具 調理厨房機器
研究室用品 安全防犯防災用品 エクステリア 新商品情報 在庫処分情報

測定 MAIN PAGE
温湿度計 - 温度計 - 記録温湿度計 - 放射温度計 - 重量はかり - 吊はかり - 電気測定器 - 厚さ計 - トルクゲージ - ノギス、マイクロメータ
騒音計 - PH水質計 - 風速計 - ガス臭気測定器 - ニオイ臭気測定器 - デジタル距離計 - 金属探知器 - 水分計 - 照度計色計 - 枚数計数機器 - 回転計
プッシュプルゲージ - おんどとり - 作業マット - シックネスゲージ - 振動計 - 電磁力計 - 気象計器 - 光学機器 - ファイバースコープ
電磁波・電位計 - 糖度計酸度計塩分計 - 屈折計濃度計 - 角度計 - 粉塵計 - 硬度計 - 圧力計流量計 - 健康管理 - その他計測器

関連商品一覧

エアーノズル型除電ユニット/ 品番 M326N-3V 【詳細表示】
商品番号 M326N-3V 価 格
エアーノズル型除電ユニットM326N-3V コンパクト&安定した除電性能
取出機や包装機への設置に最適
エアーノズル型除電ユニット
品番 M326N-3V

 

エアーノズル型除電ユニットM326N-3V



■特徴
■小型軽量エアーノズル型除電器
・高圧電源を本体ケースにコンパクトに組み込むことにより小型化を実現。
・圧縮空気を使用し強力なエアーで除電除塵がおこなえます。
・クリーンエアーのほかのN2(窒素ガス)も使用できます。
・M326N-3V本体に取付用のネジ穴があり、ワークなどに簡単に取り付けができます。

■コロナ放電式・AC(交流)タイプ
エアーノズル型除電ユニットM326N-3V

■安心設計
エアーノズル型除電ユニットM326N-3V

■INPUT/OUTPUT(入力/出力)コネクタ端子

エアーノズル型除電ユニットM326N-3V

■ノズルバリエーション

エアーノズル型除電ユニットM326N-3V

■アプリケーション

エアーノズル型除電ユニットM326N-3V

■除電性能
1.減衰時間、イオンバランスは正面より150mmで測定
2.減衰時間、イオンバランスは放電開始から一分以上経ってからの値。
3.騒音は吹き出し側正面より1mで測定(ただし測定器受音部を直接吹き出し風には当てない)
4.温度は25±2℃、湿度50±5%の測定環境での数値です。環境状態によって数値は変化します。
エアーノズル型除電ユニットM326N-3V

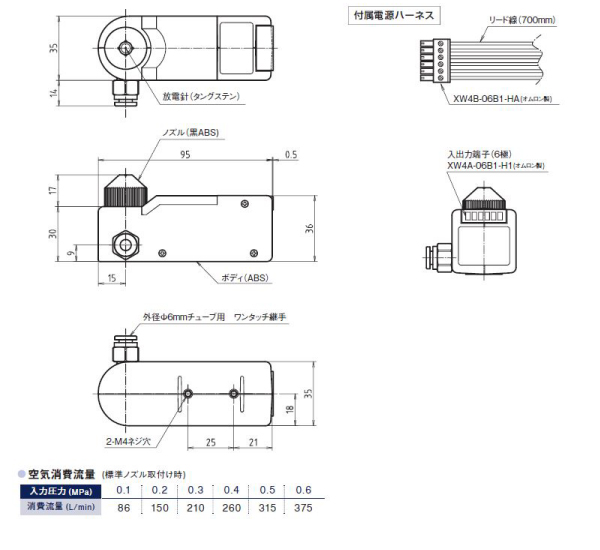
■外観寸法
エアーノズル型除電ユニットM326N-3VF


■仕様
入力電源 DC24V ±5% リップル(P-P) 10%以下
消費電流 90mA max.
放電電圧 AC5.6kVp-p
イオン発生方式 交流コロナ放電式(37kHz)
イオンバランス ±10V以下(出荷時)
除電時間 0.7秒以下 (±1000V→±100V)(出荷時)
安全機能 高圧異常時停止(短絡時)
電流ヒューズ 0.5A/600V
使用エア圧 0.1MPa~0.6MPa
エア消費量 143L/min(0.2MPa時)
エアー継手 Φ6mmワンタッチ継手
動作表示 運転時:緑色LED 異常停止時:赤色LED
コネクター 6極タイプ オムロン XW4A-06B1-H1
オゾン発生量 0.05ppm以下
使用温度・湿度 5~40℃  35~65%
保管温度・湿度 0~60℃  35~85%
CE EC指令(EMC指令)適合
設置場所 屋内
材質 ケース:樹脂(ABS) 放電針:タングステン
ノズル:ABS
寸法 長さ95×幅50×高さ47mm
重量 104g


■オプション一覧
品番 品名 外観 備考
M326N-2TNV 継手ノズル 小型除電ノズルユニット(スリムタイプ)M326N-1V 取り付けたとき、ノズルと本体の間に隙間ができます。
M326N-2C6BV シャワーチューブ 小型除電ノズルユニット(スリムタイプ)M326N-1V  
M326N-2FNV フレアノズル 小型除電ノズルユニット(スリムタイプ)M326N-1V 取り付けたとき、ノズルと本体の間に隙間ができます。
M326N-2WNV 消音ノズル 小型除電ノズルユニット(スリムタイプ)M326N-1V
M326BB-ZSNV 消音ストレートノズル 小型除電ノズルユニット(スリムタイプ)M326N-1V
M326N-1SNV 標準ノズル 小型除電ノズルユニット(スリムタイプ)M326N-1V  
M326GN-HV 針電極 小型除電ノズルユニット(スリムタイプ)M326N-1V  
M326G-7DRV 針電極
交換用ドライバー
小型除電ノズルユニット(スリムタイプ)M326N-1V  
M326G-7FV マイクロフィルタ 小型除電ノズルユニット(スリムタイプ)M326N-1V 0.01μmのパーティクルを99%以上カットします。
ご使用コンプレッサーに1~10μm程度のエアフィルタ、ミスとセパレータを装着したうえでご使用ください。
M326G-7SCV スピコン 小型除電ノズルユニット(スリムタイプ)M326N-1V  




運賃、および消費税は、記載価格には、含まれていません。

[トップページに戻る ][注文書] [見積り依頼] TEL0729-64-8663 FAX 0729-61-4874

営業時間 AM9:00~PM7:00 営業日 月曜日~金曜日 定休日 土曜日 日曜日 祝日