C面R面測定器

ノギス

業務機器&資材 シロ産業 HOME
新製品情報 在庫処分情報 会社概要
見積依頼 ご注文フォーム お問い合わせ
業務用機材商社一筋で、創業41年。東大阪市商工会議所会員、2005年度IT百選企業。
国公立大学、研究所、自衛隊、警察庁 など主な国公立機関に納入実績多数。医療機器販売業免許取得済

包装資材 包装機械 物流機器 測定機器 洗剤 ケミカル 蛍光灯 季節品-夏 季節品-冬 弱電工具 ホイスト 環境機器 掃除機 ムーブテック 切削工具 機械工具調理厨房機器 研究室用品 安全防犯防災品 エクステリア 新商品 在庫処分


カテゴリー第二分類(測定機器)
測定機器カテゴリー一覧を見る
温度計温湿度計湿度トランスミッター無線温度計無線温湿度計記録温湿度計紙記録温湿度計放射温度計放射温度センサー温湿度監視計器おんどとりデーターロガー防水・防滴温度データロガー耐熱データロガー低温用データロガー超低温用データロガー無線温湿度ロガー圧力データロガーガス濃度データロガー気象計器風速計ハンディ風速計設置型/据置型風速計露点計雨量計気圧計気流可視化装置重量秤防水秤台秤吊秤トラックスケール台車秤ハンドパレットスケール電子天秤検定付重量秤防爆重量秤個数秤農産物選別秤比重計厚さ計膜厚計デジタル距離計レーザーマーカー墨出機トルクゲージノギスマイクロメータシックネスゲージ騒音計照度計色計 光沢計/輝度計 色差計/色彩色差計白色度計紫外線測定器PH水質計水分計濁度計電気伝導率計/導電率計/EC計溶存酸素計(DO計)振動計衝撃計ガス測定器酸素濃度計二酸化炭素濃度計ホルムアルデヒド測定器オゾンガス濃度計ガス漏れ検知器環境測定器ニオイ臭気測定器金属探知器金属検出機食品用金属探知器検針機電気測定器電磁力計ガウスメーター/テスラメーター電磁波 電位計静電気測定器角度計水準器回転計スコヤ圧力計流量計プッシュプルゲージロードセルテンションメーター光学機器拡大鏡顕微鏡ファイバースコープカウンター表示器表示板/表示モニター/表示パネル糖度計塩分計酸度計アルコール濃度計健康管理熱中症計枚数計数機器粘度計粉塵計硬度計粗さ計液面計・水面計その他計測器中古測定機器

関連商品一覧

C面R面測定器/品番 M805R1525 【詳細表示】
商品番号 M805R1525 価 格
C面R面測定器M805R1525

C面R面の絶対測定!
ラジアスゲージによる目視から数値測定へ

C面R面測定器
品番 M805R1525

■特徴
●これ一つでラジアスゲージやC面測定ゲージが不要に。デジタル表示による、C面とR寸法の正確な数値測定が可能。
●ボタン操作でC面測定とR測定の切り替えができます。
●ボタン操作で通常測定に使用する『絶対値(ABS)測定』と、任意の寸法をゼロに設定しその寸法から±の比較測定ができる『比較測定』の切り替えができます。
●絶対値校正用マスターゲージ付き。いつでもお手元で校正できます。

■測定可能な厚み寸法
厚み0.35㎜以上の測定物であれば測定できます。
測定物が0.35㎜より小さいと、Y尺中央の逃げ部に測定物が入り込んでしまい、原点より内側に入ってしまうので測定できません。


■穴の内側を測定する場合はφ25以上
●穴の内側を測定する場合は、穴の大きさがφ25以上必要です。
●φ25以下の大きさだと本体が穴のふちに干渉し、Y尺に測定物を正しく当てることができないため、測定できません。
●またY尺本体の厚みが6mmあるため、穴の内径が小さくなるほど内径曲面にY尺が密着しなくなり測定誤差が大きくなります。


■測定例
C面測定
R測定

■仕様
型式 M805R1525
測定モード C面寸法&外R寸法
C面寸法測定範囲 外接角度90°の面取り角45°で C0.01~C15
R寸法測定範囲 90°の外接円の場合:R0.01~R25
円または90°以内の外接円の場合:R0.6~R25
最少表示 C=0.01㎜ R=0.01㎜
測定精度 C=±0.05㎜ R=±0.05㎜
材質 ステンレス(SUS420J2)
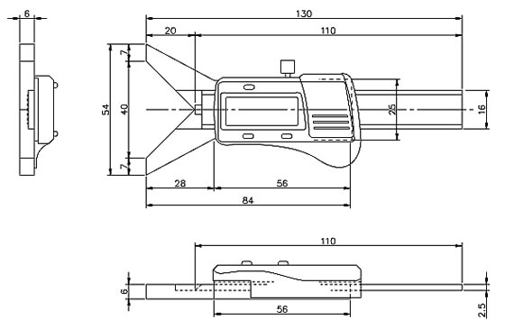
寸法 130L×54W(㎜)
寸法(厚み) Y尺本体6㎜ / 本尺2.5㎜
使用電池 3Vリチウム電池(CR2032)1個
電池寿命 1000時間
付属品 校正用マスターゲージ(Φ20±3μm×8L )
トレサビリティー 校正証明書の発行可能


■寸法図

運賃、および消費税は、記載価格には、含まれていません。

[トップページに戻る] [注文書] [見積り依頼] TEL 0729-64-8663 FAX 0729-61-4874

営業時間 AM9:00~PM7:00 営業日 月曜日~金曜日 定休日 土曜日 日曜日 祝日