ハンディプッシュプルゲージ

プッシュプルゲージ

業務機器&資材 シロ産業 HOME
新製品情報 在庫処分情報 会社概要
見積依頼 ご注文フォーム お問い合わせ
業務用機材商社一筋で、創業41年。東大阪市商工会議所会員、2005年度IT百選企業。
国公立大学、研究所、自衛隊、警察庁 など主な国公立機関に納入実績多数。医療機器販売業免許取得済

包装資材 包装機械 物流機器 測定機器 洗剤 ケミカル 蛍光灯 季節品-夏 季節品-冬 弱電工具 ホイスト 環境機器 掃除機 ムーブテック 切削工具 機械工具調理厨房機器 研究室用品 安全防犯防災品 エクステリア 新商品 在庫処分


カテゴリー第二分類(測定機器)
測定機器カテゴリー一覧を見る
温度計温湿度計湿度トランスミッター無線温度計無線温湿度計記録温湿度計紙記録温湿度計放射温度計放射温度センサー温湿度監視計器おんどとりデーターロガー防水・防滴データロガー耐熱データロガー低温用データロガー超低温用データロガー無線温湿度ロガー圧力データロガーガス濃度データロガー気象計器風速計ハンディ風速計設置型/据置型風速計露点計雨量計気圧計気流可視化装置重量秤防水秤台秤吊秤トラックスケール台車秤ハンドパレットスケール電子天秤検定付重量秤防爆重量秤個数秤農産物選別秤比重計厚さ計膜厚計デジタル距離計レーザーマーカー墨出機トルクゲージノギスマイクロメータシックネスゲージ定盤スコヤ騒音計照度計色計 光沢計/輝度計 色差計/色彩色差計白色度計紫外線測定器PH水質計水分計濁度計導電率計(EC計)溶存酸素計(DO計)振動計衝撃計ガス測定器酸素濃度計二酸化炭素濃度計ホルムアルデヒド測定器オゾンガス濃度計ガス漏れ検知器環境測定器ニオイ臭気測定器金属探知器金属検出機食品用金属探知器検針機電気測定器電磁力計ガウスメーター/テスラメーター電磁波 電位計静電気測定器角度計水準器回転計圧力計流量計プッシュプルゲージロードセルテンションメーター光学機器拡大鏡顕微鏡ファイバースコープカウンター表示器表示板/表示モニター/表示パネル糖度計屈折計濃度計塩分計酸度計アルコール濃度計健康管理熱中症計枚数計数機器粘度計粉塵計硬度計粗さ計液面計・水面計その他計測器中古測定機器

関連商品一覧


プッシュプルゲージ/品番 M873F-10N 【詳細表示】
商品番号 M873F-10N 価 格
  ハンディプッシュプルゲージ
品番 M873F-10N
価格は下記をご覧下さい
小型で取扱いが手軽なデジタル式のハンディフォースゲージです。
単なる引張力や圧縮力の計測だけでなく、自動縦型サーボスタンド「M873SV-H1000N」などと組み合わせることで、専門的な試験(スイッチ接点試験・コネクター挿抜・破壊試験等)に展開可能です。
オプション装備を使用して、測定データや統計をプリントアウトしたり、PCへデータ転送することができます。
容量別に10N~1kNまでの7機種をラインアップしています。




■特長
●高精度・高分解能
精度:±0.2%FS、繰り返し精度:±0.1%FSの高精度です。
また100N(10kgf)で0.01N(1gf)の1/10000分解能力を実現しています。

●コンパレータ機能
上限・下限を設定することで、合否判定を音で行います。

●メモリー機能
256回(512個)の計測データをメモリーし、出力することができます。(オートメモ機能付)

●多くの設定機能
標準ピーク・挿抜測定・挿抜圧縮ピーク・挿抜引張りピーク・接点ホールド・プリンター設定・地域N値の設定等多種のモード設定が可能です。

●ピークホールド機能
1回の測定で圧縮・引張(挿入・引抜)ピーク値を同時に測定可能。

●簡単操作
多機能ながら操作系はシンプル。ボタン配列も工夫しました。

●オートパワーオフ機能
一定時間入力が無い場合は自動で電源オフします。1~99分まで設定可能。

●地域ニュートン値の設定機能
地域によって若干異なる重力加速度の設定が可能。
地域に応じたニュートン換算値を設定することで重力加速度の違いによる誤差が解消できます。

●RS232C設定機能
データビット長、ボーレート、ストップビット長、パリティービット等を個別設定可能。あらゆるコンピュータへの接続が可能です。

●豊富な出力機能
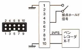
セントロニクス出力、RS232C出力、アナログ出力、デジマチック出力、コンパレート出力等。また、外部接点信号の入力も可能です。

●付属品
アタッチメント7点、ACアダプター、専用収納ケース




■外形寸法 UNIT/mm


■インターフェースコネクタ


■共通仕様
許容負荷
(警告荷重)
105%F.S
許容負荷
(リミット荷重)
150%F.S
荷重の精度 ±0.2%F.S以下
繰り返し精度 ±0.1%F.S以下
単位選択 N
(海外仕様はkgf、gf、lbfの選択可)
応答速度 10~320Hz、6段階可変
サンプリング 640回/秒
A/D変換 16bit逐次変換方式
測定方法 最大値・瞬間値
連続使用時間 約14時間(満充電時使用温度25℃)
充電時間 約4時間
寸法 W66xD37xH245mm
重量 約500g
標準付属品 計測アタッチメント7点、ACアダプター、専用収納ケース


■仕様
品番 負荷容量 荷重分解能 計測アタッチメント
M873F-10N 10N(1kgf) 0.001N(0.1gf) アルミ製
M873F-20N 20N(2kgf) 0.01N(1gf)
M873F-50N 50N(5kgf) 0.01N(1gf) スチール製
M873F-100N 100N(10kgf) 0.01N(1gf)
M873F-200N 200N(20kgf) 0.1N(10gf)
M873F-500N 500N(50kgf) 0.1N(10gf)
M873F-1000N 1000N(100kgf) 0.1N(10gf)





■オプション
●専用PCソフトウェア
メモリーに蓄えられたデータの取り込みや、設定したサンプリング時間でTRACK値のリアルタイム読み込みなど、より詳細な測定や管理が行えます。
測定データはボタンひとつで表計算ソフトに貼り付けることが可能。分析・解析も思い通りです。


●JCSS校正
区分 校正手法の
区分の呼称
種類 校正範囲 校正測定能力
(信頼の水準約 95 %)
力計 力計
(JIS B 7721に準じる校正方法)
圧縮力
2N以上1kN以下
0.11%
引張力
2N以上1kN以下
0.11%


品番 品名
M873FHP-AP2 専用PCソフトウェア
M873FHP-UC232 RS-232C、USB変換ケーブルセット
M873FHP-EXC RS-232C、PCソフトセット
M873FHP-USB RS-232C、USB変換ケーブル、PCソフトセット
M873F-CALCK 校正点検(ハンディプッシュプルゲージ)
M873F-JCSS JCSS校正(ハンディプッシュプルゲージ)


運賃、および消費税は、記載価格には、含まれていません。

[トップページに戻る] [注文書] [見積り依頼] TEL 0729-64-8663 FAX 0729-61-4874

営業時間 AM9:00~PM7:00 営業日 月曜日~金曜日 定休日 土曜日 日曜日 祝日