デジタルトルクテスター

トルクゲージ

業務機器&資材 シロ産業 HOME
新製品情報 在庫処分情報 会社概要
見積依頼 ご注文フォーム お問い合わせ
業務用機材商社一筋で、創業41年。東大阪市商工会議所会員、2005年度IT百選企業。
国公立大学、研究所、自衛隊、警察庁 など主な国公立機関に納入実績多数。医療機器販売業免許取得済

包装資材 包装機械 物流機器 測定機器 洗剤 ケミカル 蛍光灯 季節品-夏 季節品-冬 弱電工具 ホイスト 環境機器 掃除機 ムーブテック 切削工具 機械工具調理厨房機器 研究室用品 安全防犯防災品 エクステリア 新商品 在庫処分


カテゴリー第二分類(測定機器)
測定機器カテゴリー一覧を見る
温度計温湿度計湿度トランスミッター無線温度計無線温湿度計記録温湿度計紙記録温湿度計放射温度計放射温度センサー温湿度監視計器おんどとりデーターロガー防水・防滴温度データロガー耐熱データロガー低温用データロガー超低温用データロガー無線温湿度ロガー圧力データロガーガス濃度データロガー気象計器風速計ハンディ風速計設置型/据置型風速計露点計雨量計気圧計気流可視化装置重量秤防水秤台秤吊秤トラックスケール台車秤ハンドパレットスケール電子天秤検定付重量秤防爆重量秤個数秤農産物選別秤比重計厚さ計膜厚計デジタル距離計レーザーマーカー墨出機トルクゲージノギスマイクロメータシックネスゲージ騒音計照度計色計 光沢計/輝度計 色差計/色彩色差計白色度計紫外線測定器PH水質計水分計濁度計電気伝導率計/導電率計/EC計溶存酸素計(DO計)振動計衝撃計ガス測定器酸素濃度計二酸化炭素濃度計ホルムアルデヒド測定器オゾンガス濃度計ガス漏れ検知器環境測定器ニオイ臭気測定器金属探知器金属検出機食品用金属探知器検針機電気測定器電磁力計ガウスメーター/テスラメーター電磁波 電位計静電気測定器角度計水準器回転計スコヤ圧力計流量計プッシュプルゲージロードセルテンションメーター光学機器拡大鏡顕微鏡ファイバースコープカウンター表示器表示板/表示モニター/表示パネル糖度計塩分計酸度計アルコール濃度計健康管理熱中症計枚数計数機器粘度計粉塵計硬度計粗さ計液面計・水面計その他計測器中古測定機器

関連商品一覧


デジタルトルクテスター/品番 M873TN-5Nm 【詳細表示】
商品番号 M873TN-5Nm 価 格
デジタルトルクテスター
品番 M873TN-5Nm
価格は下記をご覧下さい
電動ドライバーのトルク設定やトルク管理を必要とする工具のトルク測定を手軽に行うことのできるトルク計測器です。
※インパクトドライバー等のような打撃を与える測定には、ご使用にならないでください。


■特長
●高精度・高分解能   精度:±0.5%F.Sの高精度です。
また、M873TN-5Nmで0.001N・m(0.01kgf・cm)、1/5000の分解能力を実現しています。

●コンパレータ機能
上限・下限の設定で、合否判定を音とLEDで行います。

●メモリー機能
最高511個の計測データをメモリーすることができます。
オートメモ機能を使うと、測定のたびにボタンを押す必要もありません。
また、メモリー機能で蓄えた測定データを、プリンターに標準偏差はもちろん工程能力指数まで自動計算し、検査表形式で印刷することが可能です。(オプションのが必要です。)

●多くの設定機能
データ自動処理、地域重力加速度などの設定のみならず、ピークの感知レベルやフィルターレスポンスなど、詳細な設定まで行うことができます。

●豊富な出力機能
USB出力、セントロニクス出力、RS232C出力、デジマチック出力、コンパレート出力等。また、外部接点信号の入力も可能です。
※USBケーブルは付属しません。またPCと接続して使用するためにソフトウェア(オプション)が必要です。


●RS232C設定機能
データビット長、ボーレート、ストップビット長、パリティービット等を個別設定可能。あらゆるコンピュータへの接続が可能です。
※RS232C接続にはオプションのケーブルが必要です。

●高い耐久性と許容負荷
独自のオーバーロードストッパー機構により秤量値の150%の許容負荷を実現。頑強な筐体とともに現場のハードな使用にも耐える測定器です。

●オートパワーオフ機能
一定時間入力が無い場合は自動で電源オフします。1~98分まで設定可能。
ACアダプタへの電源供給ONで本体電源をONする設定も可能で電源管理も簡単です。

●手軽に設置
固定ネジによるクランプは上下どちらでも取り付けOK。安定感を狙った大きさと重量で小さいトルクなら置いたままでも測定可能です。
※3.0N・m以上は固定して使用してください。


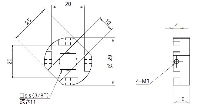
■付属治具
付属治具は測定したい工具に適したネジやボルトを取り付けるためのアタッチメントとしてお使いください。
また、本体を横向きで使用する時はトルク検出部4箇所のM3ネジで付属治具を固定すると使いやすくなります。

品名 M3治具 M6治具 M10治具
適応機種 M873TN-5Nm M873TN-5Nm
M873TN-20Nm
M873TN-20Nm
使用トルク上限 1N・mまで 5N・mまで 20N・mまで
測定対象ネジ M3-P0.5 M6-P1 M10-P1.5
※M873TN-5NmにはM3治具とM6治具、M873TN-20NmにはM6治具とM10治具がそれぞれ1個ずつ付属します。

■仕様
品番 M873TN-5Nm M873TN-20Nm
最大トルク容量 5N・m 20N・m
最小分解能 0.001N・m 0.01N・m
精度 ±0.5%F.S.以下
許容負荷 150%F.S.
(オーバーロードストッパー装備)
A/D変換 16bit
サンプリング周波数 640Hz
連続使用時間 約16時間
(満充電時使用温度25℃)
電源電圧 NiMH・ACアダプター充電兼用
電源100~240V
使用条件 温度:10℃~40℃
湿度:85%RH以下(結露しないこと)
入出力 USB端子(TypEB)※1
RS232Cインターフェース(ケーブル必要)
プリンター・デジマチック・セントロ出力(I/F必要)
寸法(mm) D130×H60×W230(本体のみ)
D180×H73×W230(固定用ノブおよび凸部含む)
重量 約3300g
標準付属品 収納用アルミケース・ACアダプタ・付属治具
取扱説明書・検査証明書等
※1:PC及びオプションソフトが必要です。



■寸法図
●トルク検出部


●付属治具



■オプション
●データ管理ソフト(オプション)
メモリーに蓄えられたデータの取り込みや、設定したサンプリング時間でTRACK値のリアルタイム読み込みなど、より詳細な測定や管理が行えます。 測定データはボタンひとつでExcelに貼り付けることが可能。分析・解析も思い通りです


品番 品名
M873SOFT-AP2N デジタルトルクテスター用データ管理ソフト

運賃、および消費税は、記載価格には、含まれていません。

[トップページに戻る] [注文書] [見積り依頼] TEL 0729-64-8663 FAX 0729-61-4874

営業時間 AM9:00~PM7:00 営業日 月曜日~金曜日 定休日 土曜日 日曜日 祝日