DC(直流)出力風杯型風速計

設置型/据置型風速計

業務機器&資材 シロ産業 HOME
新製品情報 在庫処分情報 会社概要
見積依頼 ご注文フォーム お問い合わせ
業務用機材商社一筋で、創業41年。東大阪市商工会議所会員、2005年度IT百選企業。
国公立大学、研究所、自衛隊、警察庁 など主な国公立機関に納入実績多数。医療機器販売業免許取得済

包装資材 包装機械 物流機器 測定機器 洗剤 ケミカル 蛍光灯 季節品-夏 季節品-冬 弱電工具 ホイスト 環境機器 掃除機 ムーブテック 切削工具 機械工具調理厨房機器 研究室用品 安全防犯防災品 エクステリア 新商品 在庫処分


カテゴリー第二分類(測定機器)
測定機器カテゴリー一覧を見る
温度計温湿度計湿度トランスミッター無線温度計無線温湿度計記録温湿度計紙記録温湿度計放射温度計放射温度センサー温湿度監視計器おんどとりデーターロガー防水・防滴温度データロガー耐熱データロガー低温用データロガー超低温用データロガー無線温湿度ロガー圧力データロガーガス濃度データロガー気象計器風速計ハンディ風速計設置型/据置型風速計露点計雨量計気圧計気流可視化装置重量秤防水秤台秤吊秤トラックスケール台車秤ハンドパレットスケール電子天秤検定付重量秤防爆重量秤個数秤農産物選別秤比重計厚さ計膜厚計デジタル距離計レーザーマーカー墨出機トルクゲージノギスマイクロメータシックネスゲージ騒音計照度計色計 光沢計/輝度計 色差計/色彩色差計白色度計紫外線測定器PH水質計水分計濁度計電気伝導率計/導電率計/EC計溶存酸素計(DO計)振動計衝撃計ガス測定器酸素濃度計二酸化炭素濃度計ホルムアルデヒド測定器オゾンガス濃度計ガス漏れ検知器環境測定器ニオイ臭気測定器金属探知器金属検出機食品用金属探知器検針機電気測定器電磁力計ガウスメーター/テスラメーター電磁波 電位計静電気測定器角度計水準器回転計スコヤ圧力計流量計プッシュプルゲージロードセルテンションメーター光学機器拡大鏡顕微鏡ファイバースコープカウンター表示器表示板/表示モニター/表示パネル糖度計塩分計酸度計屈折計濃度計アルコール濃度計健康管理熱中症計枚数計数機器粘度計粉塵計硬度計粗さ計液面計・水面計その他計測器中古測定機器

関連商品一覧

DC(直流)出力風杯型風速計/品番 M93-ST7シリーズ 【詳細表示】
商品番号 M93-ST7シリーズ 価 格
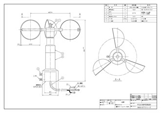
M93-ST7風速計発信器は、風杯による風速感部と直流発電器による発信部、信号を伝送するケーブルにより構成されます。
発信部は、感部の風杯が回転して検出する風速信号を、発信部の直流発電器によりDC信号に変換出力します。
DC(直流)出力風杯型風速計
品番 M93-ST7シリーズ
価格は下記をご覧ください。
■特徴
●発信部取り付けは差し込み式なので、2インチガス管を立ててその上部に差し込むだけで良く、取り付け・取り外しが簡単。(オプションで従来のフランジ取り付け型も可能です。)
●風杯の樹脂化により風杯回転軸が軽く回るようになり、起動風速が低減し、また風速変動に対する追従性も向上しました。

■仕様
品番 M93-ST7 M93-ST7-K
タイプ 風杯型風速計(直流発電式)
社内検査品 気象庁検定品
測定範囲 2m/s~70m/s
出力信号 0m/s~70m/s、0~7V.DC(負荷インピーダンス100kΩ)
耐風速 80m/s
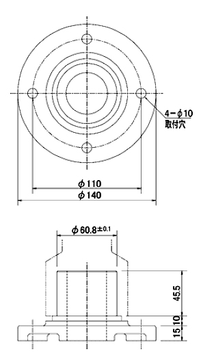
取付方式 標準時 2吋支柱射込み式
適用径:φ60.5(SGP 50A 相当品)
オプション選定時 11/2吋支柱射込み式
適用径:φ48.6(SGP 40A 相当品)、その他指定サイズ径
フランジ取付選定時 オプション取付フランジ付属
φ140d×70.5H×φ110PCD
環境条件 -30~+70℃(内部結露しないこと)
寸法 324h×φ83×φ312(風杯回転径)
重量 約1.5kg(付属ケーブル除く)
材質 風杯 ポリカーボネイト樹脂
本体 AC7A(アルミ合金鋳物)
外装処理 メラミン焼付塗装仕上(風杯除く)
外装色:マンセル値 5Y 8/1.5近似
ケーブル 0.75mm×2C シールドケーブル L:20m(標準)
最大延長距離:100m



■寸法図
●本体(画像をクリックすると拡大します)


●オプションフランジ

運賃、および消費税は、記載価格には、含まれていません。

[トップページに戻る] [注文書] [見積り依頼] TEL 0729-64-8663 FAX 0729-61-4874

営業時間 AM9:00~PM7:00 営業日 月曜日~金曜日 定休日 土曜日 日曜日 祝日