ダイヤル式トルクドライバー

トルクゲージ

業務機器&資材 シロ産業 HOME
新製品情報 在庫処分情報 会社概要
見積依頼 ご注文フォーム お問い合わせ
業務用機材商社一筋で、創業41年。東大阪市商工会議所会員、2005年度IT百選企業。
国公立大学、研究所、自衛隊、警察庁 など主な国公立機関に納入実績多数。医療機器販売業免許取得済

包装資材 包装機械 物流機器 測定機器 洗剤 ケミカル 蛍光灯 季節品-夏 季節品-冬 弱電工具 ホイスト 環境機器 掃除機 ムーブテック 切削工具 機械工具調理厨房機器 研究室用品 安全防犯防災品 エクステリア 新商品 在庫処分


カテゴリー第二分類(測定機器)
測定機器カテゴリー一覧を見る
温度計温湿度計湿度トランスミッター無線温度計無線温湿度計記録温湿度計紙記録温湿度計放射温度計放射温度センサー温湿度監視計器おんどとりデーターロガー防水・防滴温度データロガー耐熱データロガー低温用データロガー超低温用データロガー無線温湿度ロガー圧力データロガーガス濃度データロガー気象計器風速計ハンディ風速計設置型/据置型風速計露点計雨量計気圧計気流可視化装置重量秤防水秤台秤吊秤トラックスケール台車秤ハンドパレットスケール電子天秤検定付重量秤防爆重量秤個数秤農産物選別秤比重計厚さ計膜厚計デジタル距離計レーザーマーカー墨出機トルクゲージノギスマイクロメータシックネスゲージ騒音計照度計色計 光沢計/輝度計 色差計/色彩色差計白色度計紫外線測定器PH水質計水分計濁度計電気伝導率計/導電率計/EC計溶存酸素計(DO計)振動計衝撃計ガス測定器酸素濃度計二酸化炭素濃度計ホルムアルデヒド測定器オゾンガス濃度計ガス漏れ検知器環境測定器ニオイ臭気測定器金属探知器金属検出機食品用金属探知器検針機電気測定器電磁力計ガウスメーター/テスラメーター電磁波 電位計静電気測定器角度計水準器回転計スコヤ圧力計流量計プッシュプルゲージロードセルテンションメーター光学機器拡大鏡顕微鏡ファイバースコープカウンター表示器表示板/表示モニター/表示パネル糖度計塩分計酸度計アルコール濃度計健康管理熱中症計枚数計数機器粘度計粉塵計硬度計粗さ計液面計・水面計その他計測器中古測定機器

関連商品一覧


ダイヤル式トルクドライバー/品番SFTDシリーズ 【詳細表示】
商品番号 SFTDシリーズ 価 格
ダイヤル式トルクドライバー
品番 SFTDシリーズ
価格は下記をご覧下さい
●直読式トルクドライバの基本形。
●締まっているねじの検査用に最適なトルクドライバ。
●左右に目盛があるので増締め、戻しトルクによる検査ができます。
●置針が標準装備されているため最大値の読取りが簡単に行なえます。
●SFTD8N2-S、SFTD16N2-Sは補助締具付。
●EU圏内でも安心して使用可能。ISO6789 Type I Class D の校正手順に準拠。



<用途>
●検査、締め付け用。

■置針の例:30cN・m付近の黒い針が置針です。(写真のビットはオプションとなります)


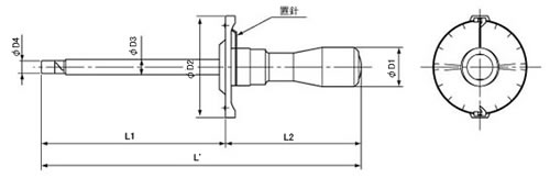
■寸法図


品番 寸法 [mm]
全長 握り部径 本体
L' D1 D2 D3 D4 L1 L2
SFTD2CN-S 152 20 90 6 9 85 67
SFTD5CN-S
SFTD10CN-S
SFTD20CN-S
SFTD50CN2-S 272 38 13 11 157 115
SFTD100CN2-S
SFTD200CN2-S
SFTD400CN2-S
SFTD8N2-S 338 50 112 18 188 150
SFTD16N2-S


■仕様
品番 トルク調整範囲
[cN・m]
質量約
[kg]
目盛板色 付属品
ビット
最小~最大 1目盛 + -
刃先厚×幅
SFTD2CN-S 0.3~2 0.05 0.14 赤(朱)    
SFTD5CN-S 0.5~5 0.1    
SFTD10CN-S 1~10 0.2    
SFTD20CN-S 3~20 0.5    
SFTD50CN2-S 5~50 1 0.37 赤(朱)    
SFTD100CN2-S 10~100 2    
SFTD200CN2-S 30~200 5    
SFTD400CN2-S 50~400 10    
SFTD8N2-S 1~8N・m 0.2N・m 0.9 赤(朱) #3 1.2×8
SFTD16N2-S 3~16N・m 0.5N・m 0.93    



運賃、および消費税は、記載価格には、含まれていません。

[トップページに戻る] [注文書] [見積り依頼] TEL 0729-64-8663 FAX 0729-61-4874

営業時間 AM9:00~PM7:00 営業日 月曜日~金曜日 定休日 土曜日 日曜日 祝日