|
|
■包装資材
■包装機械
■物流機器
■測定機器 ■洗剤■ケミカル
■蛍光灯
■季節商品(夏)
■季節商品(冬)
■弱電工具
■ホイスト
■環境機器
■掃除機
■ムーブテック
■切削工具
■機械工具■調理厨房機器
■研究室用品
■安全防犯防災用品
■エクステリア
■新商品情報
■在庫処分情報
| 感雨・降雨強度計(ヒーター付)/品番 WPD2013-2 | 【詳細表示】 | |||||||||||||||||||||||
| 商品番号 | WPD2013-2 | 価 格 | ||||||||||||||||||||||
![]() |
WPD2013-2は静電容量原理に基づく感雨/降雨強度計です。 受感素子の静電容量値が、アルミナ製の架台において、その雨滴によって湿らされた表面に応じて変化します。内蔵のヒーターがこの架台の水分を蒸発させて乾燥を保ち、霧や露による誤信号(誤動作)を防ぎます低温においては、このヒーターは雪を溶かし、降雪量の検知を可能にする働きも兼ねています。本製品の外側の円形ドームはセンサの誤動作を防ぐ風よけの働きをします。 |
感雨・降雨強度計(ヒーター付) 品番 WPD2013-2 廃番 後継機種はこちら→MC8D-20132D |
||||||||||||||||||||||
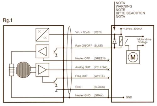
| ■特長 本製品は3種類の出力を備えています。ひとつは降雨/降雪の有(ON)無(OFF)を検出する「Rain ON/OFF」出力でこの出力は(外部)リレー等を制御するためにも使用されます。ふたつ目の出力は0〜1Vのアナログ出力(校正出力)、三つ目は1.5〜6KHzの周波数出力(非校正)で、これにより現在の降雨の強さについての正確な表示が得られます。ON/OFF出力は、「雨あがり」状態を2分遅れで知らせるディレー回路を備えており、これにより「雨あがり」状態か「小雨」の状態から識別されます。 電力消費を抑える必要がある時はヒーターを切ることが可能です。ヒーターの切断は0VにヒーターOFFを入力することによって可能です。 注文時の指定により、鳥よけのスパイク(Ф3o、高さH60o、6本)を装備することができます。
■用途 感雨/降雨強度計は単独の計器として、あるいはデータロガーシステムに接続して使用できます。 Fig.1において、WPD2013-2のON/OFF出力はエンジンを動作させるリレーに接続されています。降雨の際、ON/OFF出力がリレーを励磁させ、常時開の接点を閉じます(この場合、雨量計は、例えば、自動的に窓を閉めるような、制御システムの一部として使用されています。) ●警告 本体をリレーに接続する場合は、Fig.1に示すように、常に保護ダイオードを使用して下さい。 また気象ステーションの構成機器としても使用できます。様々な機器からのアナログ信号を処理するデータロガー(あるいは制御器)にアナログ電圧出力を供給します。 ![]() ■ブラケットの固定穴の寸法と位置 ![]() ![]() ■取付およびメンテナンス 雨量計は、遮蔽物に覆われて降雨の検出を妨げることのないよう、建物や木立から離して設置して下さい。また、付属のアクセサリーを使用して確実に設置して下さい。ブラケットは直径30〜50oのポールに取付可能です。ブラケットの固定穴は十字に配置されており、ポールは水平でも垂直でも取付が可能です。Fig.3にブラケットの固定穴の寸法と位置を示します。 5mの接続ケーブルが標準付属品として供給されます。接続ケーブルはIP68のコネクターを備えており、このコネクターを雨量計の底部に挿入して接続します。 良好な耐ノイズ性を確保するため、ケーブルのシールドを接地し、ヒーターと電子回路のアース線を分離することをお勧めします。 雨量計のセンサは蒸留水に浸した綿布などで定期的にそうじをして下さい。 雨量計のセンサはアルミナ製架台に設置されており、壊れやすいものですから、取扱には注意して下さい。 ■オプション
|
||||||||||||||||||||||||

[トップページに戻る][注文書] [見積り依頼] TEL0729-64-8663 FAX 0729-61-4874
営業時間 AM9:00〜PM7:00 営業日 月曜日〜金曜日 定休日 土曜日 日曜日 祝日