|
|
■包装資材 ■包装機械 ■物流機器 ■測定機器 ■洗剤 ■ケミカル ■蛍光灯 ■季節品-夏 ■季節品-冬 ■弱電工具 ■ホイスト ■環境機器 ■掃除機 ■ムーブテック ■切削工具 ■機械工具■調理厨房機器 ■研究室用品 ■安全防犯防災品 ■エクステリア ■新商品 ■在庫処分
| 超音波風向風速計/ 品番 M1145S-22NS | 【詳細表示】 | |||||||||||||||||||||||||||||||||||||||||||||||||||||||||||||||||||||||||||||||||||||||||||||||||||||||||||||||||||||||||||||||||||||||||||||||||||||||||||||||||||||||||||||||||||||||||||||||||||||||||||||||||||||||||||||||||||||||||||||||||||||||||||||||||||||||||||||||||||||||||||||||||||||||||||||||||||||||||||||||||||
| 商品番号 | M1145S-22NS | 価 格 | ||||||||||||||||||||||||||||||||||||||||||||||||||||||||||||||||||||||||||||||||||||||||||||||||||||||||||||||||||||||||||||||||||||||||||||||||||||||||||||||||||||||||||||||||||||||||||||||||||||||||||||||||||||||||||||||||||||||||||||||||||||||||||||||||||||||||||||||||||||||||||||||||||||||||||||||||||||||||||||||||||
![]() |
超音波風向風速計 品番 M1145S-22NS 価格は下記をご覧ください |
|||||||||||||||||||||||||||||||||||||||||||||||||||||||||||||||||||||||||||||||||||||||||||||||||||||||||||||||||||||||||||||||||||||||||||||||||||||||||||||||||||||||||||||||||||||||||||||||||||||||||||||||||||||||||||||||||||||||||||||||||||||||||||||||||||||||||||||||||||||||||||||||||||||||||||||||||||||||||||||||||||
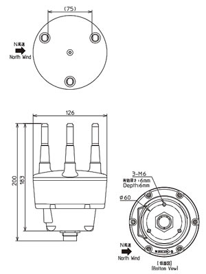
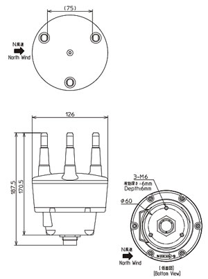
微風(0m/s)から強風域(90m/s)までハイレスポンスでリニアリティの高い測定が可能です。![]() ■用途 ●環境・防災分野の自動気象観測に ●低層気象及び局地気象観測に ●大気拡散観測に、風況観測に ●交通機関の安全管理に 風向及び風速の測定は、3つの超音波センサーから3つの軸風速を測定し、最適な2軸を選んで風向及び風速を演算することで、より信頼性の高い測定データを得ることができます。 そのため一般気象観測はもちろん局地的な強風災害観測、ビル風の観測など幅広い観測が可能です。 M1145S-22NSおよびM1145S-22HSは、風速90m/s まで測定可能です。 超音波風向風速計のこれまでの特徴を生かしつつ、小型かつ軽量化を実現しました。 M1145S-22HSは低消費電力(デジタル出力時約0.8W)モデルです。 M1145S-22HSはヒーターを内蔵しており、雪による欠測を大幅に低減する事ができます。 ※この他に、風速計への電源供給および、風速計から出力される信号を、電流、電圧信号などに変換を行うオプションにて用意しています。 ※M1145S-32NSにヒータ仕様はございません。寒冷地ではM1145S-22HSをお勧めいたします。 ■M1145S-22NSの特長 高精度で確かな風情報を提供します。 ハイグレード:90m/sまで測定可能(気象測定検定取得可) ●風速90m/sの気象測定器が取得できる超音波風向計です。 ●ヒーター内蔵型も選択可能で降雪地域にも最適です。 ![]() ■M1145S-32NSの特長 超音波でレスポンスの良い風向風速測定 スタンダード:75m/sまで測定可能(気象測定検定取得可) ●75m/sの風速レンジを有し気象測器検定も取得可能です。 ●アナログ出力2チャンネルを標準装備。 ●低消費電力を実現(デジタル出力時約 0.8W 以下) ![]() ■外形図
■風況ソフトウェア M1145WT-21S 二次元風向風速計SA-10専用の観測ソフトウェアです。 実況監視、一覧表示、グラフ表示はもちろんのこと、風況観測にとても有効な風配図表示が可能です。 データ保存機能や印字機能も搭載しており、使い勝手のよいソフトウェアに仕上がっております。 ![]() ■基本仕様 ●ハードウエア必要要件
●ソフトウエア概略仕様
■仕様
※2:ご発注時にご指定ください。 ※3:電源信号変換器(オプション)使用でアナログ4chを出力可能。 出力レンジは[風速]1,2,5,10,15,20,30,40,50,60,70,80,90m/s [風向]0~360°もしくは0~540°での設定ができる。 ※4:通常観測時の消費電力を記載。(電源突入時は除く) ※5:ヒーターの消費電力は除く。ヒーター電源はDC48Vを別途使用。 ※6:アナログ出力使用時の消費電力は最大1.6W(電源突入時は除く) ※7:風向風速計単体の重量表記。取付金具は含まず。 ■オプション
|
||||||||||||||||||||||||||||||||||||||||||||||||||||||||||||||||||||||||||||||||||||||||||||||||||||||||||||||||||||||||||||||||||||||||||||||||||||||||||||||||||||||||||||||||||||||||||||||||||||||||||||||||||||||||||||||||||||||||||||||||||||||||||||||||||||||||||||||||||||||||||||||||||||||||||||||||||||||||||||||||||||
運賃、および消費税は、記載価格には、含まれていません。

[トップページに戻る] [注文書] [見積り依頼] TEL 0729-64-8663 FAX 0729-61-4874
営業時間 AM9:00~PM7:00 営業日 月曜日~金曜日 定休日 土曜日 日曜日 祝日