高照度チップ型LED同軸スポット照明(青)

光学機器

業務機器&資材 シロ産業 HOME
新製品情報 在庫処分情報 会社概要
見積依頼 ご注文フォーム お問い合わせ
業務用機材商社一筋で、創業41年。東大阪市商工会議所会員、2005年度IT百選企業。
国公立大学、研究所、自衛隊、警察庁 など主な国公立機関に納入実績多数。医療機器販売業免許取得済

包装資材 包装機械 物流機器 測定機器 洗剤 ケミカル 蛍光灯 季節品-夏 季節品-冬 弱電工具 ホイスト 環境機器 掃除機 ムーブテック 切削工具 機械工具調理厨房機器 研究室用品 安全防犯防災品 エクステリア 新商品 在庫処分


カテゴリー第二分類(測定機器)
測定機器カテゴリー一覧を見る
温度計温湿度計湿度トランスミッター無線温度計無線温湿度計記録温湿度計紙記録温湿度計放射温度計放射温度センサー温湿度監視計器おんどとりデーターロガー防水・防滴温度データロガー耐熱データロガー低温用データロガー超低温用データロガー無線温湿度ロガー圧力データロガーガス濃度データロガー気象計器風速計ハンディ風速計設置型/据置型風速計露点計雨量計気圧計気流可視化装置重量秤防水秤台秤吊秤トラックスケール台車秤ハンドパレットスケール電子天秤検定付重量秤防爆重量秤個数秤農産物選別秤比重計厚さ計膜厚計デジタル距離計レーザーマーカー墨出機トルクゲージノギスマイクロメータシックネスゲージ騒音計照度計色計 光沢計/輝度計 色差計/色彩色差計白色度計紫外線測定器PH水質計水分計濁度計電気伝導率計/導電率計/EC計溶存酸素計(DO計)振動計衝撃計ガス測定器酸素濃度計二酸化炭素濃度計ホルムアルデヒド測定器オゾンガス濃度計ガス漏れ検知器環境測定器ニオイ臭気測定器金属探知器金属検出機食品用金属探知器検針機電気測定器電磁力計ガウスメーター/テスラメーター電磁波 電位計静電気測定器角度計水準器回転計スコヤ圧力計流量計プッシュプルゲージロードセルテンションメーター光学機器拡大鏡顕微鏡ファイバースコープカウンター表示器表示板/表示モニター/表示パネル糖度計屈折計濃度計塩分計酸度計アルコール濃度計健康管理熱中症計枚数計数機器粘度計粉塵計硬度計粗さ計液面計・水面計その他計測器中古測定機器

関連商品一覧

高照度チップ型LED同軸スポット照明(青)/ 品番 M228MGW-CC8M-BL 【詳細表示】
商品番号 M228MGW-CC8M-BL 価 格
高照度チップ型LED同軸スポット照明(青)/M228MGW-CC8M-BL 高照度チップ型LED同軸スポット照明(青)
品番 M228MGW-CC8M-BL
価格は下記をご覧ください。
高性能な製造装置や検査装置、そして製造工場などの過酷な条件下でも、マシンビジョン用に最大の性能を発揮するように設計・製造されております。
定電流制御方式は発熱を抑えるため、ハロゲン光源やほかの方式を採用するLED照明装置に比べて、安定かつ高輝度な照明です。
メーカー独自のセンシング方式(特許取得済み)は、電源側で自動的に各照明の最適な電流値を読み取ることで、1台の電源で各種照明を点灯することが可能となりました。定電流制御方式の欠点であった、電源非汎用性を克服しています。
高照度チップ型LED同軸スポット照明(青)/M228MGW-CC8M-BL

■特長
●定電流センシング制御方式のLED照明。
照明側に独自のセンシング回路を設け、コントローラ側でその信号を読み取る、独自のLED照明システムです。
●M228MGW-CC8Mシリーズはコンパクトで低価格。使用電源はM228EK-A120W1LRM-AL100Vシリーズを使用。リング照明やバックライトと共に複数チャンネル電源で使用可。
●M228MGW-LC8Mシリーズは反射率の高い鏡面状のワークに最適です。

■機種別照度比較


■分光特性



■配光特性
●M228MGW-CC8M-RE


●M228MGW-LC8M-WH


■仕様
品番 発光色 最大定格電流 重量 寸法図
M228MGW-CC8M-BL 0.15A 50g
M228MGW-CC8M-GR 0.15A
M228MGW-CC8M-RE 0.12A
M228MGW-CC8M-WH 0.15A
M228MGW-LC8M-BL 0.03A 35g
M228MGW-LC8M-GR-2 0.02A
M228MGW-LC8M-RE 0.04A
M228MGW-LC8M-WH 0.03A




■オプション
●定電流LED照明専用 アナログコントローラー
定電流センシング制御方式のLED照明の専用LEDコントローラです。

1cn 2ch

■共通仕様
ACタイプ 100V、200V
出力 最大1チャンネル 1.2A
入力電圧 AC100-240V 50/60Hz
入力電流 0.35/0.20A(AC100/240V時)
突入電流 最大15/36A(AC100/240V時)
動作温度 0~+45℃
動作湿度 最大80%(~31℃)50%(31~40℃)直線的に減少
出力制御 定電流制御
出力特性 連続DC出力
ON/OFF制御 Yes
出力エラー信号 No
冷却方法 空冷
設置方法 ゴム足による水平設置。
国際保護等級 IP30 (EN60529)
CEマーキング 低電圧指令: 2014/35/EU EMC 指令: 2014/30/EU
RoHS指令: 2011/65/EU、2015/863

品番 AC
タイプ
出力 リモコン 質量
(約)
寸法(mm)
(W×H×D)
M228EK-A120W1LRM-AL100V 100V 最大1チャンネル
1.2A
0-5V
アナログ制御
1kg 75×90×150
(突起物除く)
M228EK-A120W1LRM-AL200V 200V
M228EK-A120W1LRM-DT100V 100V 8bit
デジタル制御
M228EK-A120W1LRM-DT200V 200V
M228EK-A120W2LRM-AL100V 100V 2チャンネル出力、
最大各チャンネル1.2A
合計最大 1.2A
0-5V
アナログ制御
1.3kg 75×110×190
(突起物除く)
M228EK-A120W2LRM-AL200V 200V
M228EK-A120W2LRM-DT100V 100V 8bit
デジタル制御
M228EK-A120W2LRM-DT200V 200V
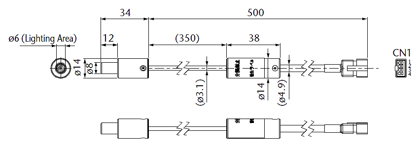
●延長ケーブル

型式 品種 長さ
M228MGW-CC8M-EXTC401L 4ピンタイプ延長ケーブル 1m
M228MGW-CC8M-EXTC402L 4ピンタイプ延長ケーブル 2m
M228MGW-CC8M-EXTC403L 4ピンタイプ延長ケーブル 3m

運賃、および消費税は、記載価格には、含まれていません。

[トップページに戻る] [注文書] [見積り依頼] TEL 0729-64-8663 FAX 0729-61-4874

営業時間 AM9:00~PM7:00 営業日 月曜日~金曜日 定休日 土曜日 日曜日 祝日