アナログ振動計

振動計

業務機器&資材 シロ産業 HOME
新製品情報 在庫処分情報 会社概要
見積依頼 ご注文フォーム お問い合わせ
業務用機材商社一筋で、創業41年。東大阪市商工会議所会員、2005年度IT百選企業。
国公立大学、研究所、自衛隊、警察庁 など主な国公立機関に納入実績多数。医療機器販売業免許取得済

包装資材 包装機械 物流機器 測定機器 洗剤 ケミカル 蛍光灯 季節品-夏 季節品-冬 弱電工具 ホイスト 環境機器 掃除機 ムーブテック 切削工具 機械工具調理厨房機器 研究室用品 安全防犯防災品 エクステリア 新商品 在庫処分


カテゴリー第二分類(測定機器)
測定機器カテゴリー一覧を見る
温度計温湿度計湿度トランスミッター無線温度計無線温湿度計記録温湿度計紙記録温湿度計放射温度計放射温度センサー温湿度監視計器おんどとりデーターロガー防水・防滴温度データロガー耐熱データロガー低温用データロガー超低温用データロガー無線温湿度ロガー圧力データロガーガス濃度データロガー気象計器風速計ハンディ風速計設置型/据置型風速計露点計雨量計気圧計気流可視化装置重量秤防水秤台秤吊秤トラックスケール台車秤ハンドパレットスケール電子天秤検定付重量秤防爆重量秤個数秤農産物選別秤比重計厚さ計膜厚計デジタル距離計レーザーマーカー墨出機トルクゲージノギスマイクロメータシックネスゲージ騒音計照度計色計 光沢計/輝度計 色差計/色彩色差計白色度計紫外線測定器PH水質計水分計濁度計電気伝導率計/導電率計/EC計溶存酸素計(DO計)振動計衝撃計ガス測定器酸素濃度計二酸化炭素濃度計ホルムアルデヒド測定器オゾンガス濃度計ガス漏れ検知器環境測定器ニオイ臭気測定器金属探知器金属検出機食品用金属探知器検針機電気測定器電磁力計ガウスメーター/テスラメーター電磁波 電位計静電気測定器角度計水準器回転計スコヤ圧力計流量計プッシュプルゲージロードセルテンションメーター光学機器拡大鏡顕微鏡ファイバースコープカウンター表示器表示板/表示モニター/表示パネル糖度計屈折計濃度計塩分計酸度計アルコール濃度計健康管理熱中症計枚数計数機器粘度計粉塵計硬度計粗さ計液面計・水面計その他計測器中古測定機器

関連商品一覧


アナログ振動計/ 品番 MC53-1022AS 【詳細表示】
商品番号 MC53-1022AS 価 格
アナログ振動計/MC53-1022AS アナログ振動計
品番 MC53-1022AS
動電型検出器でのアナログメータ式の振動計で分析フィルタ内蔵です。


■特徴
●小型軽量のアナログメータ式携帯型振動計です。回転機械や往復機械等の振動測定が正確にできます。
●加速度・速度・変位の測定ができます。特に微少振動の測定に最適です。
●周波数分析フィルターが内蔵されており、簡単な操作で振動周波数の分析ができます。
●速度測定はJIS B0907(ISO2954)「振動シビアリティー測定機器に関する規格」に準拠しています。アナログメータ式のため、変動の激しい振動も読み取りやすくなっています。
●記録用の出力がありますので、レコーダーへの収録やオシロスコープ・FFTアナライザなどと接続ができます。
●検出器は動電型(電磁式)ですので安定した測定ができます。


■各部名称


■周波数特性


■仕様
検出器 感度:振動計本体と組み合わせて調整
(コンタクトピン取り外し可能)
測定フルスケールレンジ
(10dB ステップ)
加速度レンジ 0.3、1、3、10、30 m/s2 (Peak)
速度レンジ 1、3、10、30、100 mm/s (RMS)
変位レンジ 10、30、100、300、1000μm(P-P)
周波数特性
(振動シビアリティに準拠)
+10%、-20%以内(10Hz)
±10%以内(20~500Hz)
+10%、-20%以内(1000Hz)
確度 3%以内 (80Hz)
レンジ切り換え誤差 3%以内
指示計 0~1、0~3 の2重目盛り、及び BATT マーク
精度:フル・スケールの 2.5%以内
振動波形(AC)出力 ±1V/FS、出力抵抗:1kΩ
振動レベル(DC)出力
(オプション)
+1V/FS
使用温度範囲 0~+50℃
保存温度範囲 -20~+70℃
電源 乾電池 6F22(9V)×1個
アルカリ電池の場合連続使用:16時間以上
寸法・質量 本体 W85×H190×D55mm/750g
検出器 φ30mm×H72/140g
コンタクトピン L55mm/20g
構成 振動計本体:1台
動電型検出器:1個
検出器ケーブル1m:1本
乾電池(本体に内蔵):1個
出力コード(プラグ付)1m:1本
取扱説明書:1部
携帯用ケース:1個



■オプション
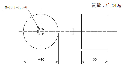
●マグネットホルダー
簡単に検出器の固定ができます。

品番 品名 サイズ 質量
MC53ACC-MGH2S アナログ振動計固定用マグネットホルダー φ40×H30mm 260g


運賃、および消費税は、記載価格には、含まれていません。

[トップページに戻る] [注文書] [見積り依頼] TEL 0729-64-8663 FAX 0729-61-4874

営業時間 AM9:00~PM7:00 営業日 月曜日~金曜日 定休日 土曜日 日曜日 祝日