壁面取付用温湿度変換器(0~1V)
温湿度計
業務用機材商社一筋で、創業41年。東大阪市商工会議所会員、2005年度IT百選企業。
国公立大学、研究所、自衛隊、警察庁 など主な国公立機関に納入実績多数。医療機器販売業免許取得済
■包装資材
■包装機械
■物流機器
■測定機器
■洗剤 ■ケミカル
■蛍光灯
■季節品-夏
■季節品-冬
■弱電工具
■ホイスト
■環境機器
■掃除機
■ムーブテック
■切削工具
■機械工具■調理厨房機器
■研究室用品
■安全防犯防災品
■エクステリア
■新商品
■在庫処分
測定機器カテゴリー一覧を見る
| 壁面取付用温湿度変換器(0~1V)/ 品番 MD34THR-7732T-A010200 |
【詳細表示】 |
| 商品番号 |
MD34THR-7732T-A010200 |
価 格 |
 |
壁面取付用温湿度変換器(0~1V)
品番 MD34THR-7732T-A010200
価格は下記をご覧ください。 |
MD34THR-7732Tシリーズは小型の温湿度変換器で、壁面取付け(センサ内蔵・突出しセンサ)またはダクト挿入による設置が可能です。
ダクトタイプは2線式で電流(4~20mA)、4線式で電圧(0~10V)出力に対応しています。
センサ内蔵タイプは4線式電圧出力、突出しセンサタイプは2線式4~20mA出力に対応しています。
■タイプ
壁面取付けタイプ
MD34THR-7732T-A01 |
壁面取付けタイプ
MD34THR-7732T-A03 |
 |
 |
ダクトタイプ(表示器なし)
MD34THR-7732T-A02 |
ダクトタイプ(表示器付き)
MD34THR-7732T-A02 |
 |
 |
■特長
●測定したパラメータを標準化された電気信号に変換します。そのため、建物の自動管理に使用できます。
●2つのアナログ出力(温度/湿度)
●特許を取得した湿度センサ
●分解せずに調整可能
●ソフトウェア(オプション)を使用してパラメータ設定、調整、および分析を行うことにより、作動時間と作動コストを削減
●最適な校正コンセプトを、シグナルチェーン全体の調整(1点、2点、およびアナログ調整)で実現
●2行表示の液晶ディスプレイ(表示付きタイプのみ)
■オプション
●ダクトホルダー
 

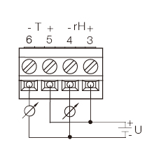
■接続図
| MD34THR-7732T-A01 |
MD34THR-7732T-A03 |
4線式電圧出力
信号:0-1V / 0-5V / 0-10V
電源U:20-30VAC/DC
(AC電源の場合、コモンを共通にして3線接続可能) |
2線式電流出力
信号:4-20mA
電源U:20-30VDC
最大負荷: 500Ω |
 |
 |
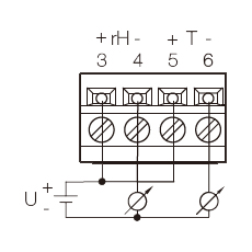
| MD34THR-7732T-A02(4線式電圧出力) |
MD34THR-7732T-A02(2線式電流出力) |
信号:0-1V / 0-5V / 0-10V
電源U:20-30VAC/DC
(AC電源の場合、コモンを共通にして3線接続可能) |
信号:4-20mA
電源U:20-30VDC
最大負荷: 500Ω |
 |
 |
■共通仕様
| 品番 |
MD34THR-7732T-A01 |
MD34THR-7732T-A02 |
MD34THR-7732T-A03 |
| タイプ |
壁面取付けタイプ |
ダクトタイプ |
壁面取付けタイプ |
| 計測項目 |
温度(℃)、相対湿度(%rh) |
| 計測範囲 |
温度 |
0~+60℃ |
-20~+70℃ |
0~+60℃ |
| 湿度 |
0~100%rh
※90%rh以上の環境では使用しないでください。 |
| 精度 |
温度 |
±0.5℃ |
| 湿度 |
±2.0%rh(0~90%rh)
±4.0%rh(90~100%rh) |
温度係数
(25℃時) |
0.05%rh/K |
| センサ |
温度 |
NTCサーミスタ |
| 湿度 |
静電容量式湿度センサ |
| センサ交換 |
温度 |
- |
| 湿度 |
サービスセンターにて承ります |
お客様にて交換可能 |
サービスセンターにて承ります |
| チャネル数 |
2チャネル(温度、湿度) |
電流/電圧
出力精度 |
0~1V:±2.5mV(4線式)
0~5V:±12.5mV(4線式)
0~10:V±25mV(4線式) |
0~1V:±2.5mV(4線式)
0~5V:±12.5mV(4線式)
0~10V:±25mV)4線式)
4~20mA:±0.05mA(2線式) |
4~20mA:
±0.05mA(2線式) |
| 計測間隔 |
1回/秒 |
| デジタル |
Mini-DIN(オプションソフトウェア用) |
| 電源供給 |
20~30VDC/AC |
24VDC±10%
20~30VDC/AC |
24VDC±10% |
| 材質 |
本体 |
プラスチック(ABS樹脂)グレー |
| キャップ |
- |
ステンレス製焼結キャップ |
| 外形寸法 |
81×81×26mm |
81×81×42mm
(プローブ含まず) |
81×81×26mm
(プローブ含まず) |
| 質量 |
80g |
160g |
90g |
| ディスプレイ |
2ラインLCD(オプション) |
| 分解能 |
0.1%rh
0.1℃ |
| パラメータ設定 |
ソフトウェア(オプション:外部インターフェイス経由) |
| ケーブル導入口 |
ハウジング背面および
左下部に開口部あり |
M16×1.5(1口)
コンプレッションフィッティング |
ハウジング背面および
左下部に開口部あり |
| 動作条件 |
0~+50℃、0.1MPa |
| 保管温度 |
-40~+70℃ |
| 計測媒体 |
空調システム内空気、室内空気、大気圧最大+0.1MPaまで |
| 保護等級 |
IP30 |
IP65 |
IP30 |
| EMC規格 |
2004/108/EC |
| 応答速度 |
t9015秒(風速2m/s時) |
| スケーリング範囲 |
-50~100%rh
-50~+100℃ |
| 寸法図 |
 |
 |
 |
■品番構成
| 品番 |
タイプ |
内容 |
備考 |
| MD34THR-7732T-A□△〇 |
□ |
01 |
壁取り付けタイプ |
出力は電圧のみ |
| 02 |
ダクトタイプ |
- |
| 03 |
壁取付プローブ突出しタイプ |
出力は電流のみ |
| △ |
01 |
4~20mA(2線式、24VDC) |
湿度・温度出力
温度:NTCサーミスタ
湿度:静電容量式 |
| 02 |
0~1V(4線式、24VAC/DC) |
| 03 |
0~5V(4線式、24VAC/DC) |
| 04 |
0~10V(4線式、24VAC/DC) |
| 〇 |
00 |
表示器なし |
- |
| 01 |
表示器あり |
- |
| 品番 |
プローブタイプ |
アナログ出力 |
取付タイプ |
表示器 |
| MD34THR-7732T-A010200 |
内蔵 |
0~1V |
壁面取付用 |
なし |
| MD34THR-7732T-A010300 |
0~5V |
| MD34THR-7732T-A010400 |
0~10V |
| MD34THR-7732T-A010201 |
0~1V |
あり |
| MD34THR-7732T-A010301 |
0~5V |
| MD34THR-7732T-A010401 |
0~10V |
| MD34THR-7732T-A020100 |
突出し型プローブ |
4~20mA |
ダクト用 |
なし |
| MD34THR-7732T-A020200 |
0~1V |
| MD34THR-7732T-A020300 |
0~5V |
| MD34THR-7732T-A020400 |
0~10V |
| MD34THR-7732T-A020101 |
4~20mA |
あり |
| MD34THR-7732T-A020201 |
0~1V |
| MD34THR-7732T-A020301 |
0~5V |
| MD34THR-7732T-A020401 |
0~10V |
| MD34THR-7732T-A030100 |
突出し型プローブ |
4~20mA |
壁面取付用 |
なし |
| MD34THR-7732T-A030101 |
あり |
|
運賃、および消費税は、記載価格には、含まれていません。
[トップページに戻る]
[注文書]
[見積り依頼] TEL 0729-64-8663 FAX 0729-61-4874
営業時間 AM9:00~PM7:00 営業日 月曜日~金曜日 定休日 土曜日 日曜日 祝日