電池式デジタル瞬時積算流量計

流量計

業務機器&資材 シロ産業 HOME
新製品情報 在庫処分情報 会社概要
見積依頼 ご注文フォーム お問い合わせ
業務用機材商社一筋で、創業41年。東大阪市商工会議所会員、2005年度IT百選企業。
国公立大学、研究所、自衛隊、警察庁 など主な国公立機関に納入実績多数。医療機器販売業免許取得済

包装資材 包装機械 物流機器 測定機器 洗剤 ケミカル 蛍光灯 季節品-夏 季節品-冬 弱電工具 ホイスト 環境機器 掃除機 ムーブテック 切削工具 機械工具調理厨房機器 研究室用品 安全防犯防災品 エクステリア 新商品 在庫処分


カテゴリー第二分類(測定機器)
測定機器カテゴリー一覧を見る
温度計温湿度計湿度トランスミッター無線温度計無線温湿度計記録温湿度計紙記録温湿度計放射温度計放射温度センサー温湿度監視計器おんどとりデーターロガー防水・防滴データロガー耐熱データロガー低温用データロガー超低温用データロガー無線温湿度ロガー圧力データロガーガス濃度データロガー気象計器風速計ハンディ風速計設置型/据置型風速計露点計雨量計気圧計気流可視化装置重量秤防水秤台秤吊秤トラックスケール台車秤ハンドパレットスケール電子天秤検定付重量秤防爆重量秤個数秤農産物選別秤比重計厚さ計膜厚計デジタル距離計レーザーマーカー墨出機トルクゲージノギスマイクロメータシックネスゲージ定盤騒音計照度計色計 光沢計/輝度計 色差計/色彩色差計白色度計紫外線測定器PH水質計水分計濁度計導電率計(EC計)溶存酸素計(DO計)振動計衝撃計ガス測定器酸素濃度計二酸化炭素濃度計ホルムアルデヒド測定器オゾンガス濃度計ガス漏れ検知器環境測定器ニオイ臭気測定器金属探知器金属検出機食品用金属探知器検針機電気測定器電磁力計ガウスメーター/テスラメーター電磁波 電位計静電気測定器角度計水準器回転計スコヤ圧力計流量計プッシュプルゲージロードセルテンションメーター光学機器拡大鏡顕微鏡ファイバースコープカウンター表示器表示板/表示モニター/表示パネル糖度計屈折計濃度計塩分計酸度計アルコール濃度計健康管理熱中症計枚数計数機器粘度計粉塵計硬度計粗さ計液面計・水面計その他計測器中古測定機器

関連商品一覧


電池式デジタル瞬時積算流量計/品番 M1073F821M-0G 【詳細表示】
商品番号 M1073F821M-0G 価 格
電池式デジタル瞬時積算流量計
品番 M1073F821M-0G
価格下記をご覧ください
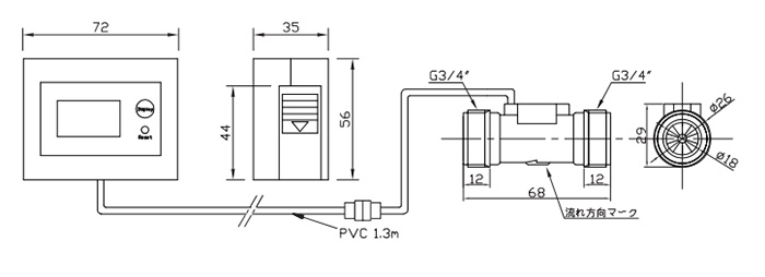
バッテリー式のデジタル流量計で、ボタンで積算流量/ 瞬時流量を簡単に切り替えられます。



■特長
●積算 / 瞬時流量を手軽にチェック
積算 / 瞬時流量がボタンで切替えられ、手軽に流量を確認・記録することが出来ます。

●使いやすいバッテリー駆動で、8A ~ 25A (1/4" ~ 1") まで の配管サイズに対応します。

●羽根車にある磁石の回転数が、非接触で本体内にあるリードスイッチ素子で検出され、内部を通過する水の流量に比例したパルス信号が変換して表示されます。


■タイプ
M1073F821M-0G/1G/2G M1073F821M-3G
M1073F821M-4G M1073F821M-6G
M1073F821M-8G M1073F821M-9G


■寸法図
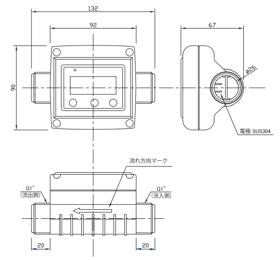
●M1073F821M-0G、1G、2G


●M1073F821M-3G


●M1073F821M-4G


●M1073F821M-4PG


●M1073F821M-6G


●M1073F821M-6PG


●M1073F821M-8G


●M1073F821M-9G


■共通仕様
センサタイプ センサ分離型 パネル取付型 センサ内蔵型 センサ内蔵
導電率&流量測定タイプ
積算流量範囲 0~99,999 L 0.1~9999.9×1000L
導電率
(μS/cm)
- 1 ~ 1999
使用流体 水道水、浄水、冷却水などの水専用
(異物やスラリーなどの混入なきこと。流体粘度 Max.2mPas)
使用温度※ 0~60℃ 0~40℃
使用圧力 Max.0.6MPa
(耐静水圧:Max 1.75MPa)
圧力損失 Max 20kPa
使用周囲環境 0~45℃、RH30~80%
測定精度 ±10%RD ±5%RD
電源 単3×2本 単4×2本 単4×3本
バッテリー寿命 約1500時間 約750時間 約1500時間
機械的寿命 40万リットル以上
表示部固定方法 ベロクロ(製品に付属)
または
M2.6×4mm第1種
タッピングネジ
ナベ M3×20mm、
ワッシャー、ナット2組
(製品に付属)
-
質量 約180g(電池含む ) 約300g(電池含む )
※凍結なきこと。水温変化 20℃以内のこと。

■材質
品番 表示部 センサ部
本体  ケーブル 羽根車 羽根車ホルダー Oリング 本体
M1073F821M-0G ABS PVC被覆
1300mm
POM - SUS304 EPDM PA66
M1073F821M-1G
M1073F821M-2G
M1073F821M-3G POM
M1073F821M-4G PA6
(プラマグ)
POM セラミック PA66
M1073F821M-4PG
M1073F821M-6G SUS304 -
M1073F821M-6PG
M1073F821M-8G
M1073F821M-9G


品番 センサタイプ 配管サイズ 瞬時流量
(L/ 分)
電源 バッテリー寿命
M1073F821M-0G 分離型 G1/4” 0.05~1.0 単3×2本 約1500時間
M1073F821M-1G 分離型 G1/4” 0.2~5.0 単3×2本 約1500時間
M1073F821M-2G 分離型 G1/4” 0.8~8.0 単3×2本 約1500時間
M1073F821M-3G 内蔵型 Rc3/8” 1.5~14.1 単4×2本 約750時間
M1073F821M-4G 分離型 G1/2” 1.5~25.0 単3×2本 約1500時間
M1073F821M-4PG 分離型・パネル取付タイプ G1/2” 1.5~25.0 DC3V 約1500時間
M1073F821M-6G 分離型 G3/4” 2.4~60 単3×2本 約1500時間
M1073F821M-6PG 分離型・パネル取付タイプ G3/4” 2.4~60 DC3V 約1500時間
M1073F821M-8G 分離型 G1” 3~100 単3×2本 約1500時間
M1073F821M-9G 内蔵型
導電率&流量測定タイプ
G1” 3~100 単4×3本 約1500時間

運賃、および消費税は、記載価格には、含まれていません。

[トップページに戻る] [注文書] [見積り依頼] TEL 0729-64-8663 FAX 0729-61-4874

営業時間 AM9:00~PM7:00 営業日 月曜日~金曜日 定休日 土曜日 日曜日 祝日