|
|
■包装資材 ■包装機械 ■物流機器 ■測定機器 ■洗剤 ■ケミカル ■蛍光灯 ■季節品-夏 ■季節品-冬 ■弱電工具 ■ホイスト ■環境機器 ■掃除機 ■ムーブテック ■切削工具 ■機械工具■調理厨房機器 ■研究室用品 ■安全防犯防災品 ■エクステリア ■新商品 ■在庫処分
| 二軸角度センサー(±90°)/ 品番 M193SPS-90AG | 【詳細表示】 | |||||||||||||||||||||||||||||||||||||||
| 商品番号 | M193SPS-90AG | 価 格 | ||||||||||||||||||||||||||||||||||||||
![]() |
二軸角度センサー(±90°) 品番 M193SPS-90AG |
|||||||||||||||||||||||||||||||||||||||
| 最新2軸小型傾斜計は、MEMSタイプの高精度傾斜計です。 サイズも小型で使いやすく、設置が容易です。 角度 範囲が、±90°まで範囲で計測できます。 建機や構造物のモニターなどに最適です。 水平での静的使用の場合、非常 に安定しております。 ![]() ■仕様
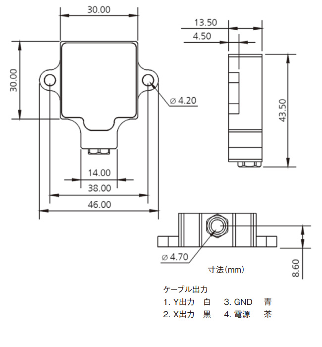
■外形寸法 ![]() |
||||||||||||||||||||||||||||||||||||||||
運賃、および消費税は、記載価格には、含まれていません。

[トップページに戻る] [注文書] [見積り依頼] TEL 0729-64-8663 FAX 0729-61-4874
営業時間 AM9:00~PM7:00 営業日 月曜日~金曜日 定休日 土曜日 日曜日 祝日