低床スロープ付デジタル台車台秤

台車秤

業務機器&資材 シロ産業 HOME
新製品情報 在庫処分情報 会社概要
見積依頼 ご注文フォーム お問い合わせ
業務用機材商社一筋で、創業41年。東大阪市商工会議所会員、2005年度IT百選企業。
国公立大学、研究所、自衛隊、警察庁 など主な国公立機関に納入実績多数。医療機器販売業免許取得済

包装資材 包装機械 物流機器 測定機器 洗剤 ケミカル 蛍光灯 季節品-夏 季節品-冬 弱電工具 ホイスト 環境機器 掃除機 ムーブテック 切削工具 機械工具調理厨房機器 研究室用品 安全防犯防災品 エクステリア 新商品 在庫処分


カテゴリー第二分類(測定機器)
測定機器カテゴリー一覧を見る
温度計温湿度計湿度トランスミッター無線温度計無線温湿度計記録温湿度計紙記録温湿度計放射温度計放射温度センサー温湿度監視計器おんどとりデーターロガー防水・防滴データロガー耐熱データロガー低温用データロガー超低温用データロガー無線温湿度ロガー圧力データロガーガス濃度データロガー気象計器風速計ハンディ風速計設置型/据置型風速計露点計雨量計気圧計気流可視化装置重量秤防水秤台秤吊秤トラックスケール台車秤ハンドパレットスケール電子天秤検定付重量秤防爆重量秤個数秤農産物選別秤比重計厚さ計膜厚計デジタル距離計レーザーマーカー墨出機トルクゲージノギスマイクロメータシックネスゲージ定盤スコヤ騒音計照度計 光沢計/輝度計 色差計/色彩色差計白色度計紫外線測定器pH水質計濁度計導電率計(EC計)溶存酸素計(DO計)水分計振動計衝撃計ガス測定器酸素濃度計二酸化炭素濃度計ホルムアルデヒド測定器オゾンガス濃度計ガス漏れ検知器環境測定器ニオイ臭気測定器金属探知器金属検出機食品用金属探知器検針機電気測定器電磁力計ガウスメーター/テスラメーター電磁波 電位計静電気測定器角度計水準器回転計圧力計流量計プッシュプルゲージロードセルテンションメーター光学機器拡大鏡顕微鏡ファイバースコープカウンター表示器表示板/表示モニター/表示パネル糖度計屈折計濃度計塩分計酸度計アルコール濃度計健康管理熱中症計枚数計数機器粘度計粉塵計硬度計粗さ計液面計・水面計農業関連測定器その他測定機器中古測定機器

関連商品一覧


低床スロープ付デジタル台車台秤/ 品番 M2SL200KCF-JAA 【詳細表示】
商品番号 M2SL200KCF-JAA 価 格
低床スロープ付デジタル台車台秤
品番 M2SL200KCF-JAA
価格は下記をご覧ください
M2SL200KCF-JAA:標準タイプ
M2SL200KCPF-JAA:プリンタ内蔵タイプ(感熱式)
・スロープ 1枚付属
・低床型の台はかり(積み下しを考慮した高さ40mmの荷重載せ部)
全体 919(W)×808(D)mm / 荷重載せ部 690(W)×800(D)mm
・防塵・防水等級 IP55(計量台)
・豊富なインタフェースオプション
Bluetooth(R) / USB / RS-232C / ブザー・リレー

※ストッパー:黄色の部品は別売です

■特長
カートなどの計量に便利な低床型、スロープ1枚付属
●計量台は防塵・防水等級IP55
●台車やワゴンでの計量に最適な低床型のデジタル台はかり
●計量台は移動に便利な取っ手とキャスター付き
●計量台を斜めにすると床面にキャスターが、垂直にするとゴム足ストッパーが接地する構造
安全確保の為に、付属のスロープの反対側に別売の増設用スロープまたはストッパーのいずれかを設置することを推奨します。


3色5段コンパレータライト
●見やすい3色のライトで作業効率アップ
 パック詰め作業(少ない・ちょうどよい・多い / 3段または5段)
 ランク分け作業(Sサイズ、Mサイズ、Lサイズ ・・・ 最大7段まで)
●抜き取り計量(マイナス計量)にも使用可能


便利な機能
●棚卸し、在庫数量管理に
 個数計機能
●連続した計量に
 累計機能:計量した回数とその合計質量を記録可能(最大累計回数999回)
 オートテア機能(自動風袋引):容器を載せると自動的に風袋引きしてゼロを表示(コンパレータ機能との組合せによる)
●容器の重さをゼロにする風袋引き機能は、テンキーであらかじめ風袋値を入力することも可能

別売品USBインタフェース
●台はかりをPCに接続し、計量結果を送信することができます。双方向通信の為、はかりのプリントキーによる送信の他、PC側からコマンドを送る事もできます。
※ご注意ください
市販のUSBケーブルABタイプが別途必要です。また、はかり本体とPCをUSBインタフェースで通信させるには、専用ドライバーが必要です。また、表示部部分は非防水になります。

別売 Bluetooth(R) 通信インタフェース(M2SLP-27CJAA)
●スマートフォンやPC、Bluetooth(R)通信外部表示器などに無線でデータ送信が可能。

■仕様
●タイプ別
品番 M2SL200KCF-JAA M2SL200KCPF-JAA
ひょう量 220 kg 220 kg
タイプ 標準タイプ プリンタ内蔵タイプ
最小表示 0.1 kg 0.1 kg
電源 ACアダプタ付属、
1形乾電池4個(別売)
ACアダプタ付属
電池寿命 約350時間
(バックライトオフ
、アルカリ乾電池使用時)
-
・最小表示は「kg」単位です。「g」単位の表示はできませんのでご注意ください。

●共通仕様
表示単位 kg(キログラム) / pcs(個数) ※グラム表示はできません
最大計数値 220,000個 / 最小単重0.01 kg
表示方法 バックライト付7セグメント液晶表示(文字高26 mm)
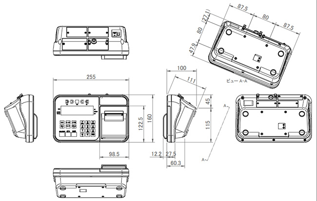
外形寸法:計量台 919(W)×808(D)×92(H)mm
外形寸法:荷重載せ部 690(W)×800(D)×40(H)mm
外形寸法:表示部(スタンド付き) 466(W)×452(D)×815(H)mm
ロードセルケーブル長 約2.8 m
本体質量:計量台 約30 kg
本体質量:表示器 約4.6 kg(M2SL200KCF-JAA、スタンド含む、電池含まず)


■オプション
品番 品名
M2SLP-19CFA 増設用スロープ(※1)
M2SLP-20CFA ストッパー(※1)
M2SLP-02CBJAA USBインタフェース(双方向)(※2)(※3)
M2SLP-03CJAA RS-232C出力(D-Sub9P)(※3)
M2SLP-27CJAA Bluetooth(R)通信インタフェース(※3)
M2SLP-04CJAA コンパレータ・リレー出力/ブザー
(音量約58dB、本体正面1mでの測定)/接点入力
M2SLP-11CA 壁掛け金具
(※1)安全性確保のため増設用スロープまたはストッパーのいずれかを設置することを推奨します。
(※2)ドライバーをダウンロードして使用してください。市販のUSBケーブルABタイプが別途必要です。
(※3) いずれかの組みあわせで最大で2chまで装着できます。


■寸法図
●台はかり全般



●表示部のみ
・M2SL200KCF-JAA


・M2SL200KCPF-JAA

運賃、および消費税は、記載価格には、含まれていません。

[トップページに戻る] [注文書] [見積り依頼] TEL 0729-64-8663 FAX 0729-61-4874

営業時間 AM9:00~PM7:00 営業日 月曜日~金曜日 定休日 土曜日 日曜日 祝日