|
|
■包装資材 ■包装機械 ■物流機器 ■測定機器 ■洗剤 ■ケミカル ■蛍光灯 ■季節品-夏 ■季節品-冬 ■弱電工具 ■ホイスト ■環境機器 ■掃除機 ■ムーブテック ■切削工具 ■機械工具■調理厨房機器 ■研究室用品 ■安全防犯防災品 ■エクステリア ■新商品 ■在庫処分
| 防水2軸傾斜角度センサー(デジタル出力)±20°/ 品番 M4402WT2-20K | 【詳細表示】 | |||||||||||||||||||||||||||||||||||||||||||||||||||||||||||||||||||||||||
| 商品番号 | M4402WT2-20K | 価 格 | ||||||||||||||||||||||||||||||||||||||||||||||||||||||||||||||||||||||||
![]() |
防水2軸傾斜角度センサー(デジタル出力)±20° 品番 M4402WT2-20K |
|||||||||||||||||||||||||||||||||||||||||||||||||||||||||||||||||||||||||
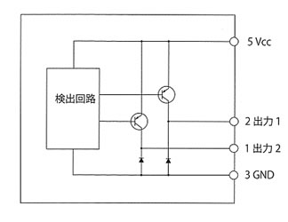
| 必要な検出角度・出力で対応可能です。 X軸・Y軸・全方位検出可能 ![]() ■特徴 ●ダイレクト防水カプラーの為、 取付及びアフターメンテナンスが簡単。 ●最大4点の傾斜角度に対する出力が可能です 。※ ●X軸·Y軸。自由に選ぶことが可能です 。※ ●全方位の傾斜角を検出できます。 ●防水仕様の為、安心して使用頂けます。 ●小型·ローコスト ※裏面に傾斜角検出参考例を載せております。確認下さい。 ![]() ■用途例 ●建設用機械/農業用機械 / 土木作業用機械 高所作業車/特装車、ゴルフカート / 車両機器 鉄道、船舶/医療用機器/産業用機械 / アグリ関係 橋脚、橋台/道路等傾き/空調機器/セキュリティ関係 ■外形寸法 ![]() ■接続図 ![]() ■Pin配列 ![]()
■検出例 ![]()
・カスタムに付きましては、費用が多少必要になる場合がございます。 |
||||||||||||||||||||||||||||||||||||||||||||||||||||||||||||||||||||||||||
運賃、および消費税は、記載価格には、含まれていません。

[トップページに戻る] [注文書] [見積り依頼] TEL 0729-64-8663 FAX 0729-61-4874
営業時間 AM9:00~PM7:00 営業日 月曜日~金曜日 定休日 土曜日 日曜日 祝日