|
|
■包装資材 ■包装機械 ■物流機器 ■測定機器 ■洗剤 ■ケミカル ■蛍光灯 ■季節品-夏 ■季節品-冬 ■弱電工具 ■ホイスト ■環境機器 ■掃除機 ■ムーブテック ■切削工具 ■機械工具■調理厨房機器 ■研究室用品 ■安全防犯防災品 ■エクステリア ■新商品 ■在庫処分
| 防水2軸傾斜角度センサー(アナログ出力)±80°/ 品番 M4402WT2-80A | 【詳細表示】 | |||||||||||||||||||||||||||||||||
| 商品番号 | M4402WT2-80A | 価 格 | ||||||||||||||||||||||||||||||||
![]() |
防水2軸傾斜角度センサー(アナログ出力)±80° 品番 M4402WT2-80A |
|||||||||||||||||||||||||||||||||
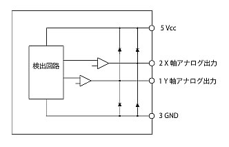
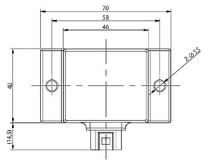
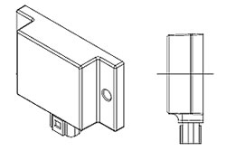
| 2軸性傾斜角センサ(アナログ出力仕様) ダイレクト防水カプラータイプの傾斜センサ ![]() ■X軸・Y軸 2軸検出にて傾きを測定 ![]() ■住鉱テック製コネクタを採用 ![]() ■特長 ●ダイレクト防水カプラーの為、取付及びアフターが簡単 ●直線性±1%FS以下 ●X軸・Y軸の2軸検出します ●防水仕様の為、安心して使用頂けます ●小型・ローコスト ●逆接続保護回路付き ■用途例 建設用機械 / 農業用機械 / 土木作業用機械 高所作業車 / 特装車、ゴルフカート / 車両機器 鉄道、船舶 / 医療用機器 / 産業用機械 / アグリ関係 橋脚、橋台 / 道路等傾き / 空調機器 / セキュリティ関係 等 ■外形寸法 ![]() ![]() ■接続図 ![]() ■Pin配列 ![]() ■特性グラフ ![]() ■仕様
|
||||||||||||||||||||||||||||||||||
運賃、および消費税は、記載価格には、含まれていません。

[トップページに戻る] [注文書] [見積り依頼] TEL 0729-64-8663 FAX 0729-61-4874
営業時間 AM9:00~PM7:00 営業日 月曜日~金曜日 定休日 土曜日 日曜日 祝日