組込型非接触温度計(高速応答タイプ)

放射温度センサー

業務機器&資材 シロ産業 HOME
新製品情報 在庫処分情報 会社概要
見積依頼 ご注文フォーム お問い合わせ
業務用機材商社一筋で、創業41年。東大阪市商工会議所会員、2005年度IT百選企業。
国公立大学、研究所、自衛隊、警察庁 など主な国公立機関に納入実績多数。医療機器販売業免許取得済

包装資材 包装機械 物流機器 測定機器 洗剤 ケミカル 蛍光灯 季節品-夏 季節品-冬 弱電工具 ホイスト 環境機器 掃除機 ムーブテック 切削工具 機械工具調理厨房機器 研究室用品 安全防犯防災品 エクステリア 新商品 在庫処分


カテゴリー第二分類(測定機器)
測定機器カテゴリー一覧を見る
温度計温湿度計湿度トランスミッター無線温度計無線温湿度計記録温湿度計紙記録温湿度計放射温度計放射温度センサー温湿度監視計器おんどとりデーターロガー防水・防滴データロガー耐熱データロガー低温用データロガー超低温用データロガー無線温湿度ロガー圧力データロガーガス濃度データロガー気象計器風速計ハンディ風速計設置型/据置型風速計露点計雨量計気圧計気流可視化装置重量秤防水秤台秤吊秤トラックスケール台車秤ハンドパレットスケール電子天秤検定付重量秤防爆重量秤個数秤農産物選別秤比重計厚さ計膜厚計デジタル距離計レーザーマーカー墨出機トルクゲージノギスマイクロメータシックネスゲージ定盤スコヤ騒音計照度計色計 光沢計/輝度計 色差計/色彩色差計白色度計紫外線測定器PH水質計水分計濁度計導電率計(EC計)溶存酸素計(DO計)振動計衝撃計ガス測定器酸素濃度計二酸化炭素濃度計ホルムアルデヒド測定器オゾンガス濃度計ガス漏れ検知器環境測定器ニオイ臭気測定器金属探知器金属検出機食品用金属探知器検針機電気測定器電磁力計ガウスメーター/テスラメーター電磁波 電位計静電気測定器角度計水準器回転計圧力計流量計プッシュプルゲージロードセルテンションメーター光学機器拡大鏡顕微鏡ファイバースコープカウンター表示器表示板/表示モニター/表示パネル糖度計屈折計濃度計塩分計酸度計アルコール濃度計健康管理熱中症計枚数計数機器粘度計粉塵計硬度計粗さ計液面計・水面計その他計測器中古測定機器

関連商品一覧


組込型非接触温度計(高速応答タイプ)/品番 M1241-IR10-814-L1-T15-C3シリーズ 【詳細表示】
商品番号 M1241-IR10-814-L1-T15-C3 価 格
組込型非接触温度計(高速応答タイプ)M1241-IR10-814-L1-T15-C3 組込型非接触温度計(高速応答タイプ)
品番 M1241-IR10-814-L1-T15-C3
価格は下記をご覧下さい
装置組込に最適



組込型非接触温度計(高速応答タイプ)M1241-IR10-814-L1-T15-C3

■特長
●コンパクトヘッド M12×28mm 50g
●小型アンプ採用で装置や制御盤への設置が容易
●ワイドな測定温度範囲 -40~500℃
●耐熱ヘッド120℃冷却不要
●高い耐振動性
●高速応答 30ms(90%応答)
●小形でも狭視野15:1 (φ8.3mm/75mmにて)
●位置決め簡単 緑色LEDアラーム付(中継アンプ部)


■主なアプリケーション
●ペットボトルの予熱管理
●自動車部品の試験装置
●印刷工程
●路面温度測定
●ガラスの温度管理
●食品機械の温度測定

■接続方法


■外形寸法


■外観図


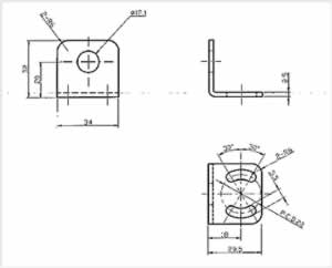
■取付金具(オプション)


■センサ保護レンズ(オプション)


■測定視野範囲図


■共通仕様
測定温度範囲 -40~500℃
測定精度 ±1.0%もしくは±1.0℃のどちらか大きい方
再現性 ±0.5%もしくは±0.5℃のどちらか大きい方
測定波長 8~14μm
光学系 シリコンレンズ
検出素子 サーモパイル
測定視野範囲 15:1(20mm@300mm)
応答時間 30ms(90%応答)
放射率 0.95固定(出荷時指定可)
アナログ出力 4-20mA 分解能0.1℃
耐振動 IEC 68-2-6: XYZ各軸, 11-200 Hz, 3G
耐衝撃 IEC 68-2-27: XYZ各軸, 11 ms, 50G
保護構造 IP65(NEMA-4)
材質 ステンレス(センサヘッド部) テフロン耐熱ケーブル
電源電圧 DC5-30V
ループインピーダンス 最大1000Ω
使用周囲温度 -20~120℃(氷結・結露なきこと)
アンプ部65℃まで
使用周囲湿度 10~95%RH
ケーブル長 センサ中継アンプ間3m+出力ケーブル0.5m
外形寸法(センサヘッド) M12×28mm
質量(センサヘッド) 約50g
※測定対象物温度>0°C 、周囲温度23℃±5℃、放射率1.00、応答時間1sにて
※耐熱ヘッド180℃タイプもございます。別途お問い合わせください。
※校正成績書も発行可能です。別途お問い合わせください。


■仕様
品番 測定温度範囲 アナログ出力
M1241-IR10-814-L1-T15-C3 -40℃~500℃ 4-20mA
M1241-IR10-814-L2-T15-C3 -40℃~100℃
M1241-IR10-814-L3-T15-C3 -40℃~200℃
M1241-IR10-814-L4-T15-C3 0℃~100℃
M1241-IR10-814-L5-T15-C3 0℃~200℃
M1241-IR10-814-L6-T15-C3 0℃~500℃


■オプション
品  番 品  名
M1241-MH300148 エアパージカラー
M1241-MH360125 センサ保護レンズ

運賃、および消費税は、記載価格には、含まれていません。

[トップページに戻る] [注文書] [見積り依頼] TEL 0729-64-8663 FAX 0729-61-4874

営業時間 AM9:00~PM7:00 営業日 月曜日~金曜日 定休日 土曜日 日曜日 祝日