|
|
■包装資材
■包装機械
■物流機器
■測定機器 ■洗剤■ケミカル
■蛍光灯
■季節商品(夏)
■季節商品(冬)
■弱電工具
■ホイスト
■環境機器
■掃除機
■ムーブテック
■切削工具
■機械工具■調理厨房機器
■研究室用品
■安全防犯防災用品
■エクステリア
■新商品情報
■在庫処分情報
| アンプ中継型非接触温度計/品番 M1241-IR12-814-T15A-C3 | 【詳細表示】 | |||||||||||||||||||||||||||||||||||||||||||||||||||
| 商品番号 | M1241-IR12-814-T15A-C3 | 価 格 | ||||||||||||||||||||||||||||||||||||||||||||||||||
![]() |
温度調節器に簡単接続できる非接触温度計です。 アンプ中継型で配線・設置の工数削減。 EMC指令EN61326(計測・制御機器)適合品。 |
アンプ中継型非接触温度計 品番 M1241-IR12-814-T15A-C3 価格は下記をご覧下さい |
||||||||||||||||||||||||||||||||||||||||||||||||||
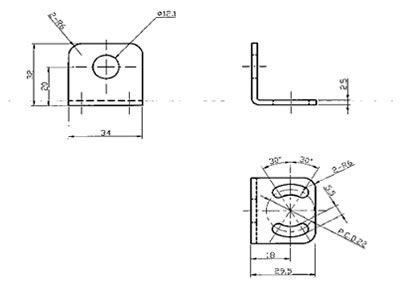
| ■特長 ●アナログ電圧出力1-5V 出力ケーブル3.5m ●耐熱ヘッド採用、-20℃〜120℃の環境で使用可 ●小型ヘッド M12×28mm 取付金具(オプション) ■外形寸法図(センサヘッド部) ![]() ■取付金具(オプション品) ![]() ■測定視野範囲図 ![]() ■仕様
製品改良のため、仕様の一部を予告なく変更する場合があります。ご了承ください。
|
||||||||||||||||||||||||||||||||||||||||||||||||||||

[トップページに戻る][注文書] [見積り依頼] TEL0729-64-8663 FAX 0729-61-4874
営業時間 AM9:00〜PM7:00 営業日 月曜日〜金曜日 定休日 土曜日 日曜日 祝日