プラスチックフィルム測定用非接触温度センサ

放射温度センサー

業務機器&資材 シロ産業 HOME
新製品情報 在庫処分情報 会社概要
見積依頼 ご注文フォーム お問い合わせ
業務用機材商社一筋で、創業41年。東大阪市商工会議所会員、2005年度IT百選企業。
国公立大学、研究所、自衛隊、警察庁 など主な国公立機関に納入実績多数。医療機器販売業免許取得済

包装資材 包装機械 物流機器 測定機器 洗剤 ケミカル 蛍光灯 季節品-夏 季節品-冬 弱電工具 ホイスト 環境機器 掃除機 ムーブテック 切削工具 機械工具調理厨房機器 研究室用品 安全防犯防災品 エクステリア 新商品 在庫処分


カテゴリー第二分類(測定機器)
測定機器カテゴリー一覧を見る
温度計温湿度計湿度トランスミッター無線温度計無線温湿度計記録温湿度計紙記録温湿度計放射温度計放射温度センサー温湿度監視計器おんどとりデーターロガー防水・防滴温度データロガー耐熱データロガー低温用データロガー超低温用データロガー無線温湿度ロガー圧力データロガーガス濃度データロガー気象計器風速計ハンディ風速計設置型/据置型風速計露点計雨量計気圧計気流可視化装置重量秤防水秤台秤吊秤トラックスケール台車秤ハンドパレットスケール電子天秤検定付重量秤防爆重量秤個数秤農産物選別秤比重計厚さ計膜厚計デジタル距離計レーザーマーカー墨出機トルクゲージノギスマイクロメータシックネスゲージ騒音計照度計色計 光沢計/輝度計 色差計/色彩色差計白色度計紫外線測定器PH水質計水分計濁度計電気伝導率計/導電率計/EC計溶存酸素計(DO計)振動計衝撃計ガス測定器酸素濃度計二酸化炭素濃度計ホルムアルデヒド測定器オゾンガス濃度計ガス漏れ検知器環境測定器ニオイ臭気測定器金属探知器金属検出機食品用金属探知器検針機電気測定器電磁力計ガウスメーター/テスラメーター電磁波 電位計静電気測定器角度計水準器回転計スコヤ圧力計流量計プッシュプルゲージロードセルテンションメーター光学機器拡大鏡顕微鏡ファイバースコープカウンター表示器表示板/表示モニター/表示パネル糖度計屈折計濃度計塩分計酸度計アルコール濃度計健康管理熱中症計枚数計数機器粘度計粉塵計硬度計粗さ計液面計・水面計その他計測器中古測定機器

関連商品一覧


プラスチックフィルム測定用非接触温度センサ/品番 M1241-IR14-790-T10SF-C3シリーズ 【詳細表示】
商品番号 M1241-IR14-790-T10SF-C3シリーズ 価 格
プラスチックフィルム測定用非接触温度センサ
品番 M1241-IR14-790-T10SF-C3シリーズ
価格は下記をご覧下さい
●測定波長7.9μm。フィルム測定専用の非接触温度センサ。
●PET、PU、PTFE、PAなどの透明フィルムやガラス表面の温度測定に。
●真空炉、真空チャンバー内でも使用可能です。
●ケーブルはメタルコネクタで中継することができます。







■ポリエステルフィルムの赤外線透過率の例 (厚み0.25mm)


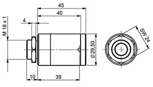
■測定視野範囲図


■寸法図
センサヘッド アンプユニット

■共通仕様
測定温度範囲 0~710℃
測定波長 7.9μm
測定精度 読取値の±1%もしくは±1.5℃
再現性 読取値の±0.5%もしくは±0.5℃
温度分解能 0.5°C
応答時間 150ms
測定視野範囲 10:1(90%応答)
アナログ出力 4-20mA/0~20mA/0-5V/0-10V/熱電対J・K出力切替
アラーム出力 24V/50mA(オープンコレクタ)
リレー出力 DC60V/AC42V、0.4Ax2
デジタル出力 USB、RS232、RS485、Can-Bus、Profibus DP、Ethernet
信号処理 ピークホールド/バレーホールド/アベレージング
放射率補正 0.100~1.100(0.001/1ステップ)
透過率補正 0.100~1.000(0.001/1ステップ)
使用周囲温度 センサヘッド -20~85℃
アンプユニット 0~85℃
使用周囲湿度 10~95%RH(結露・氷結なきこと)
保護構造 IP65(NEMA-4)
材質 センサヘッド ステンレス
アンプユニット 亜鉛ダイキャスト
電源電圧 8-36VDC/max.100mA(モジュール使用時250mA)
出力インピーダンス 電流(ループ抵抗500Ω以下)
電圧(負荷インピーダンス100KΩ以上)
熱電対(20Ω)
EMC指令
(計測・制御機器)
EN61326-1:2006
EN61326-2-3:2006
低電圧指令
(計測・制御機器)
EN61010-1:2001
外形寸法 センサヘッド φ29.5×55mm(M18×1)
アンプユニット 89 mm x 70 mm x 30 mm
質量 センサヘッド 約200g
アンプユニット 約420g
※熱電対出力使用時は±2.5℃もしくは±1%、周囲温度23±5℃にて
※放射率1/応答速度1sにて
センサヘッド取付ナットは付属です。
出力ケーブルは3-5mmのシールドケーブル等を別途ご用意ください。
製品改良のため、仕様の一部を予告なく変更する場合があります。ご了承ください。


■仕様
品番 ケーブル長
M1241-IR14-790-T10SF-C3 センサヘッドケーブル3m
M1241-IR14-790-T10SF-C8 センサヘッドケーブル8m
M1241-IR14-790-T10SF-C15 センサヘッドケーブル15m




■オプション
エアパージ管 アンプ遮蔽カバー
取付金具(オプション) DINレール取付アダプタ
USBインターフェース

■仕様
品番 品名
M1241-ACCS-APMH エアパージカラー
M1241-ACCT-COV アンプ遮蔽カバー
M1241-ACCT-FBMH 取付金具
M1241-ACCT-RAIL DINレール取付アダプタ
M1241-ACCT-RI リレーインターフェース
M1241-ACCT-USBK USBインターフェース+ソフトウェア
M1241-ACCT-HTCERT 校正成績書

運賃、および消費税は、記載価格には、含まれていません。

[トップページに戻る] [注文書] [見積り依頼] TEL 0729-64-8663 FAX 0729-61-4874

営業時間 AM9:00~PM7:00 営業日 月曜日~金曜日 定休日 土曜日 日曜日 祝日