ハンディトルク計

トルクゲージ

業務機器&資材 シロ産業 HOME
新製品情報 在庫処分情報 会社概要
見積依頼 ご注文フォーム お問い合わせ
業務用機材商社一筋で、創業41年。東大阪市商工会議所会員、2005年度IT百選企業。
国公立大学、研究所、自衛隊、警察庁 など主な国公立機関に納入実績多数。医療機器販売業免許取得済

包装資材 包装機械 物流機器 測定機器 洗剤 ケミカル 蛍光灯 季節品-夏 季節品-冬 弱電工具 ホイスト 環境機器 掃除機 ムーブテック 切削工具 機械工具調理厨房機器 研究室用品 安全防犯防災品 エクステリア 新商品 在庫処分


カテゴリー第二分類(測定機器)
測定機器カテゴリー一覧を見る
温度計温湿度計湿度トランスミッター無線温度計無線温湿度計記録温湿度計紙記録温湿度計放射温度計放射温度センサー温湿度監視計器おんどとりデーターロガー防水・防滴温度データロガー耐熱データロガー低温用データロガー超低温用データロガー無線温湿度ロガー圧力データロガーガス濃度データロガー気象計器風速計ハンディ風速計設置型/据置型風速計露点計雨量計気圧計気流可視化装置重量秤防水秤台秤吊秤トラックスケール台車秤ハンドパレットスケール電子天秤検定付重量秤防爆重量秤個数秤農産物選別秤比重計厚さ計膜厚計デジタル距離計レーザーマーカー墨出機トルクゲージノギスマイクロメータシックネスゲージ騒音計照度計色計 光沢計/輝度計 色差計/色彩色差計白色度計紫外線測定器PH水質計水分計濁度計電気伝導率計/導電率計/EC計溶存酸素計(DO計)振動計衝撃計ガス測定器酸素濃度計二酸化炭素濃度計ホルムアルデヒド測定器オゾンガス濃度計ガス漏れ検知器環境測定器ニオイ臭気測定器金属探知器金属検出機食品用金属探知器検針機電気測定器電磁力計ガウスメーター/テスラメーター電磁波 電位計静電気測定器角度計水準器回転計スコヤ圧力計流量計プッシュプルゲージロードセルテンションメーター光学機器拡大鏡顕微鏡ファイバースコープカウンター表示器表示板/表示モニター/表示パネル糖度計塩分計酸度計屈折計濃度計アルコール濃度計健康管理熱中症計枚数計数機器粘度計粉塵計硬度計粗さ計液面計・水面計その他計測器中古測定機器

関連商品一覧


ハンディトルク計/品番 M1TGA-2NI 【詳細表示】
商品番号 M1TGA-2NI 価 格
ハンディトルク計/M1TGA-2NI ネジやボルトの締め付け、緩め力やロータリースイッチのトルク測定を簡単に実現
アタッチメント(別売)を自由に取り換え、様々なサンプルに対応
測定を簡単に行う機能を多数搭載
ハンディトルク計
品番 M1TGA-2NI
価格は下記を参照下さい。
■特長
●精密なトルク測定が可能に
・秒2000 回のデータ更新でトルク値の変化に追従
・ダブルベアリング支持機構で横方向や曲げなどの力の影響を最小化
●より使いやすく
・高輝度な有機EL ディスプレイの採用で見やすい画面
・日本語のメニュー表記で設定が簡単に
●データ管理が容易
・USBでパソコンに簡単接続
・付属ソフトウェアで測定値を簡単保存
・オプションソフトで簡単にグラフ作成が可能(要荷重グラフ作成ソフト)

■アタッチメント取り付け簡単に測定
●アタッチメントの交換
サンプルに合わせたアタッチメントを交換してご使用いただけます。



■仕様
●用途に合わせ2つのモデル(M1TGA/M1TGS)からお選びできます。
品番 M1TGA M1TGS
特徴 角度入出力やUSB メモリ記録など、
多彩な機能を持つ上位モデル
M1TGAの性能はそのままに、
機能を絞った標準モデル
精度 ±0.5%F.S.±1digit
測定単位 N-m, N-cm
表示 符号付4桁
表示更新 10 回/秒
サンプリング速度 最大2000 回/秒(※1)
バッテリー動作時間 8時間(8時間満充電)(※2)
オーバーロード値 定格約200%
使用環境 温度:0-40℃ 湿度:20-80%RH
機能 マルチ表示(上下2段選択表示)/ピークホールド(時計回転および反時計回転)/
内部メモリ(1000データ)/コンパレータ(合否判定)/
画面表示反転/符号反転/ゼロクリアタイマ/+NG アラーム/
オフタイマ(自動電源オフ)/感度設定/時刻表示
1st2nd ピーク検出/
トルクピーク時角度検出(※3)/
指定トルク時角度リセット(※3)
-
出力機能 USB/RS232C/ミツトヨデジマチック(※4)/2VDC アナログ出力(D/A)/
コンパレータ3段階(-NG/OK/+NG)/オーバーロード警告
サブコンパレータ2段階(大小判定出力)/
USBメモリ/角度
-
オーバーロード警告 約110%F.S.(メッセージ表示・アラーム音)
外部接点 センド(接点ホールド)/ゼロリセット/ピークON・OFF設定
本体重量 表示器:約490g
外観形状 寸法図参照
付属品 AC アダプタ/検査成績書/ドライバCD(データロガー簡易ソフト付)/
アタッチメント取付用レンチ/USB ケーブル/収納ケース/
補助ハンドル(10N-mレンジのみ)
USBメモリ用アダプタ(※5) -
※1 USBメモリでの連続データ取得は最大100 回/秒となります。
※2 USBメモリもしくは角度計接続時はバッテリー消費が多くなります。
※3 角度計が別途必要となります。
※4 ミツトヨデジマチック入力対象製品でも使用できないものもございます。
※5 USBメモリは付属しておりません。

●タイプ別レンジ
品番 レンジ 表示 最小分解能
M1TGA-2NI 2N-m(200N-cm) 2.000N-m(200.0N-cm) 0.001N-m(0.1N-cm)
M1TGA-5NI 5N-m(500N-cm) 5.000N-m(500.0N-cm) 0.001N-m(0.1N-cm)
M1TGA-10NI 10N-m(1000N-cm) 10.00N-m(1000N-cm) 0.01N-m(1N-cm)
M1TGS-2NI 2N-m(200N-cm) 2.000N-m(200.0N-cm) 0.001N-m(0.1N-cm)
M1TGS-5NI 5N-m(500N-cm) 5.000N-m(500.0N-cm) 0.001N-m(0.1N-cm)
M1TGS-10NI 10N-m(1000N-cm) 10.00N-m(1000N-cm) 0.01N-m(1N-cm)





■オプションアタッチメント
アタッチメントの取り換えで広がる用途
※アタッチメントはトルクゲージ本体に付属していません。
M1HT-DC**Iシリーズ M1HT-9.5SQI
丸棒状のものを固定することができます。 ドライバービットやレンチなど様々な工具での
トルク測定が可能です。
M1HT-DBHI M1HT-AD-M10I
ネジの締め付け、緩めトルクが測定できます。 M10のアタッチメントを取り付けることが可能です。

品番 品名 サイズ 重量
M1HT-DC13I ドリルチャック(大) 開き幅:φ1.2~13mm 約600g
M1HT-DC6.5I ドリルチャック(中) 開き幅:φ0.5~6.5mm 約200g
M1HT-DC4I ドリルチャック(小) 開き幅:φ0.5~4mm 約100g
M1HT-9.5SQI ソケットホルダー ソケット:9.5mm角 約100g
M1HT-DBHI トルクドライバー +:No.1×50
+:No.2×50
-:No.3×50
約100g
M1HT-AD-M10I アタッチメントアダプター M10×L20 約50g
※M1HT-DC13Iは2N-mレンジでは使用できません。







■付属品説明
●データーロガー簡易ソフトウェア
主な機能
・ピークデータ取得
・連続データ取得(秒10データ)
・メモリデータ呼び出し
・CSV形式保存
※取得可能データ:トルク/時間
動作環境
・OS:Windows XP/Vista/7/8(32bit/64bit)
・CPU:1GHz以上推奨
・メモリ:1GB以上推奨
・ハードディスク:2GB 以上
・.NET Framework4 以上
※特殊な環境では動作しないこともございますので
ご了承ください
●試用版荷重グラフ作成ソフト
別売の荷重グラフ作成ソフトを30日間お試しいただけます。
主な機能
・トルク-時間グラフの描画(秒2000データ)
・グラフの比較表示、注釈の記入など編集機能など
※試用版は、一部機能が制限されております。
製品版の詳細はソフトウェアシリーズの
仕様書をご確認ください。
動作環境
・OS:Windows XP/Vista/7/8(32bit/64bit)
・CPU:1GHz以上推奨
・メモリ:2GB以上推奨
・ハードディスク:10GB 以上
・.NET Framework4 以上
※特殊な環境では動作しないこともございますので
ご了承ください

■関連製品
●荷重グラフ作成ソフト
主な特徴
・USB の高速通信(最大2000回/秒)でスムーズなトルク変化のグラフを作成できます。
・最大5つのグラフを比較表示できます。(スタンダードタイプ、プロタイプのみ)
・グラフごとに、測定速度や治具といった測定条件などをメモしておくことができます。
※用途に合わせ、ライトタイプ、スタンダードタイプ、プロタイプの3 つからご選択いただけます。
※詳細は個別仕様書でご確認ください

※画像はスタンダードタイプのものです。
品番 品名
M1FR-LIGHT 荷重グラフ作成ソフト(ライトタイプ)
M1FR-STANDARD 荷重グラフ作成ソフト(スタンダードタイプ)
M1FR-PRO 荷重グラフ作成ソフト(プロタイプ)



●プリンター
表示値・内部メモリデータをその場で印字することが可能です。
(要ケーブル:M1C-B308I)

品番 品名
M1VR-PRINTER プリンター


●オプションケーブル
用途に合わせて様々な接続ケーブルをご用意しております。
品番 品名 長さ
M1C-B108I アナログケーブル 3m
M1C-B208I RS-232Cケーブル 3m
M1C-B308I デジマチックケーブル 3m
M1C-B808I 外部接点ケーブル 3m
M1C-B908I オープンエンド接続ケーブル 3m


●バッテリー
バッテリーが消耗した時の交換用バッテリーです。

品番 品名
M1B-P308I バッテリー


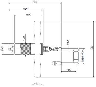
■外観図
●表示器


●トルクセンサー:2Nおよび5N


●トルクセンサー:10N


[校正証明書・ISO 校正サービス]
本機種では、オプションにより校正証明書を発行することが可能です。

[注意事項]
・本記載事項は、改良等のため予告なく変更することがありますのでご了承ください。
・本製品は荷重測定を目的としており、それ以外には使用できません。
・本仕様書の記載内容を無断で利用することはお断りしております。
・計測軸に、オーバーロード値を超えるトルクの負荷をかけると
 センサーが破損(オーバーロード)する原因となりますので、ご注意ください。

運賃、および消費税は、記載価格には、含まれていません。

[トップページに戻る] [注文書] [見積り依頼] TEL 0729-64-8663 FAX 0729-61-4874

営業時間 AM9:00~PM7:00 営業日 月曜日~金曜日 定休日 土曜日 日曜日 祝日