ホームページへ

創業32年 東大阪市商工会議所会員 2005年度IT百選企業。国公立大学、研究所 自衛隊、警察庁 など主な国公立機関に納入実績多数 医療機器販売業免許取得済み

■包装資材 ■包装機械 ■物流機器 ■測定機器 ■洗剤■ケミカル ■蛍光灯 ■季節商品(夏) ■季節商品(冬)
■弱電工具 ■ホイスト ■環境機器 ■掃除機 ■ムーブテック ■切削工具 ■機械工具 ■調理厨房機器
■研究室用品 ■安全防犯防災用品 ■エクステリア ■新商品情報 ■在庫処分情報


温湿度計温度計記録温湿度計無線温湿度計/ワイヤレス温湿度計データロガー無線温度計耐熱データロガー低温用データロガー超低温用データロガー無線温湿度ロガー紙記録温度計湿度計おんどとり放射温度計露点計雨量計気象計器気圧計風速計ハンディ風速計設置型/据置型風速計気流可視化装置重量秤防水秤台秤トラックスケール台車秤電子天秤ハンドパレットスケール吊秤検定付重量秤防爆重量秤個数秤カウンター表示器農産物選別秤膜厚計厚さ計シックネスゲージ枚数計数機器デジタル距離計ノギスマイクロメータースコヤ騒音計照度計色計光沢計・輝度計色差計・色彩計白色度計紫外線測定器振動計衝撃計アルコール濃度計PH水質計水分計酸素濃度計ホルムアルデヒド測定器ガス測定器ニオイ臭気測定器環境測定器オゾンガス濃度計ガス漏れ検知器電気測定器電磁力計ガウスメーターテスラメーター静電気測定器電磁波・電位計電気伝導率計/導電率計/EC計角度計回転計水準器圧力計流量計トルクゲージロードセルプッシュプルゲージレーザーマーカー墨出機光学機器ファイバースコープ拡大鏡顕微鏡金属探知検針機食品用金属探知器検針機糖度計屈折計・濃度計塩分計酸度計粉塵計硬度計表面粗さ計粘度計液面計水面計濁度計放射温度センサー健康管理熱中症計温湿度監視計器計測ソフト農業関連測定器その他計測器中古測定機器

関連商品一覧



小型高精度傾斜角度センサー 品番 M193AGS-601V 【詳細表示】
商品番号 M193AGS-601V 価 格
小型高精度傾斜角度センサーM193AGS-602V 小型高精度傾斜角度センサーは経済的価格であって高精度であり、高角度に対応できる高信頼性汎用小型傾斜センサです。 小型高精度傾斜角度センサー
品番 M193AGS-601V
廃番
後継機種はこちら→AngleStar
■特徴
●センサ原理は、容器内液体の傾斜による液面変化を静電容量変化として捉える重力応用静電容量変化型です。液体以外に可動部が損傷が考えられないので、耐振動衝撃性、温度特性、繰返し性に優れ、高精度耐久性を維持します。 機械的回転軸がない場合でも、傾斜する任意場所に取付られます。立て掛け又は壁面にネジ止めします。角度と出力は直線比例関係です。
小型高精度傾斜角度センサーM193AGS-602V

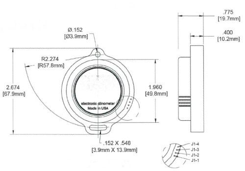
■寸法
小型高精度傾斜角度センサーM193AGS-602V

■仕様
型式 M193AGS-601V M193AGS-602V
電圧出力コード 赤・安定化電源+9V
黒・電源0V、アース
黄・信号出力
赤・電源+12V
黒・電源0V、アース
灰・電源-12V
青・信号出力
電源電圧 (公称±9V) +5V~+16V
電流3mA
(公称±12V) ±8V~±20V
電流3mA
水平出力 電源電圧の1/2V 0mv
感度 30mV/°±10%
(電源9Vの時で電圧に比例します。)
60mV/°±10%
作動範囲 ±60°
直線性 ±0.1° (0°~±10°)
±1% (±10°~±45°)
モノトニック(±45°~±60°)
最小分解能 約0.001°
繰り返し性 <0.05°
交差軸
(≦45°)
誤差 ±1%
時定数 約300ms
応答周波数
(-3dB)
約0.5Hz
温度特性 水平 約0.008°/℃ 感度:約0.1/℃ 選別品 約0.05%/℃
使用周囲温度 -40℃~+85℃
保管温度 -55℃~+85℃
ケーブル長さ 400mm(オプションにて延長可)
質量 約40g
価格 廃番 廃番

運賃、および消費税は、記載価格には、含まれていません。

[トップページに戻る ][注文書] [見積り依頼] TEL0729-64-8663 FAX 0729-61-4874

営業時間 AM9:00~PM7:00 営業日 月曜日~金曜日 定休日 土曜日 日曜日 祝日