ホームページへ

創業32年 東大阪市商工会議所会員 2005年度IT百選企業。国公立大学、研究所 自衛隊、警察庁 など主な国公立機関に納入実績多数 医療機器販売業免許取得済み

■包装資材 ■包装機械 ■物流機器 ■測定機器 ■洗剤■ケミカル ■蛍光灯 ■季節商品(夏) ■季節商品(冬)
■弱電工具 ■ホイスト ■環境機器 ■掃除機 ■ムーブテック ■切削工具 ■機械工具 ■調理厨房機器
■研究室用品 ■安全防犯防災用品 ■エクステリア ■新商品情報 ■在庫処分情報


温湿度計温度計記録温湿度計無線温湿度計/ワイヤレス温湿度計データロガー無線温度計耐熱データロガー低温用データロガー超低温用データロガー無線温湿度ロガー紙記録温度計湿度計おんどとり放射温度計露点計雨量計気象計器気圧計風速計ハンディ風速計設置型/据置型風速計気流可視化装置重量秤防水秤台秤トラックスケール台車秤電子天秤ハンドパレットスケール吊秤検定付重量秤防爆重量秤個数秤カウンター表示器農産物選別秤膜厚計厚さ計シックネスゲージ枚数計数機器デジタル距離計ノギスマイクロメータースコヤ騒音計照度計色計光沢計・輝度計色差計・色彩計白色度計紫外線測定器振動計衝撃計アルコール濃度計PH水質計水分計酸素濃度計ホルムアルデヒド測定器ガス測定器ニオイ臭気測定器環境測定器オゾンガス濃度計ガス漏れ検知器電気測定器電磁力計ガウスメーターテスラメーター静電気測定器電磁波・電位計電気伝導率計/導電率計/EC計角度計回転計水準器圧力計流量計トルクゲージロードセルプッシュプルゲージレーザーマーカー墨出機光学機器ファイバースコープ拡大鏡顕微鏡金属探知検針機食品用金属探知器検針機糖度計屈折計・濃度計塩分計酸度計粉塵計硬度計表面粗さ計粘度計液面計水面計濁度計放射温度センサー健康管理熱中症計温湿度監視計器計測ソフト農業関連測定器その他計測器中古測定機器

関連商品一覧



角度センサー分離表示機セット 品番 M193AH-60PB 【詳細表示】
商品番号 M193AH-60PB 価 格
角度センサー分離表示機セットM193AH-60PB センサ(M193AGS-601Vシリーズ)別置き型で表示計とのセット型です。

※左写真の黒色プレートは非売品です。
角度センサー分離表示機セット
品番 M193AH-60PB
廃番
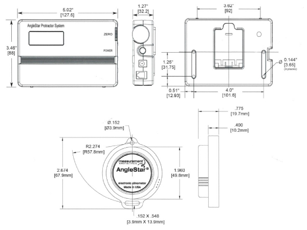
後継機種はこちら→AngleStar Protractor System
■特長
●センサー(M193AGS-601Vシリーズ)と液晶表示装置を分離。省電力仕様。
●ポーダブルでリアルタイムに傾斜を測りたい場合に最適。
●センサーと表示機の間のケーブルは、60mまで延長可能。
●計測範囲などにより3種類のタイプを用意。

■寸法
角度センサー分離表示機セットM193AH-60PB

■仕様
型式 M193AH-60PB M193AH-1999PB M193AH-90PB
タイプ 標準型 高分解能型 広角度型
直線性 ±0.1° (0°~±10°)
±1% (±10°~±45°)
モノトニック(±45°~±60°)
±0.1° (0°~±10°)
±1% (±10°~±45°)
±0.1°(0°~±10.0°)
±1%(±10°~±90.0°)
電源 9Vアルカリ電池(型式6LR61-旧型式006P)
持続約500時間
仕様周囲温度 -18°~十55℃
(外部電源 +9°~ +15VDC)
外形 (表示計)W127×D50.8×H88.9mm
コード1m外部電源入力可能
質量 (表示計)約250g
その他仕様に準じます。屋内型です。
価格 廃番 廃番 廃番

運賃、および消費税は、記載価格には、含まれていません。

[トップページに戻る ][注文書] [見積り依頼] TEL0729-64-8663 FAX 0729-61-4874

営業時間 AM9:00~PM7:00 営業日 月曜日~金曜日 定休日 土曜日 日曜日 祝日