充電式回転トルク計
トルクゲージ
業務用機材商社一筋で、創業41年。東大阪市商工会議所会員、2005年度IT百選企業。
国公立大学、研究所、自衛隊、警察庁 など主な国公立機関に納入実績多数。医療機器販売業免許取得済
■包装資材 ■包装機械 ■物流機器 ■測定機器 ■洗剤 ■ケミカル ■蛍光灯 ■季節品-夏 ■季節品-冬 ■弱電工具 ■ホイスト ■環境機器 ■掃除機 ■ムーブテック ■切削工具 ■機械工具■調理厨房機器 ■研究室用品 ■安全防犯防災品 ■エクステリア ■新商品 ■在庫処分
測定機器カテゴリー一覧を見る
| 充電式回転トルク計/品番 MD31T-10N3T |
【詳細表示】 |
| 商品番号 |
MD31T-10N3T |
価 格 |
 |
簡単にトルク・角度チェック!
Bluetooth搭載モデルも標準化
多軸機やナットランナの
日常点検・トルクチェックに最適!
ハンドナットランナの角度チェックも出来ます! |
充電式回転トルク計
品番 MD31T-10N3T
価格は下記をご覧下さい |
■概要
●世界最小の充電式ロータリートルク計
●ナットランナの日常点検で締付け不良品の社外流出防止
●ハンドナットランナのトルク・角度チェックに最適!
●Hex6.35ビットが使用できるモデルを追加(MD31T-15N3T-635(BT))
●従来より小さい角ドライブを採用し低コスト化(MD31T-50N3T-38(BT))
●Bluetoothモデルを標準化、より簡単なデータ取り出しが可能
●2N・m~1000N・mまでシリーズ18機種に拡充
■特長・用途
●充電式回転トルク計MD31T型は世界最小の充電式ロータリートルク計です。
●ナットランナのトルクチェック(日常点検)で締付不良品の流出が防止出来ます。
●ナットランナのインライン計測が可能。Bluetooth搭載モデルを使用することで、更に作業性の良いトルクチェックが行えます。
●多軸締付作業を行いながらトルクチェック(日常点検)ができます。
オプションの延長棒(MD31T型と同じ長さ)をスピントルクと取り付けていない軸に取付ければ、締付作業を行いながらトルクチェックが行えます。
●ハンドナットランナ等のトルク・角度チェックが行えます。
ハンドナットランナ等にMD31T型を取り付けて、締付作業を行う事でトルクチェックと角度チェックが行えます。
※角度チェックはスナッグトルクからの計測。
●計測原理上、信頼の高い測定が行えます。
回転トルク計を取り付ける場所(計測位置)は最もねじに近い位置ですから、トルク伝達損失などの影響を受け難く実際の締付トルクに最も近い値を示します。
●ビットタイプのハンドツールにも対応可能。
MD31T-15N3T-635(BT)はHex6.35ビットに対応したドライバアダプタが付いている為、ビットタイプのハンドツールにも使用出来ます。
●大型車のホイールナットもトルクチェック可能。
MD31T型は左右両方測定可能な為、逆ねじにも対応出来ます。


■「角度測定」「ビットタイプナットランナへの対応」
●波形データの出力(-BT)モデル
Bluetooth搭載モデルでは、波形データの出力が可能です。
内部設定または外部からの要求コマンドにてデータを出力します。
メーカーサイトからソフトウェアをダウンロード(無料)し、Excel上でデータの加工ができます。
●角度チェックが可能。
角度精度は±2゜+1digit。(但し、30゜/sec~600゜/secで、90゜で回転させたとき)、ハンドナットランナ等に取り付け角度チェックが可能です。
●小型角ドライブモデル等の追加により幅広い要求に対応。
従来より小さいサイズの角ドライブを採用したMD31T-50N3T-38、Hex6.35ドライバービットが使用可能なMD31T-15N3T-635を追加し、幅広い要求に対応。
(-BT型も対応)

トルク値と角度値の相関グラフも作成可能!
※-BTモデルのみ。別途ソフトウェアが必要です。(メーカーサイトから無料ダウンロード可)
■タイプ
| MD31T-15N3T-635 |
MD31T-50N3T-38 |
MD31T-1000N3T-BT |
 |
 |
 |
■主な使用例
●多軸機のトルク・角度チェック
●ハンドナットランナのトルク・角度チェック
●ビットタイプナットランナのトルク・角度チェック
●大型車ホイールナット締め付け用
※充電式回転トルク計はインパクトレンチには使えません。(電子部品の破損・劣化の原因となります。)
トルク機器のトルク・角度チェック
 |
 |
↑トルクチェックや角度チェックが簡単に出来ます
←
多軸機・ナットランナのトルク・角度チェックも簡単に出来ます |
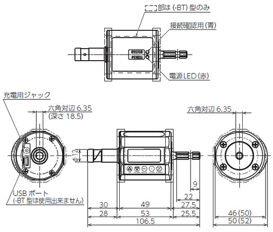
■寸法図
| MD31T-10N3T~1000N3T(-BT) |
 |
| MD31T-15N3T-635(BT) |
 |
| 品番 |
トルク測定範囲
[N・m] |
寸法[mm] |
質量
約
[kg] |
| 最小~最大 |
1digit |
L' |
E |
C |
φD |
□a |
φd1 |
φd2 |
A |
E' |
| MD31T-10N3T(-BT) |
2~10 |
0.01 |
75 |
46
(50) |
49 |
13 |
6.35 |
2.1 |
2.1 |
53 |
50
(52) |
0.25 |
| MD31T-15N3T-635(BT) |
4~15 |
0.02 |
106.5 |
- |
- |
- |
- |
| MD31T-20N3T(-BT) |
4~20 |
75 |
18 |
9.53 |
3.1 |
5 |
| MD31T-50N3T-38(BT) |
10~50 |
0.05 |
| MD31T-50N3T-12(BT) |
27 |
12.7 |
4.1 |
| MD31T-100N3T(-BT) |
20~100 |
0.1 |
| MD31T-200N3T(-BT) |
40~200 |
0.2 |
| MD31T-500N3T(-BT) |
100~500 |
0.5 |
120 |
68.5 |
73 |
38 |
19.05 |
6 |
6 |
78 |
71 |
1.3 |
| MD31T-1000N3T(-BT) |
200~1000 |
1 |
135 |
51 |
25.4 |
6.5 |
6.5 |
※カッコ内は-BT寸法
■仕様
●共通仕様
| トルク精度 |
±1%+1digi |
| 角度測定範囲 |
0~±999゜ |
| 角度1digit |
1゜ |
| 角度精度 |
±2゜+1digit
(但し、30゜/sec~600゜/secで、90゜で回転させた場合) |
| 測定方向 |
左右 |
| 表示 |
7セグメントLCD表示、単位、電池残量、測定方向
メモリカウンタ値:3桁(文字高さ3mm)、
トルク・回転角度:4桁(文字高さ7mm) |
| 測定モード |
PEAK/RUN |
| データメモリ |
999データ |
| 演算機能 |
サンプル数、最大値、最小値、平均値 |
| データ出力 |
USB出力 |
| 電源 |
ニッケル水素電池専用パック |
| 連続使用時間 |
約8時間(BluetoothOFFの時、約10時間) |
| 充電器 |
入力 AC100V~240V±10%(PSE適合、CE準拠) |
| 充電時間 |
約2時間 |
| その他機能 |
オートメモリ・リセット(0.5~5秒 可変)、オートゼロ、
オートパワーオフ(3分/10分/30分/無し 切替)、バッテリ残量表示(4段階) |
| 使用温度範囲 |
0~40℃ |
| 付属品 |
充電器、電源変換プラグ、長期保管用電源プラグ、
キャリングケース、USB接続コード(MD31T-N3T-384)※-BTには付属しません |
■標準タイプ仕様
| 品番 |
トルク測定範囲[N・m] |
角ドライブ |
質量 |
| 最小~最大 |
1digit |
mm |
約kg |
| MD31T-10N3T |
2~10 |
0.01 |
6.35 |
0.25 |
| MD31T-15N3T-635 |
4~15 |
0.02 |
Hex6.35 |
| MD31T-20N3T |
4~20 |
9.53 |
| MD31T-50N3T-38 |
10~50 |
0.05 |
9.53 |
| MD31T-50N3T-12 |
12.7 |
| MD31T-100N3T |
20~100 |
0.1 |
| MD31T-200N3T |
40~200 |
0.2 |
| MD31T-500N3T |
100~500 |
0.5 |
19.05 |
1.3 |
| MD31T-1000N3T |
200~1000 |
1 |
25.4 |
■Bluetooth対応仕様
| 通信方式 |
Bluetooth |
| 無線通信距離 |
約10m |
| 連続使用時間 |
BTオフ:約10時間
BTオン:約8時間 |
※省電力モードは間欠通信を行っているため、データ転送に最大約2秒の遅延が生じる場合があります。
| 品番 |
トルク測定範囲[N・m] |
角ドライブ |
質量 |
| 最小~最大 |
1digit |
mm |
約kg |
| MD31T-10N3T-BT |
2~10 |
0.01 |
6.35 |
0.25 |
| MD31T-15N3T-635BT |
4~15 |
0.02 |
Hex6.35 |
| MD31T-20N3T-BT |
4~20 |
9.53 |
| MD31T-50N3T-38BT |
10~50 |
0.05 |
9.53 |
| MD31T-50N3T-12BT |
12.7 |
| MD31T-100N3T-BT |
20~100 |
0.1 |
| MD31T-200N3T-BT |
40~200 |
0.2 |
| MD31T-500N3T-BT |
100~500 |
0.5 |
19.05 |
1.3 |
| MD31T-1000N3T-BT |
200~1000 |
1 |
25.4 |
■オプション
●PC接続ケーブル

| 品番 |
適用機種 |
| MD31T-N3T-384 |
MD31T→パソコン |
※MD31T-N3T-384はUSB mini B→USB Aケーブルです。
●延長棒
MD31Tと同じ長さなので、併用すれば多軸機のチェックが楽に出来ます。

| 品番 |
品名 |
適用機種 |
| MD31EX-283BAR |
延長棒 |
MD31T-10N3T |
| MD31EX-281BAR |
延長棒 |
MD31T-20N3T |
| MD31T-50N3T-38 |
| MD31EX-247BAR |
延長棒 |
MD31T-50N3T-12 |
| MD31T-100N3T |
| MD31T-200N3T |
| MD31EX-248BAR |
延長棒 |
MD31T-500N3T |
| MD31EX-249BAR |
延長棒 |
MD31T-1000N3T |
|
運賃、および消費税は、記載価格には、含まれていません。
[トップページに戻る] [注文書] [見積り依頼] TEL 0729-64-8663 FAX 0729-61-4874
営業時間 AM9:00~PM7:00 営業日 月曜日~金曜日 定休日 土曜日 日曜日 祝日