デジタル分析天秤

電子天秤

業務機器&資材 シロ産業 HOME
新製品情報 在庫処分情報 会社概要
見積依頼 ご注文フォーム お問い合わせ
業務用機材商社一筋で、創業41年。東大阪市商工会議所会員、2005年度IT百選企業。
国公立大学、研究所、自衛隊、警察庁 など主な国公立機関に納入実績多数。医療機器販売業免許取得済

包装資材 包装機械 物流機器 測定機器 洗剤 ケミカル 蛍光灯 季節品-夏 季節品-冬 弱電工具 ホイスト 環境機器 掃除機 ムーブテック 切削工具 機械工具調理厨房機器 研究室用品 安全防犯防災品 エクステリア 新商品 在庫処分


カテゴリー第二分類(測定機器)
測定機器カテゴリー一覧を見る
温度計温湿度計湿度トランスミッター無線温度計無線温湿度計記録温湿度計紙記録温湿度計放射温度計放射温度センサー温湿度監視計器おんどとりデーターロガー防水・防滴温度データロガー耐熱データロガー低温用データロガー超低温用データロガー無線温湿度ロガー圧力データロガーガス濃度データロガー気象計器風速計ハンディ風速計設置型/据置型風速計露点計雨量計気圧計気流可視化装置重量秤防水秤台秤吊秤トラックスケール台車秤ハンドパレットスケール電子天秤検定付重量秤防爆重量秤個数秤農産物選別秤比重計厚さ計膜厚計デジタル距離計レーザーマーカー墨出機トルクゲージノギスマイクロメータシックネスゲージ騒音計照度計色計 光沢計/輝度計 色差計/色彩色差計白色度計紫外線測定器PH水質計水分計濁度計電気伝導率計/導電率計/EC計溶存酸素計(DO計)振動計衝撃計ガス測定器酸素濃度計二酸化炭素濃度計ホルムアルデヒド測定器オゾンガス濃度計ガス漏れ検知器環境測定器ニオイ臭気測定器金属探知器金属検出機食品用金属探知器検針機電気測定器電磁力計ガウスメーター/テスラメーター電磁波 電位計静電気測定器角度計水準器回転計スコヤ圧力計流量計プッシュプルゲージロードセルテンションメーター光学機器拡大鏡顕微鏡ファイバースコープカウンター表示器表示板/表示モニター/表示パネル糖度計屈折計濃度計塩分計酸度計アルコール濃度計健康管理熱中症計枚数計数機器粘度計粉塵計硬度計粗さ計液面計・水面計その他計測器中古測定機器

関連商品一覧

デジタル分析天秤/ 品番 MC20P-124WS 【詳細表示】
商品番号 MC20P-124WS 価 格
デジタル分析天秤/MC20P-124WS

高速応答、高安定性を実現 分析天びんの新たなステージへ

●迅速な計量で作業効率が大幅にUPします。
●静電気による影響を排除し、手間なく計量作業を行えます。
●USB標準装備。ユーザーをサポートする多彩な機能を有します。

デジタル分析天秤
品番 MC20P-124WS
価格は下記をご覧下さい

■特長
●迅速な計量で作業効率が大幅にUPします
1mgからの微量計測の応答時間を約2秒に短縮。
はかりとり作業の効率が大幅にUPします。

●静電気による影響を排除し、手間なく計量作業を行えます。
新型イオナイザ(MC20S321-73700-01S)を本体に装着可能※。
静電気による影響を排除し、手間なく信頼性の高い計量を実現。
※MC20P-YSシリーズを除く

●オプション
USB標準装備。
キーボードやプリンター、バーコードリーダーなどのさまざまな機器を接続することができます。

■迅速な軽量で作業効率が大幅にUPします。
●応答性能クラス最速
微量はりかとり応答時間を約7秒(メーカー従来製品)から1.5秒へ短縮。
※メーター内製品2016年7月調べ

●先進デジタル制御により高速・高安定性を実現
新方式の処理ソフト(AP-iシステム)を搭載。
計量フィーリングが向上し、心地よい使い勝手を実現しました。

先進のデジタル制御技術およびスムージング技術により、はかりとり作業には応答性の良い計量を、外乱の多い測定環境では安定性の高い計量を実現し、あなたの計量作業の効率UPをお約束します。

●新型イオナイザMC20S321-73700-01S(オプション)
除電時間が従来製品の10分の1に短縮
従来機では時間がかかった紛体の除電を高速化。
紛体を飛ばすことなく、見えない静電気を除去することができ、信頼性のある計量結果を得ることができます。
※除電時間(±1000V→±100V)代表例 ・MC20S321-73700-01S:1秒 ・従来品:10秒


●イオンバランスの経年変化が少ないAC方式を採用
天びん本体内蔵型、スタンド外置き型、自由に切り替え可能


■USB標準装備。ユーザーをサポートする多彩な機能を有します。
●USBで広がる拡張性(USBホストはMC20P-WSシリーズのみ)
USBとRS-232Cを標準装備しています。
プリンタとPCへの同時出力が可能です。
また、USBホストにより、USBメモリ・キーボード・バーコードリーダーの接続が可能になります。
転記ミスを防ぎ、PCなしでデータの記録が可能です。


・USBメモリ
計量結果をCSV形式でUSBメモリに保存することができます。
インターバル出力と組み合わせれば、長時間の経時変化をPCなしで記録できます。


・画面キャプチャ機能
測定画面を画像(BMP形式)として、USBメモリに保存することができ、レポート作成に便利です。
ユーザー名、時刻、計測条件、合否判定など、画面に表示されている情報をそのまま保存できるため、測定の記録や測定後の確認ができます。


・キーボード
市販のUSBキーボードを繋げることで、文字・数値入力が容易になります。
設定内容の文字入力、分銅協定値の入力、分銅協定値の入力、コンパレータ機能の上下限の設定、個数測定時のサンプル数入力等で便利にお使いいただけます。


・バーコードリーダー
バーコードリーダーを接続することができます。
バーコードを読み取るだけで、ユーザーの切換が可能です。
サンプルのIDをバーコードで管理することも可能です。


ログイン機能を使用した場合、ユーザー毎のパスワード入力が必要になります。
バーコードリーダーを使えば、各ユーザーが管理しているバーコードを読み取り、パスワード入力をせずにログインすることができます。

●見やすい有機ELディスプレイ採用
暗い場所でもハッキリ見える「有機ELディスプレイ」を採用。
見る角度を変えても視認性は変わりません。
上下左右±85度の広い視野角。
天びんの横で作業をしながらでも、表示部がはっきり見えます。
ドットマトリクスディスプレイの採用により、文字も読み取りやすくなっています。

多言語表示※に対応し、直観的で操作性の高いインターフェースを実現しました。
広い視野角により計量値の視認性が向上し、計量作業の効率UPにつながります。
※日本語、英語、中国語

●点検サポート機能
天びん点検をサポートします。
点検を選択すると、点検作業が手順どおりに画面に案内されます。
それに従って操作するだけで、どなたでも簡単に繰り返し性、偏置誤差などの点検を行うことができます。


■高速液体クロマトグラフをお使いのお客様に
●緩衝溶液調製モード(MC20P-WSシリーズのみ)
・HPLCでよく用いられる緩衝溶液(13種類)をサポート
リン酸(ナトリウム)緩衝溶液やクエン酸(ナトリウム)緩衝溶液の各主要pHの緩衝溶液調製のためのレシピを登録済みです。

・新規の緩衝溶液のレシピ登録が可能
デフォルトで登録されていない緩衝溶液であっても新規に登録することが可能です。

・画面指示に従って容易に緩衝溶液の調製が可能
画面上に必要なひょう量値が表示されるので面倒な計算が不要です。
また、ひょう量中でも、あとどの程度試料をはかり取る必要があるのかもアナログバーで一目で確認できます。

・作成記録の出力
いつ、だれが緩衝液を調製したかも簡単に印字出力することができます。

HPLCにおいて、成分分離やカラム寿命を向上させるために、移動相(溶離液)として緩衝溶液が用いられます。
緩衝溶液を調製する場合、pHメータを使用して酸あるいは塩基の添加量を調製する方法と、理論上計算された酸あるいは塩基の一定量をひょう量とし調整する方法がよく用いられます。
後者の場合は、天びんやピペットを用いて、規定量の酸及び塩基を水に溶解することで、一定のpHの緩衝液を再現よく調製することが可能です。
デジタル分析天秤では、緩衝溶液の種類と量を指定すると、ひょう量すべき酸・塩基の種類と量が表示され、表示値に従ってひょう量後に水を加えることで、緩衝溶液を容易に調製することができます。

作成例)100mMリン酸(ナトリウム)緩衝溶液pH=2.1を3Lを調製するため、50mMのリン酸水素ニナトリウム水和物と、50mMのリン酸二水素ナトリウム二水和物をひょう量として調整する場合


■試料(濃度)調製(MC20P-WSシリーズのみ)
ある成分の標準溶液を調製する場合、実際にはその成分の標準粉末が塩酸塩や水和物と なっており、望まれる濃度の目的成分の標準溶液を調製するために、面倒な計算を行ってからひょう量をする必要があります。
デジタル分析天秤では、そのようなケースにおいても、必要なひょう量値を自動算出することで、計算を省略してひょう量することができます。


■製薬業界のお客様に
●セキュリティの高いユーザー管理
ユーザーIDとパスワードでセキュアな運用が可能です。
ユーザーごとに権限を設定し、キャリブレーションや設定変更をロックすることもできます。
バーコードリーダーを用いたユーザーIDの管理にも対応 しています。


●各種規制に沿ったデータ印字
いつ、だれが計量したか?をカスタマイズ印字できます。
各項目ごとの出力可否、出力順序を自由に設定可能です。
ISO/GLP/GMPなどへの対応をサポートし、日付、時刻、校正記録等を目的に応じてプリントすることが可能です。

以下の情報を任意の順序で出力可能です。
・日付
・時刻
・ユーザー名
・ユーザーID
・社名
・天びん形名
・S/N(シリアル番号)
・ソフトVer
・天びんID
・最小計量値
・空行
・罫線(-------)

●最小計量値(警告機能)
天びんの指示に従い分銅を繰り返し測定、再現性の確認を行います。
標準偏差から最小計量値を自動的に算出し、記録します。
測定時にこの最小計量値に満たない場合は、点滅して警告します。


●レシピ調合(お好みの調合作業が実現)(MC20P-WSシリーズのみ)
あらかじめ登録しておいたレシピを呼び出して、試料調合作業の内容をご案内します。
薬品の調合に便利です。

■ユーザーをサポートする多彩な機能
●スマートセッティング
応答性、安定性の設定をワンタッチで、測定中に変更することができます。
用途に応じて設定を変更することでさらに使いやすくなります。
十字キーの左右でインジケータを操作します。
Rに近づければ応答性重視になり、はかりとりの作業がしやすくなります。
反対にSに近づけるとひょう量値が安定しやすくなり、振動のある環境で値を読み取りやすくなります。


●比重測定
オプションの比重測定キットと組み合わせることで、比重の測定も可能です。沈錘を用いれば液体比重も測定できます。 金属、ゴム、プラスチック等の比重が簡単にはかれます。


●PSC・タイマーCAL
PSC(Perfect Self Calibration)完全自動校正機能を搭載しています。
感度に影響を及ぼす室温の変化があったときに、天びんがそれを感知し自動的に校正を開始します。
また、タイマーCAL機能を使用すれば、予め設定した時刻(例えば,始業前,昼休み,終業後など)に天びんが自動的に校正します。


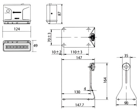
■外形寸法図


■イオナイザMC20S321-73700-01S寸法図


■仕様
品番 MC20P-124WS MC20P-224WS MC20P-324WS
ひょう量 120g 220g 320g
最小表示 0.1mg
校正分銅 内蔵
感度校正用
外部分分銅範囲
(推奨分銅値)
45~120.009g
(100g)
95~220.009g
(200g)
95~320.009g
(300g)
繰り返し性
(ひょう量負荷時)
0.1mg 0.15mg
繰り返し性
(低荷重時)
0.1mg(5g荷重) 0.1mg(10g荷重) 0.1mg(20荷重)
最小計量値※1 200mg
直線性 ±0.2mg ±0.3mg
応答時間※2 約2秒
USBホスト(Type A)
USBデバイス(Type B)
レシピ調合
HPLC用緩衝溶液調製
mol換算機能
試料(濃度)調製
点検サポート機能
タイマーCAL
イオナイザ(オプション)
使用温湿度範囲 5~40℃ 20~85%(※3)
感度の温度係数 ±2ppm/℃(10~30℃)
皿の大きさ 約φ91mm
本体寸法 約212(W)×367(D)×345(H)mm
重量 約7.0kg
表示器 有機EL表示器(ドットマトリクス)
定格電源 DC 12V 1.0A
入力電源(ACアダプタ) AC100V 270mA 50/60Hz
入出力端子 RS-232C(D-sub9Pプラグ) USBホスト(Type A)
USBデバイス(Type B) イオナイザ
価格 ¥216,000.- ¥244,000.- ¥272,000.-

品番 MC20P-124XS MC20P-224XS MC20P-324XS
ひょう量 120g 220g 320g
最小表示 0.1mg
校正分銅 内蔵
感度校正用
外部分分銅範囲
(推奨分銅値)
45~120.009g
(100g)
95~220.009g
(200g)
95~320.009g
(300g)
繰り返し性
(ひょう量負荷時)
0.1mg 0.15mg
繰り返し性
(低荷重時)
0.1mg(5g荷重) 0.1mg(10g荷重) 0.1mg(20荷重)
最小計量値※1 200mg
直線性 ±0.2mg ±0.3mg
応答時間※2 約2秒
USBホスト(Type A) -
USBデバイス(Type B)
レシピ調合 -
HPLC用緩衝溶液調製 -
mol換算機能
試料(濃度)調製 -
点検サポート機能
タイマーCAL
イオナイザ(オプション)
使用温湿度範囲 5~40℃ 20~85%(※3)
感度の温度係数 ±2ppm/℃(10~30℃)
皿の大きさ 約φ91mm
本体寸法 約212(W)×367(D)×345(H)mm
重量 約7.0kg
表示器 有機EL表示器(ドットマトリクス)
定格電源 DC 12V 1.0A
入力電源(ACアダプタ) AC100V 270mA 50/60Hz
入出力端子 RS-232C(D-sub9Pプラグ)
USBデバイス(Type B) イオナイザ
価格 ¥169,000.- ¥188,000.- ¥225,000.-

品番 MC20P-124YS MC20P-224YS MC20P-324YS
ひょう量 120g 220g 320g
最小表示 0.1mg
校正分銅 なし
感度校正用
外部分分銅範囲
(推奨分銅値)
45~120.009g
(100g)
95~220.009g
(200g)
95~320.009g
(300g)
繰り返し性
(ひょう量負荷時)
0.1mg 0.15mg
繰り返し性
(低荷重時)
0.1mg(5g荷重) 0.1mg(10g荷重) 0.1mg(20荷重)
最小計量値※1 200mg
直線性 ±0.2mg ±0.3mg
応答時間※2 約2秒
USBホスト(Type A) -
USBデバイス(Type B)
レシピ調合 -
HPLC用緩衝溶液調製 -
mol換算機能 -
試料(濃度)調製 -
点検サポート機能 -
タイマーCAL -
イオナイザ(オプション) -
使用温湿度範囲 5~40℃ 20~85%(※3)
感度の温度係数 ±2ppm/℃(10~30℃)
皿の大きさ 約φ91mm
本体寸法 約212(W)×367(D)×345(H)mm
重量 約6.5kg
表示器 有機EL表示器(ドットマトリクス)
定格電源 DC 12V 1.0A
入力電源(ACアダプタ) AC100V 270mA 50/60Hz
入出力端子 RS-232C(D-sub9Pプラグ) USBデバイス(Type B)
価格 ¥160,000.- ¥169,000.- ¥188,000.-


※1:USP41準拠。メーカー工場にてひょう量の約5%の分銅で試験した値です。最小計量値は据付環境に影響されるため、実際の使用環境にて測定する必要があります。
※2:応答時間は代表値です。
※3:結露しないこと。

■オプション
●イオナイザ/品番 MC20S321-73700-01S

品番 MC20S321-73700-01S
除電方法 交流コロナ放電
イオンバランス※1 ±10V
除電範囲 距離(吹出口から): 約50mm~400mm
除電時間※2 1秒
オゾン濃度 0.06ppm以下(吹出口から150mm中央)
放電電極(材質) タングステン 寿命約30,000時間
使用環境 0℃~40℃ 25%~85%RH以下(結露なきこと)
定格電源 DC24V 1.0A
入力電源(ACアダプタ) AC100V 0.58A 50/60Hz
重量 約710g(イオナイザ本体:約395g、スタンド:約315g)
本体寸法 約124×87×49mm
価格
※1:吹出口中央から距離100mm CPM(チャージドプレートモニター)150×150mmプレート20pFで測定した時の代表値。(工場出荷時)
※2:放電針から距離100mmで、±1000Vの帯電状態から±100Vまでの除電時間。(工場出荷時)


●その他オプション


品番 品名 価格
MC20P-100S 電子プリンター ¥61,000.-
MC20P-110S 電子プリンター ¥83,500.-
MC20S321-73904S 電子プリンター用ロール紙 ¥9,500.-
MC20MK-601S 比重測定キット ¥47,000.-
MC20S321-71730-41S USBケーブルセット ¥8,600.-
MC20S321-73469S ACアダプター ¥4,200.-
MC20S321-73668-01S 表示部保護カバー ¥2,300.-
MC20S321-74150-01S 風防内部プレート ¥15,000.-

運賃、および消費税は、記載価格には、含まれていません。

[トップページに戻る] [注文書] [見積り依頼] TEL 0729-64-8663 FAX 0729-61-4874

営業時間 AM9:00~PM7:00 営業日 月曜日~金曜日 定休日 土曜日 日曜日 祝日