温度センサー

記録温湿度計

業務機器&資材 シロ産業 HOME
新製品情報 在庫処分情報 会社概要
見積依頼 ご注文フォーム お問い合わせ
業務用機材商社一筋で、創業41年。東大阪市商工会議所会員、2005年度IT百選企業。
国公立大学、研究所、自衛隊、警察庁 など主な国公立機関に納入実績多数。医療機器販売業免許取得済

包装資材 包装機械 物流機器 測定機器 洗剤 ケミカル 蛍光灯 季節品-夏 季節品-冬 弱電工具 ホイスト 環境機器 掃除機 ムーブテック 切削工具 機械工具調理厨房機器 研究室用品 安全防犯防災品 エクステリア 新商品 在庫処分


カテゴリー第二分類(測定機器)
測定機器カテゴリー一覧を見る
温度計温湿度計湿度トランスミッター無線温度計無線温湿度計記録温湿度計紙記録温湿度計放射温度計放射温度センサー温湿度監視計器おんどとりデーターロガー防水・防滴温度データロガー耐熱データロガー低温用データロガー超低温用データロガー無線温湿度ロガー圧力データロガーガス濃度データロガー気象計器風速計ハンディ風速計設置型/据置型風速計露点計雨量計気圧計気流可視化装置重量秤防水秤台秤吊秤トラックスケール台車秤ハンドパレットスケール電子天秤検定付重量秤防爆重量秤個数秤農産物選別秤比重計厚さ計膜厚計デジタル距離計レーザーマーカー墨出機トルクゲージノギスマイクロメータシックネスゲージ騒音計照度計色計 光沢計/輝度計 色差計/色彩色差計白色度計紫外線測定器PH水質計水分計濁度計電気伝導率計/導電率計/EC計溶存酸素計(DO計)振動計衝撃計ガス測定器酸素濃度計二酸化炭素濃度計ホルムアルデヒド測定器オゾンガス濃度計ガス漏れ検知器環境測定器ニオイ臭気測定器金属探知器金属検出機食品用金属探知器検針機電気測定器電磁力計ガウスメーター/テスラメーター電磁波 電位計静電気測定器角度計水準器回転計スコヤ圧力計流量計プッシュプルゲージロードセルテンションメーター光学機器拡大鏡顕微鏡ファイバースコープカウンター表示器表示板/表示モニター/表示パネル糖度計屈折計濃度計塩分計酸度計アルコール濃度計健康管理熱中症計枚数計数機器粘度計粉塵計硬度計粗さ計液面計・水面計その他計測器中古測定機器

関連商品一覧


温度センサー/ 品番 M2420SW-901AT 【詳細表示】
商品番号 M2420SW-901AT 価 格
温度センサーM2420SW-901AT M2420SW-901ATシリーズは、ワイヤレスセンサーと受信機、ゲートウエイなどの周辺機器から構成されます。
内蔵電池と補助用のソーラセルを搭載し10年以上の長寿命と、920MHz帯特定小電力無線で約60mまで届く性能を実現しています。
無線規格はEnOcean規格(ISO/IEC14543-3-10)を採用し、パソコンでの読み出し、インタネット網への接続、遠隔監視などのシステムを簡単に組むことができます。
温度センサー
品番 M2420SW-901AT
廃番
■オールインワン・モニターセット
●7インチモニタ付きと液晶テレビ対応の2種類
●センサを設置して電源を入れるだけ
●温湿度センサ1個付きの入門用


■ワイヤレスセンサの便利さを手軽に
●7インチ液晶またはデータコレクタと受信機、温湿度センサをワンパッケージにした手軽な遠隔モニタセットです。
●電源を入れるだけでワイヤレスセンサのシステムが立ち上がり、MicroSDカードに自動記録(csv形式)します。
●920MHz帯無線でセンサと受信機間の通信距離60m程度です。
●M2420SW-901ATシリーズの各種センサを増設できます。
●EnOcean規格(ISO/IEC14543-3-10) に準拠しています。
●M2420SW-9000BTは液晶テレビやモニターに接続して画面に表示できます。(HDMI端子付き)
●遠隔モニタシステムなどへの拡張にも対応しています。
※本製品のタブレット、スティックPCの信頼性は日本製と同等ではありません。
M2420SW-9000AT
M2420SW-9000BT
品番 M2420SW-970MT M2420SW-900CT 品番 M2420SW-902AT
画面 7インチ IPS 1024×600 - 測定範囲 -20~60℃、0~100%RH
動作環境 5~40℃、0~90%RH 5~40℃、0~90%RH 測定周期 10秒
外形寸法 188.5×108.5×8.5mm 112×36×11.5mm 外形寸法 82×24×12mm
重量 約271g 約42g 重量 約22g



品番 M2420SW-9000AT M2420SW-9000BT
名称 無線温湿度データーロガーモニターセット 無線温湿度データーロガーコレクターセット
構成 M2420SW-970MT(データーロガーモニター)
受信機(M2420SW-900UT)、
温湿度センサ(M2420SW-902AT)、
MicroSD、ACアダプタ、ケーブル
M2420SW-900CT(データーコレクターモニター)
受信機(M2420SW-900UT)、
温湿度センサ(M2420SW-902AT)、
MicroSD、ACアダプタ、ケーブル


■EnOceanとは
EnOceanとは光や温度、振動など比較的微弱なエネルギーを集めて電力に変換する「エネルギーハーベスト技術(環境発電技術)」の一つで、変換した電力で無線通信する国際規格(ISO/IEC 14543-3-10)です。
300社以上の企業が採用しており1200種類以上の製品が出ています。
各種スイッチや窓の開閉検知、動体センサーなど、ビルオートメーションやFAの領域で採用されています。
EnOceanのISO規格は物理層からアプリケーション層までを含む規格です。
日本では、315MHz、928MHzの周波数を使った特定小電力無線局の無線機器という扱いになります。


■通信プロトコルについて
通信プロトコルの特長として冗長性(最低3回のリトライ)の確保が取られています。
通常1度の送信信号には3回のコマンド信号が含まれます。
3回から最大6回(用途によって設定が可能)のコマンド信号を25ミリ秒の間にランダムに送信します。
これはサイクリックなノイズや非同期な複数の通信に対して同期する事を避けるリトライを目的としています。
個々のコマンド信号は32ビットのIDにより構成されますが内、24ビットはユニークなアドレス設定に用いられます。
24ビットのユニークなアドレスを持つことで約1万7千個のアドレスを持つことが可能であり、例えば大規模オフィスビルで全ての照明にEnOceanの技術を用いても同じアドレスによる混線を避ける充分なアドレス数が確保できます。


■928MHz帯通信とは
2012年7月25日から2.4GHz帯に加えて新たに920MHz帯がISMバンドとして割り当てられ日本国内で使用できました。
ISMバンドとはIndustrial, Scientific and Medical Bandの略で主に産業、科学、医療向け用途に割り当てられた周波数帯域で免許不要で使用することが出来ます。
920MHzは2.4GHzと比較して到達距離が長く、回折性が高いので障害物を回りこんで通信できるとしています。
920MHz帯無線は別名サブギガ帯無線と呼ばれています。サブギガ帯無線とは1GHz以下の周波数帯のことを意味します。
サブギガ帯という呼び名はWiFiやBluetoothで使用されている2.4GHzとの対比としてよく使われます。
具体的な数字で呼ばずにサブギガと呼ぶ理由は、2.4GHz帯は世界共通で使用できる周波数ですが、サブギガ帯は国により使用できる周波数帯が異なるためです。
日本国内で従来から使用されている周波数帯としては315MHz帯、400MHz帯があります。
928MHz対応のEnOceanセンサは、電波出力が従来の315MHz版に比べて10倍となっています。
電波が届くか確認してみたところ100m程度迄確認でき、これまで設置できなかった壁越しや野外での設置性が向上すると期待されます。

■基本校正
●基本的な構成は各種センサとUSB受信機(M2420SW-900UT)を装着したWindowsパソコンとなります。
●1台のパソコンについて接続できるセンサの個数に制限はありません。
●各センサの情報は専用アプリソフトでモニターできます。
●センサと受信機の距離は最大で約60mですが、障害物や位置関係などで短くなることがあります。
●レピータ(M2420SW-900RT)をセンサと受信機の間に設置することで約2倍まで距離を伸ばすことができます。
●基本的な構成を手軽に体験していただけるオールインワンセット(M2420SW-9000AT/M2420SW-9000BT)を用意しております。


■遠隔監視システム構成
●Wifiゲートウエイ(M2420SW-900WT)や3Gゲートウエイ(M2420SW-900GT)をセンサと接続することで、クラウドサーバなどでの遠隔監視システムが構築できます。
●ゲートウエイに接続できるセンサは無制限です。
●センサとゲートウエイ間の距離は約60mですが、障害物や位置関係で短くなることがあります。
●センサとゲートウエイ間にレピータを設置すると通信距離は約2倍に伸ばせます。
●サーバのデータをスマホやタブレットなどでモニタすることも可能です。


■データロギング構成
●各種センサのデータをMicroSDカードに記録し、パソコンの表計算ソフトで編集/グラフ化などができます。
●ネットワークを使用せずに手軽にデータロギングを行なうことができます。
●電源を入れると自動的に記録が開始され、データにはタイムスタンプが付きます。
●データコレクタのHDMI端子を液晶テレビに接続すると、画面でリアルタイムでデータをモニタ
できます。
●基本的な構成を手軽にご利用いただけるオールインワンセット(M2420SW-9000BT)も用意しております。


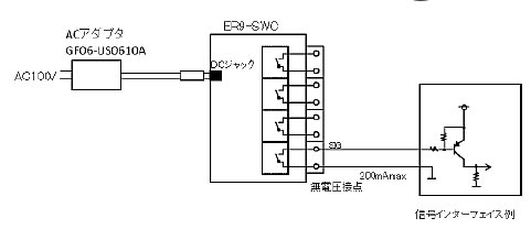
■リモート警報接点構成
●警報センサ(M2420SW-903AT)の開閉信号を送信し、リモート警報接点(M2420SW-903AT)で受信するとデジタル出力(トランジスタ出力)をON/OFFします。
●リモート警報接点は出力4点を有し、最大30個のセンサを割り付けることができます。
●出力はトグル動作、モーメンタリ動作を選択できます。
●出力はシーケンサなどに接続したり、リレーを駆動させることでブザーや警告灯を動作させることができ
ます。
●センサとリモート警報接点との距離は最大60mですが、障害物や位置関係で短くなることがあります。
●センサとリモート警報接点の間にレピータ(M2420SW-900RT)を設置すると通信距離は約2倍に伸びます。
※通信の異常時に生命・財産に影響が生じる場合や重大な被害を及ぼす恐れがある場合は絶対に使用しないでください。


■電力モニター構成
●電源を必要としない交流CTセンサで電流を計測し、電力値としてデータを送信します。
●ケーブルをクランプするだけで工事は不要です。
●クランプ内を通過する電流による電磁誘導で発電、蓄電して動作します。
●2つのクランプ内を通る電流値(総和)から電力に換算します。



■温度センサ/温湿度センサ
●M2420SW-901AT/M2420SW-902ATは半導体式/高分子薄膜式センサを使用し、高精度な測定ができます。
●内蔵電池と補助用のソーラセルを搭載し10年以上の長寿命と、920MHz帯特定小電力無線で約60mまで届く性能を実現しています。
●無線規格はEnOcean規格(ISO/IEC14543-3-10)を採用しています。
●レピータによる通信距離の延長、ゲートウエイによる遠隔監視などのシステム化が簡単に実現できます。
品番 M2420SW-901AT
測定範囲 0~40℃
測定精度 ±0.5℃(17~27℃)、±1℃(その他温度域)
測定周期 6分間隔
最大動作時間 約10年
動作環境 -25~65℃、0~90%RH
通信フォーマット EnOcean(EEP:A5-02-05)
通信周波数 928.35MHz
送信出力 1mW
認証規格 ARIB STD T-108
保護構造 IPX6(耐水構造)
外形寸法 82(W)×24(D)×12(H) mm
重量 約22g
品番 M2420SW-902AT
測定範囲 -20~60℃/0~100%RH
測定精度 ±0.4℃(5~60℃)、±0.7℃(-20~5℃)
±3%RH(20~80%RH25℃)、±6%RH(その他)
測定周期 6分間隔
最大動作時間 約10年
動作環境 -25~65℃
通信フォーマット EnOcean(EEP:A5-04-03)
通信周波数 928.35MHz
送信出力 1mW
認証規格 ARIB STD T-108
保護構造 IPX4(耐水構造)
外形寸法 82(W)×24(D)×12(H) mm
重量 約22g


■警報センサ/開け閉めセンサ
●M2420SW-903AT/M2420SW-903BT接点の開閉を検知すると、その情報を送信します。
M2420SW-903BTはマグネットにより開閉を検知します。
●内蔵電池と補助用のソーラセルを搭載し10年以上の長寿命と、920MHz帯特定小電力無線で約60mまで届く性能を実現しています。
●無線規格はEnOcean規格(ISO/IEC14543-3-10)を採用しています。
●レピータによる通信距離の延長、ゲートウエイによる遠隔監視などのシステム化が簡単に実現できます。



※端子台はイメージです。
品番 M2420SW-903AT
送信周期 接点入力のON/OFFごと
および30分ごとに直近の状態通知
(死活監視)
最大動作時間 約10年
動作環境 -25~65℃、0~90%RH
通信フォーマット EnOcean(EEP:D5-00-01)
通信周波数 928.35MHz
送信出力 1mW
認証規格 ARIB STD T-108
保護構造 IPX6(耐水構造)
外形寸法 101(W)×24(D)×16(H) mm
重量 約22g
品番 M2420SW-903BT
送信周期 接点入力のON/OFFごと
および30分ごとに直近の状態通知
(死活監視)
最大動作時間 約10年
動作環境 -25~65℃、0~90%RH
通信フォーマット EnOcean(EEP:D5-00-01)
通信周波数 928.35MHz
送信出力 1mW
認証規格 ARIB STD T-108
保護構造 IPX6(耐水構造)
外形寸法 101(W)×24(D)×16(H) mm
重量 約22g



■照度センサ/大気圧センサ
●M2420SW-904ATは明るさを検出して照度データを送信します。
M2420SW-905ATは大気圧を検出してデータを送信します。
●内蔵電池と補助用のソーラセルを搭載し10年以上の長寿命と、920MHz帯特定小電力無線で約60mまで届く性能を実現しています。
●無線規格はEnOcean規格(ISO/IEC14543-3-10)を採用しています。
●レピータによる通信距離の延長、ゲートウエイによる遠隔監視などのシステム化が簡単に実現できます。

品番 M2420SW-904AT
測定範囲 0~510lx/0~1020lx
測定精度 ±15lx
分解能 8bit
最大動作時間 約10年
測定周期 12分間隔
動作環境 -25~65℃
通信フォーマット EnOcean(EEP:A5-6-2)
通信周波数 928.35MHz
送信出力 1mW
認証規格 ARIB STD T-108
保護構造 IPX6(耐水構造)
外形寸法 101(W)×24(D)×16(H) mm
重量 約29g
品番 M2420SW-905AT
測定範囲 500hPa~1150hPa
測定精度 ±10hPa
分解能 10bit
最大動作時間 約10年
測定周期 60分間隔
動作環境 -25~65℃
通信フォーマット EnOcean(EEP:A5-5-1)
通信周波数 928.35MHz
送信出力 1mW
認証規格 ARIB STD T-108
保護構造 IPX4(防沫構造)
外形寸法 101(W)×24(D)×16(H) mm
重量 約22g



■CO2センサ
●M2420SW-906ATはNDIR方式のCO2センサを搭載し、周囲のCO2濃度データを送信します。
●ソーラセルで発電、蓄電して、そのエネルギーで動作するため、メンテナンスフリーです。
●無線規格はEnOcean規格(ISO/IEC14543-3-10)を採用しています。
●レピータによる通信距離の延長、ゲートウエイによる遠隔監視などのシステム化が簡単に実現できます。
●通信距離は見通しで約150mのエリアをカバーしています。

■特長
●一定周期で二酸化炭素(CO2)濃度値、温度値、湿度値と固有のIDを送信します
●ソーラーセルで内蔵電池を補助し、長寿命/メンテナンスフリー

品番 M2420SW-906AT
CO2測定範囲 0~2,550ppm
温度測定範囲 0~51℃
湿度測定範囲 0~100%RH
測定精度 ±30ppm
測定周期 3分~10分間隔
最大動作時間 約10年
動作環境 -5~40℃
通信フォーマット EnOcean(EEP:A5-9-4)
通信周波数 928.35MHz
送信出力 1mW
認証規格 ARIB STD T-108
保護構造 なし(室内専用)
外形寸法 115(W)×76(D)×38(H) mm
重量 約140g



■人感センサ(壁型)/(天井型)
●電池交換を必要としない人感センサです。
●検知エリア内に動体があれば人感有と検知し、固有のIDと状態を送信します。
●通信範囲は約150m(見通し)です。
●無線規格はEnOcean規格(ISO/IEC14543-3-10)を採用しています。
●レピータによる通信距離の延長、ゲートウエイによる遠隔監視などのシステム化が簡単に実現できます。
品番 M2420SW-907AT
検知範囲 広角レンズで<12m(半径)、
長距離レンズで<30m(垂直方向)
最低照度 200lx(検知有送信可能:50lx以上)
送信間隔 人感有(検知2分後)、
人感無(検知10分後と30分後)
最大動作時間 約20年
動作環境 -10~40℃、20~95%RH
通信フォーマット EnOcean(EEP:A5-07-01)
送信出力 1mW
認証規格 ARIB STD T-108
外形寸法 148(W)×64(D)×45.7(H) mm
重量 約116g
品番 M2420SW-907BT
検知範囲 半径6m(高さ3mの天井設置)
最低照度 200lx(検知有送信可能:50lx以上)
送信間隔 人感有(検知2分後)、
人感無(検知10分後と30分後)
最大動作時間 約20年
動作環境 -10~40℃、20~95%RH
通信フォーマット EnOcean(EEP:A5-07-01)
送信出力 1mW
認証規格 ARIB STD T-108
外形寸法 160(W)×60(D)×37(H) mm
重量 約125g
品番 M2420SW-907CT
検知範囲 半径5m 扇型上下82度、左右94度
送信間隔 人感有(検知後3秒以内送信、1分間隔
人感無(検知1分以内、4分間隔)
最大動作時間 約10年
動作環境 -5~40℃、20~95%RH、結露不可
通信フォーマット EnOcean(EEP:A5-07-01)
送信距離 150m(見通し)
認証規格 ARIB STD T-108
外形寸法 70(W)×50(D)×35(H) mm
重量 約60g



■CTセンサ(2相)/(3相)
●交流CTセンサで電流を計測し、電力値としてデータを送信します。
●クランプ内を通過する電流による電磁誘導で発電するため、電源を必要としません。
●ケーブルをクランプするだけで工事は不要です。
●通信距離は約150mです。
●無線規格はEnOcean規格(ISO/IEC14543-3-10)を採用しています。
品番 M2420SW-912AT
電源 30W~6000W(AC)
測定範囲 ±1%
測定精度 約30秒間隔(負荷30W以上)、
不定期(30W未満)
測定周期 -5~40℃
動作環境 EnOcean(EEP:A5-12-01)
通信フォーマット ARIB STD T-108
認証規格 IP20相当
本体寸法 38(W)×55(D)×14(H) mm
クランプ部寸法 24×26×34mm
最大ケーブル径 φ13mm
重量 約100g
品番 M2420SW-913AT
電源 電磁誘導
測定範囲 1~60A、2~200A、2~600A (AC50/60Hz)
測定精度 ±1%FSD
測定周期 約30秒間隔
動作環境 -5~40℃
通信フォーマット EnOcean(EEP:D2-32-02)
認証規格 ARIB STD T-108
保護構造 IP20相当
本体寸法 38(W)×55(D)×14(H) mm
クランプ部寸法 60A 24×26×34mm
200A 24×26×34mm
600A 24×26×34mm
最大ケーブル径 φ13mm(60A)
φ24mm(200A)
φ36mm(600A)
重量 約100g



■USB受信機/レピータ
●M2420SW-900UTはパソコン等のUSBポートに接続して920MHz帯の電波を受信するための受信機です。
●M2420SW-900UTにはパソコン用アプリケーションソフトが付属しており、そのパソコン以外では機能しません。
●M2420SW-900RTは各センサと受信機の間に設置することで、受信した電波をそのまま再送信する装置で、通信距離を約2倍まで伸ばすことが可能です。
●通信距離は約60mです。
●無線規格はEnOcean規格(ISO/IEC14543-3-10)を採用しています。
品番 M2420SW-900UT
電源 DC6V/1A(ACアダプタ付属)
動作環境 0~40℃、0~90%RH
アンテナ 内蔵ホイップアンテナ
通信周波数 928.35MHz
送信出力 1mW
認証規格 ARIB STD T-108
保護構造 なし(屋内専用)
外形寸法 70(W)×35(D)×127(H) mm
重量 約100g
品番 M2420SW-900RT
電源 DC6V/1A(ACアダプタ付属)
動作環境 0~40℃、0~90%RH
アンテナ 内蔵ホイップアンテナ
通信周波数 928.35MHz
送信出力 1mW
認証規格 ARIB STD T-108
保護構造 なし(屋内専用)
外形寸法 70(W)×35(D)×127(H) mm フランジ含む
重量 約100g





■Wifiゲートウエイ/3Gゲートウエイ
●M2420SW-900WTは920MHz帯の電波を受信して無線LAN(Wifi)に接続する装置です。
●M2420SW-900GTは920MHz帯の電波を受信して携帯電話回線(3G/LTE)に接続する装置です。
●ゲートウエイを使用することでインタネット網に接続して遠隔でのセンサ情報のモニタができます。
●無線規格はEnOcean規格(ISO/IEC14543-3-10)を採用しています。

品番 M2420SW-900WT
動作環境 5~40℃、0~90%RH
伝送内容 センサ/ゲートウエイ間(EEP)、
無線LAN(ESP3 over TCP)
通信周波数 928.35MHz
接続数 センサ最大30個
標準アンテナ 無指向性0dBi
無線LAN規格 IEEE802.11b/g/a
無線LANセキュリティ Open/WEP/WPA-PSK/WPA2-PSK
外形寸法 105(W)×70(D)×20(H)mmアンテナ含まず
重量 本体約107g、ACアダプタ約73g
品番 M2420SW-900GT
動作環境 5~40℃、0~90%RH
通信周波数 928.35MHz
接続数 センサ最大30個
標準アンテナ 無指向性0dBi
無線LAN規格 IEEE802.11b/g/a
無線LANセキュリティ Open/WEP/WPA-PSK/WPA2-PSK



■リモート警報接点/インラインスイッチ
l●M2420SW-914ATは警報センサの接点情報を受信し、搭載する4点の出力をON/OFFすることができるリモート接点です。
●M2420SW-911ATは警報センサの接点情報を受信すると、内部のパワーリレーをON/OFFすることで、負荷の電源を入り切りするインラインスイッチです。
●通信距離は約150mです。
●無線規格はEnOcean規格(ISO/IEC14543-3-10)を採用しています。


品番 M2420SW-914AT
電源 DC6V/1A(ACアダプタ付属)
消費電力 最大1W
出力点数 4点
出力仕様 無電圧a接点絶縁型フォトMOSリレー
接点容量 200mA以下/DC12V以下ON抵抗5Ω以下
動作モード ロッカー/トグル/モーメンタリ
動作環境 0~40℃、0~90%RH
通信フォーマット EnOcean
通信周波数 928.35MHz
送信出力 1mW
認証規格 ARIB STD T-108
保護構造 なし(屋内専用)
外形寸法 50.4(W)×29.5(D)×90.4(H) mm フランジ含
重量 約67g
 
 
 
品番 M2420SW-911AT
電源 AC100~200V(単相) 50/60Hz
消費電力 最大1.1W、待機時0.5W
出力点数 1点
出力仕様 無電圧a接点
接点容量 15A(抵抗負荷) AC100V~200V TV-5準拠
動作モード ロッカー/トグル/モーメンタリ
動作環境 -10~40℃、0~90%RH
通信フォーマット EnOcean
通信周波数 928.35MHz
通信距離 約50m(見通し)
認証規格 ARIB STD T-108、PSE(電気用品安全法)
外形寸法 50(W)×90(D)×30(H) mm
重量 約120g




■使用上の注意
・本製品は日本国内専用です。海外では電波法に対応しておりませんのでご使用しないでください。
・本製品は無線機器ですので、外乱などにより電波が届かないことがあります。
・間違った使い方によって火災や感電などの人身事故になることがあり、大変危険です。
・事故を防ぐために取扱説明書をよくお読みいただき、正しくお使いください。
・本製品を正しくお使いいただくため取扱説明書をよくお読みください。(弊社ホームページからダウンロードできます)
・本製品で使用している温湿度センサは経年劣化しますので、大きくずれてきましたら新品とお取替えください。
・本製品は計測器ではありませんので、厳密な測定/記録やトレーサビリティには対応しておりません。
計測したデータを基に、身体や財産などに損害を与えるような使い方は避けてください。
・本製品は温度、湿度、照度、気圧、CO2濃度の校正サービスは行なっておりません。
・温湿度センサは高湿度と低湿度を繰り返すような環境に適しております。
高湿度(80%RH以上)環境下に長期間継続的に置いておくと、湿度値がずれてくることがあります。
1ヶ月に1回、60時間程度低湿(40%RH以下)環境に置くと正常復帰いたします。
・温湿度センサで使用している高分子薄膜式センサは原理上、有機ガス(トルエン、ベンゼン、フロン類、ジクロロメタンなど)環境下に置くと、センサ表面が汚染されて湿度がずれたり、計測不能に陥る可能性があります。
湿度が正しく測れなくなりましたら新品と交換してください。
一部の塩化ビニルや梱包材から発生する有機ガスによっても汚染されることがあります。
・本製品のソーラーセルを塞いだり、汚れが付かないようご注意ください。
汚れた場合は軽くぬらした布等を使って拭き取ってください。
・内蔵電池は特性上、高温下では自然放電が大きくなりますので、保管時は涼しいところに置いてください。
・本製品は保証された温度/湿度範囲内でお使いください。
結露などにより水滴が付着すると故障、破損の原因となりますので、ご注意ください。
・強い衝撃や振動を与えると故障の原因となりますので、ご注意ください。
・アプリソフトは最新版をご使用ください。なお予告なく性能改善のためのバージョンアップを行なうことがあります。
・基板上には半導体部品を搭載しておりますので、静電気で故障、破損する可能性があります。
ケースを開けて基板を取り出したり、改造等をしないでください。
・パソコン用ソフトウエアはパソコンの設定によっては正しく動作しないことがあります。
・本製品は9208.35MHzの無線(E-Ocean規格)を使用しておりますが、同一周波数でも他規格の製品とは通信できません。
・保証は製品出荷後1年です。

運賃、および消費税は、記載価格には、含まれていません。

[トップページに戻る] [注文書] [見積り依頼] TEL 0729-64-8663 FAX 0729-61-4874

営業時間 AM9:00~PM7:00 営業日 月曜日~金曜日 定休日 土曜日 日曜日 祝日