重量物用大型デジタル台はかり
重量秤
業務用機材商社一筋で、創業41年。東大阪市商工会議所会員、2005年度IT百選企業。
国公立大学、研究所、自衛隊、警察庁 など主な国公立機関に納入実績多数。医療機器販売業免許取得済
■包装資材 ■包装機械 ■物流機器 ■測定機器 ■洗剤 ■ケミカル ■蛍光灯 ■季節品-夏 ■季節品-冬 ■弱電工具 ■ホイスト ■環境機器 ■掃除機 ■ムーブテック ■切削工具 ■機械工具■調理厨房機器 ■研究室用品 ■安全防犯防災品 ■エクステリア ■新商品 ■在庫処分
測定機器カテゴリー一覧を見る

| 重量物用大型デジタル台はかり/品番 M2W-300KCA |
【詳細表示】 |
| 商品番号 |
M2W-300KCA |
価 格 |
 |
重量物用大型デジタル台はかり
品番 M2W-300KCA
価格は下記をご覧下さい |
計量部600×700mmの大型台はかり
生産ラインや物流の現場の作業効率アップ
ひょう量:300kg/600kg
このシリーズは非検定品です。検定付きモデルはこちら

■特長
●シングルレンジの高分解能(1/6000)
●見やすい3色5段コンパレータライト + 設定に便利なテンキー付き
パック詰めなどの作業に便利な「上限値・下限値」の設定を、3色のコンパレータライトで表示
「少ない・ちょうどよい・多い」を感覚的に判断可能
更に設定を5段階にすれば「 ちょっと少ない・ちょっと多い」も追加可能で作業効率アップ!
●簡単設定
上限値・下限値の設定や、様々な機能を設定するのに便利なテンキー付き

●選べるインタフェース(オプション)
USBとRS-232Cを2chまで取付可能、さらにリレー出力も取付可能

●表示部は上方向に角度調整可能(4段階)
●別売の表示器スタンド(M2W-15)または壁掛け金具(M2VW-11CNA)でポール取り外し可能
●品番末尾KCAの電源は、ACアダプターと乾電池の2Wayタイプ
●品番末尾KCPAはプリンタ内蔵タイプ

■用途
●入出荷管理に
加算・累計機能 : 複数の計量結果を加算~最後に合計値表示
個数計機能 : ネジやワッシャーなどの個数カウントが可能
●生産ラインで
RS-232Cからコマンドを送れます。
計量値要求、風袋引き、風袋引き数値入力、コンパレータの上下限値要求&入力も可能。
●物流現場で
計量皿は頑丈で錆びにくいステンレス製(SUS430)
首ふり機能縦方向に4段階調整が可能
表示部の分離可能(別売品:壁掛け金具/延長ケーブルもご用意)
■タイプ
M2W-300KCA/M2W-600KCA
M2V-300KCA/M2V-600KCA |
M2W-300KCPA/M2W-600KCPA
M2V-300KCPA/M2V-600KCPA |
 |
 |
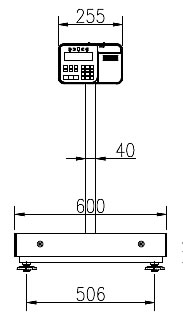
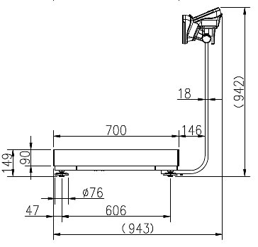
■寸法図
 

■寸法図
 

■共通仕様
| 品番 |
M2W-KCA/KCPA |
M2V-KCA/KCPA |
| サンプル数 |
5 個
(10 個、20 個、50 個、100 個 切替可能) |
| 最大計数値 |
60,000 個 |
| 表示 |
バックライト付 7 セグメント液晶表示 文字高 26 mm
3色5 段コンパレータ LED 表示書換周期:10 回/秒 |
| スパンドリフト |
±20 ppm/°C typ. (5 °C~35 °C) |
| 電源※1 |
プリンターなし |
ACアダプタ(AC100V+10%~-15% 50Hz/60Hz 20VA
または、単一形乾電池×4 個 |
|
プリンター付き |
ACアダプタ(AC100V+10%~-15%50Hz/60Hz 100VA |
| 使用環境 |
-10℃~40℃
85%R.H. 以下(結露しないこと) |
| 計量皿寸法 |
600×700mm |
外形寸法
(幅×奥行×高さ) |
600×943×942mm |
| 質量 |
45kg |
※1:電池寿命:約600時間 (アルカリ乾電池使用時) バックライトオフ時
| 品番 |
タイプ |
ひょう量 |
最小表示 |
再現性
(標準偏差) |
直線性 |
質量 |
プリンター |
| M2W-300KCA |
シングルレンジ |
300kg |
0.05kg |
0.1kg |
±0.1kg |
45kg |
- |
| M2W-300KCPA |
46kg |
〇 |
| M2W-600KCA |
600kg |
0.1kg |
0.2kg |
±0.2kg |
45kg |
- |
| M2W-600KCPA |
46kg |
〇 |
| M2V-300KCA |
デュアルレンジ |
150kg
300kg |
0.05kg
0.1kg |
0.05kg
0.1kg |
±0.05kg
±0.1kg |
45kg |
- |
| M2V-300KCPA |
46kg |
〇 |
| M2V-600KCA |
300kg
600kg |
0.1kg
0.2kg |
0.1kg
0.2kg |
±0.1kg
±0.2kg |
45kg |
- |
| M2V-600KCPA |
46kg |
〇 |
※2:表示単位はkg(キログラム)です。g(グラム)表示にはなりません。
※3:デュアルレンジ:計量値によって、最小表示が変わります。
■オプション
| 品番 |
品名 |
備考 |
| M2VW-02CBJAN |
USBインターフェース(はかり側ミニBタイプ) |
※4※5 |
| M2VW-03CJAN |
RS-232C出力(D-Sub9P) |
※5 |
| M2VW-04CJAN |
コンパレータ・リレー出力/ブザー |
|
| M2W-VW02A |
延長ケーブル(5m) |
|
| M2VW-11CNA |
壁掛け金具 |
|
| M2VW-12CNA |
プリンタ台 |
|
| M2VW-27CJANA |
Bluetooth通信インタフェース |
※5 |
| M2D-8541-PC-JA |
PC接続用Bluetoothドングル |
|
| M2D-8931-JA |
外部表示板(Bluetooth) |
|
| M2W-15 |
表示器スタンド台座部 |
|
| M2W-16-4 |
移動用車輪L4/V4用 |
|
| M2W-18-4 |
ローラコンベアL4/V4用 |
|
| M2X-PP147SN-5R |
内蔵プリンタ用感熱紙 |
|
| M2X-TB294NA |
ACアダプタ(標準タイプ用) |
※6 |
| M2AC-XTB389N |
ACアダプタ(プリンタ内蔵タイプ用) |
※6 |
| M2XP-C3003217DN |
表示部保護ビニールカバー |
※7 |
| M2W-REZERO137A |
フットスイッチ |
|
| M2W-D1612A |
ブザー付きコンパレータライト |
※8 |
※4:PCに接続して使用する場合はメーカーホームページからドライバーをダウンロードして使用してください。市販のUSBケーブルABタイプが別途必要です。
※5:USBインタフェース(M2VW-02CBJAN)、RS-232C出力(M2VW-03CJAN)、Bluetoothオプション(M2VW-27CJANA)は最大2chまで取付ができます。
※6:詳しくは下記ページをご覧ください。
天びん・台はかり用ACアダプタ
※7:別売の接点入力(M2VW-04CJAN)が必要です。動作内容:On・Off / ゼロ・風袋引き / プリント等(はかり本体側の内部設定からいずれかを設定)
※8:リレー出力(M2VW-04CJAN)と、接続ケーブル(別売り)が必要です。
|
運賃、および消費税は、記載価格には、含まれていません。
[トップページに戻る] [注文書] [見積り依頼] TEL 0729-64-8663 FAX 0729-61-4874
営業時間 AM9:00~PM7:00 営業日 月曜日~金曜日 定休日 土曜日 日曜日 祝日