小型3軸加速度振動衝撃ロガー

振動計

業務機器&資材 シロ産業 HOME
新製品情報 在庫処分情報 会社概要
見積依頼 ご注文フォーム お問い合わせ
業務用機材商社一筋で、創業41年。東大阪市商工会議所会員、2005年度IT百選企業。
国公立大学、研究所、自衛隊、警察庁 など主な国公立機関に納入実績多数。医療機器販売業免許取得済

包装資材 包装機械 物流機器 測定機器 洗剤 ケミカル 蛍光灯 季節品-夏 季節品-冬 弱電工具 ホイスト 環境機器 掃除機 ムーブテック 切削工具 機械工具調理厨房機器 研究室用品 安全防犯防災品 エクステリア 新商品 在庫処分


カテゴリー第二分類(測定機器)
測定機器カテゴリー一覧を見る
温度計温湿度計湿度トランスミッター無線温度計無線温湿度計記録温湿度計紙記録温湿度計放射温度計放射温度センサー温湿度監視計器おんどとりデーターロガー防水・防滴温度データロガー耐熱データロガー低温用データロガー超低温用データロガー無線温湿度ロガー圧力データロガーガス濃度データロガー気象計器風速計ハンディ風速計設置型/据置型風速計露点計雨量計気圧計気流可視化装置重量秤防水秤台秤吊秤トラックスケール台車秤ハンドパレットスケール電子天秤検定付重量秤防爆重量秤個数秤農産物選別秤比重計厚さ計膜厚計デジタル距離計レーザーマーカー墨出機トルクゲージノギスマイクロメータシックネスゲージ騒音計照度計色計 光沢計/輝度計 色差計/色彩色差計白色度計紫外線測定器PH水質計水分計濁度計電気伝導率計/導電率計/EC計溶存酸素計(DO計)振動計衝撃計ガス測定器酸素濃度計二酸化炭素濃度計ホルムアルデヒド測定器オゾンガス濃度計ガス漏れ検知器環境測定器ニオイ臭気測定器金属探知器金属検出機食品用金属探知器検針機電気測定器電磁力計ガウスメーター/テスラメーター電磁波 電位計静電気測定器角度計水準器回転計スコヤ圧力計流量計プッシュプルゲージロードセルテンションメーター光学機器拡大鏡顕微鏡ファイバースコープカウンター表示器表示板/表示モニター/表示パネル糖度計屈折計濃度計塩分計酸度計アルコール濃度計健康管理熱中症計枚数計数機器粘度計粉塵計硬度計粗さ計液面計・水面計その他計測器中古測定機器

関連商品一覧


小型3軸加速度振動衝撃ロガー/ 品番 A01-16400 【詳細表示】
商品番号 A01-16400 価 格
振動傾斜監視データーロガー/A01-16400 スタンドアローン型世界最小クラスの3軸加速度ロガーで、本体内部に加速度センサ、バッテリ、メモリを内蔵し、高サンプリングで加速度波形を詳細に記録します。
計測データは専用PCソフトウェアにてデータ表示、テキスト出力が可能です。
小型3軸加速度振動衝撃ロガー
品番 A01-16400
■特長
●幅広い計測レンジ
計測レンジの異なる2つの加速度センサを1つのハードウェアに搭載し、最小2Gから400Gまで広範囲の加速度計測を実現。
最大0.625ms(振動センサ設定時)で加速度波形を詳細に記録

●超小型サイズ
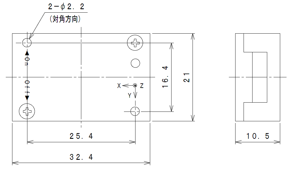
世界最小クラスのサイズ(32.4×21.0×10.5cm)で、これまで設置が難しかった場所での加速度計測が可能


●PCソフトウェア付属
専用ソフトウェアにより、各種設定および計測データの読み込みをPCで行います。計測データはcsv形式でファイル保存することができ、一般的な表計算ソフトなどでデータの加工や解析を行うことができます。
<主な機能>
各種条件設定、計測開始/停止、計測データのダウンロード、csv変換、波形データ閲覧、リアルタイム加速度計測など


●校正サービス(オプション)
 高精度な加速度計測のために、校正サービスを提供します。成績表、トレーサビリティ体系図を発行いたします。


■使用例
●製品評価試験の計測サポート
落下試験、衝撃試験、振動試験などの評価試験の際、供試品に発生する加速度を確認できます
●運動モニタリング
人体やロボットアームの運動を数値化します
●自動車振動計測
自動車走行時に各車載部品に発生する振動波形を計測します
●荷役作業時の環境評価
フォークリフト作業時の衝撃、ベルトコンベアの振動など短期間の計測に適しています


■計測設定


■仕様
品番 A01-16400
加速度範囲(G) 衝撃センサ:±100、200、400 
振動センサ:±2、4、6、8、16
サンプリングレート(ms) 0.625、1.25、2.5、10、20、40、80、160
(0.625msは振動センサのみ)
フレーム長 100~500,000(選択可能)
メモリ容量 4MB フラッシュメモリ(最大500,000データ記録)
計測トリガモード 即時計測、時間トリガ、加速度トリガ、時間&加速度トリガ
電源 充電式リチウムポリマー電池(フル充電まで約60分)
連続駆動時間 最大72時間
(加速度トリガモード、0.625msサンプリング設定、常温環境)
サイズ(mm)/質量(g) 32.4×21.0×10.5㎜ / 15g
ケース素材 アルミニウム(ネジ固定用穴あり)
動作温度範囲 0~60℃(結露なきこと)
専用PCソフトウェア Windows 7/10対応
計測条件設定、データ閲覧/テキスト出力
アクセサリ 通信/充電モジュール、データ通信共通ケーブル


■使用方法
●計測準備
(1)専用ソフトウェア及びドライバをPCにインストールします。ドライバは専用ソフト ウェアをインストールした際のフォルダ内にファイルがあります。
(2)専用ハーネス、通信/充電専用モジュール、マイクロUSBケーブルを介して本体をPCへ接続します。※1
(3)専用ソフトウェア上で、各種計測条件を設定します。

●計測
(4)専用ソフトウェア上の開始ボタンを押した後、本体の電源をONにします。
(5)本体を専用ハーネスから外し、両面テープまたはネジ止めにより本体を計測対象へ固定設置します。
(6)加速度を計測します。

●計測データの取り出し
(7)計測終了後、本体の電源をONにしたまま、2.と同様の手順で本体をPCへ接続し、専用ソフトウェア上の停止ボタンを押します。※2
(8)専用ソフトウェア上で、本体の中のメモリからPCへ計測データを取り込みます。
(9)計測データの取り込みが完了後、本体の電源をOFFにします。

  ① 本体
② 専用ハーネス
③ 通信/充電専用モジュール
④マイクロUSBケーブル
※1:専用ハーネスは、本体側と通信/充電専用モジュール側で接続ピンが異なるので、接続方向に注意して下さい。
※2:計測データの取り込みが完了するまでに本体の電源をOFFにすると、正常なデータの計測及び記録ができなくなる可能性があります。


■寸法図

運賃、および消費税は、記載価格には、含まれていません。

[トップページに戻る] [注文書] [見積り依頼] TEL 0729-64-8663 FAX 0729-61-4874

営業時間 AM9:00~PM7:00 営業日 月曜日~金曜日 定休日 土曜日 日曜日 祝日