■特長 ●起動時ゼロ点調整機能
●見やすい高輝度レッドLED表示、文字高57mm
●ボディ材質はアルミダイカスト
●安全型ロードセル採用
●充電バッテリー2個内蔵
●充電不足通知機能
●最小単位切替機能(目量切替)
●表示値固定機能(表示固定)
●360°回転フック
●リモコン付属

●わかりやすい日本語操作ボタン
本体: ON/OFF, 表示固定, 目量切替, ゼロ/風袋引
リモコン: ON/OFF, 表示固定, 目量切替, ゼロ/風袋引
●専用台車が標準で付属

■タイプ
| M1411JL-Y20T |
M1411JL-Y30T |
M1411JL-Y50T |
 |
 |
 |
■仕様
| 型番 |
M1411JL-Y20T |
M1411JL-Y30T |
M1411JL-Y50T |
| ひょう量 |
20t |
30t |
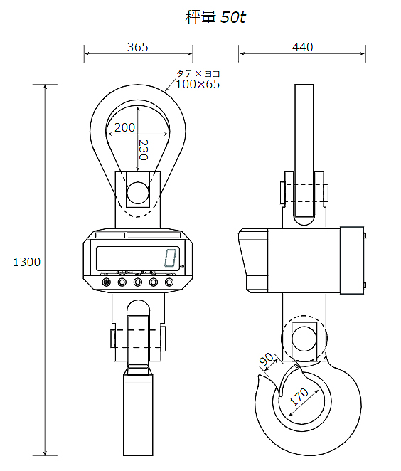
50t |
最小単位
(切替可能) |
5kg 10kg 20kg |
5kg 10kg 20kg |
10kg 20kg 50kg |
| 重 量 |
90kg |
128kg |
204kg |
| 表示方式 |
高輝度レッドLED表示、文字高57mm |
| 電 源 |
内蔵充電バッテリー
(完全密閉式鉛蓄電池12V/7A × 2) |
| バッテリー駆動時間 |
フル充電で約90時間 |
| 操作ボタン |
ゼロ点調整、風袋引き、表示固定、目量切替 |
| 動作温度 |
0℃~40℃、85%RH以下(結露しないこと) |
| ボディー材質/カラー |
アルミダイカスト / ブライトイエロー |
| 付属品 |
リモコン、充電用ACアダプター(14V/1A)、専用台車(CRDJL) |
| 寸法図 |
 |
 |
|