小型パルス風杯型風速計デジタル指示器気象庁検定付

風速計

業務機器&資材 シロ産業 HOME
新製品情報 在庫処分情報 会社概要
見積依頼 ご注文フォーム お問い合わせ
業務用機材商社一筋で、創業41年。東大阪市商工会議所会員、2005年度IT百選企業。
国公立大学、研究所、自衛隊、警察庁 など主な国公立機関に納入実績多数。医療機器販売業免許取得済

包装資材 包装機械 物流機器 測定機器 洗剤 ケミカル 蛍光灯 季節品-夏 季節品-冬 弱電工具 ホイスト 環境機器 掃除機 ムーブテック 切削工具 機械工具調理厨房機器 研究室用品 安全防犯防災品 エクステリア 新商品 在庫処分


カテゴリー第二分類(測定機器)
測定機器カテゴリー一覧を見る
温度計温湿度計湿度トランスミッター無線温度計無線温湿度計記録温湿度計紙記録温湿度計放射温度計放射温度センサー温湿度監視計器おんどとりデーターロガー防水・防滴温度データロガー耐熱データロガー低温用データロガー超低温用データロガー無線温湿度ロガー圧力データロガーガス濃度データロガー気象計器風速計ハンディ風速計設置型/据置型風速計露点計雨量計気圧計気流可視化装置重量秤防水秤台秤吊秤トラックスケール台車秤ハンドパレットスケール電子天秤検定付重量秤防爆重量秤個数秤農産物選別秤比重計厚さ計膜厚計デジタル距離計レーザーマーカー墨出機トルクゲージノギスマイクロメータシックネスゲージ騒音計照度計色計 光沢計/輝度計 色差計/色彩色差計白色度計紫外線測定器PH水質計水分計濁度計電気伝導率計/導電率計/EC計溶存酸素計(DO計)振動計衝撃計ガス測定器酸素濃度計二酸化炭素濃度計ホルムアルデヒド測定器オゾンガス濃度計ガス漏れ検知器環境測定器ニオイ臭気測定器金属探知器金属検出機食品用金属探知器検針機電気測定器電磁力計ガウスメーター/テスラメーター電磁波 電位計静電気測定器角度計水準器回転計スコヤ圧力計流量計プッシュプルゲージロードセルテンションメーター光学機器拡大鏡顕微鏡ファイバースコープカウンター表示器表示板/表示モニター/表示パネル糖度計塩分計酸度計屈折計濃度計アルコール濃度計健康管理熱中症計枚数計数機器粘度計粉塵計硬度計粗さ計液面計・水面計その他計測器中古測定機器

関連商品一覧

小型パルス風杯型風速計デジタル指示器気象庁検定付/品番 M960-SPDK 【詳細表示】
商品番号 M960-SPDK 価 格
小型パルス風杯型風速計デジタル指示器気象庁検定付M960-SPDK 小型風杯型パルス式の発信部とデジタル型指示器の受信部から構成する、微風から強風まで観測する警報付の指示風速計です。
発信部は、風杯の回転を光センサでパルス列の電気信号に変換し、この信号は電源に重畳して受信部へ送出されます。
受信部はこの信号を受信し、瞬間または平均風速から任意の測定モードを選択して、指示及び風速警報検出機能により風の観測を行います。
小型パルス風杯型風速計デジタル指示器気象庁検定付
品番 M960-SPDK
価格は下記をご覧下さい
■特長
●発信器・指示器共に小型軽量の省スペース設計でクレーン車等の移動体に最適です。
●発信器の風速検出器にはパルス方式を採用し、信号取り出しはブラシレス構造として、経年変化や周囲温度の影響に優れています。
●検出部のブラシレス構造や、光センサの採用により、起動風速が1.0m/sと低く、弱風(1.0m/s)から強風(40m/s)まで測定します。
●二線ケーブル(無極性)で長距離伝送が可能。電源はDC12/24Vバッテリーいずれでも使用可。
●警報機能は標準の0~30m/s間任意設定の他に、オプションとして警報設定値・警報解除値をユーザー指定値にて、回路内で固定設定する機能も用意しています。


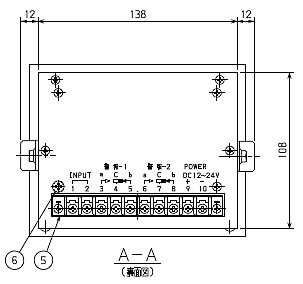
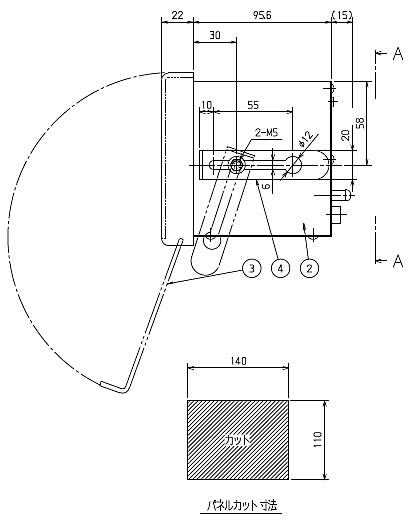
■指示器外観図


番号 名称 個数 材質(規格) 備考
フロントパネル 1 SPCC t0.5  
ボディ 1 SPCC t1.0/t0.6 マンセル値:N1 (レザートーン)
カバー 1 透明アクリル樹脂  
スタンド(取付金具) 2 SUS304  
入出力端子 1 ABS樹脂 結線ビス:M3
アース端子 1 BsP 六角棒 結線ビス:M4



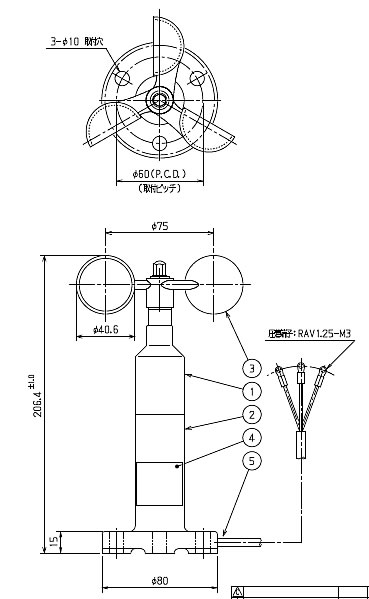
■発信器外観図(風杯保護枠なし)


■スペック
品番 M960-SPDK M960-SPDS
検定 気象庁検定付 社内検定付
発信器 測定範囲 1.0m/s~40m/s
耐風速 84m/s(風杯保護枠なし状態で)
出力信号 二線式(無極性) 電源重量(イミニティー強化)
ケーブル 0.5mm2×2C MVVS L=20m(標準)
延長標準時:回線抵抗100Ωまで無調整で延長化
指定時:指示器側回線調整により0.9φ回線で最大約30km(約1.7kΩまで)
環境条件 -30~+70℃
寸法 φ118×206.5Hmm 重量:約1.5kg(標準ケーブル含む)
指示器 タイプ 屋内用卓上またはパネルマウント型指示風速計(警報付)
測定範囲 1.0m/s~40m/s
精度 10m/s 以下のとき:±1.0m/s 以内
10m/s 超過のとき:±10% 以内
測定モード 瞬間風速⇔平均風速スイッチ切換選択
警報設定 0~30m/s間警報1/警報2(オプション)任意の2設定点
警報1側設定:設定ダイヤルによる任意設定(標準)
警報2側設定:任意の指定値を内部固定設定(オプション選定時のみ)
設定条件:警報2(オプション)選定時は警報1設定は警報2設定値未満であること
警報出力 警報接点形態:無電圧トランスファ接点(×各1点)
警報接点容量:AC250V DC30V・5A(抵抗負荷)
警報表示 内蔵ブザー鳴動:間欠鳴動
警報ランプ点滅(前面操作盤)
電源 DC12~27V(標準)
AC 100V ±10% 50/60Hz(オプション選定時のみ)
オプションAC仕様選定時は、プラグ付電源ケーブル(2m)付属
消費電力 約1W
接続端子 ハーモニカ型端子結線ビス:M3
耐サージ 信号入力部に誘導雷等のサージ保護回路内蔵最大電流耐量:10kV 8/20μs
環境条件 -30~+70℃
98%rh以下(結露しないこと)
寸法 150W×120H×132.6Dmm
重量:約1.3kg
※本風速計の発信器出力は、電源重畳信号ですので発信器単体での使用は出来ません。

運賃、および消費税は、記載価格には、含まれていません。

[トップページに戻る] [注文書] [見積り依頼] TEL 0729-64-8663 FAX 0729-61-4874

営業時間 AM9:00~PM7:00 営業日 月曜日~金曜日 定休日 土曜日 日曜日 祝日