騒音トランスミッター(アナログ出力)

騒音計

業務機器&資材 シロ産業 HOME
新製品情報 在庫処分情報 会社概要
見積依頼 ご注文フォーム お問い合わせ
業務用機材商社一筋で、創業41年。東大阪市商工会議所会員、2005年度IT百選企業。
国公立大学、研究所、自衛隊、警察庁 など主な国公立機関に納入実績多数。医療機器販売業免許取得済

包装資材 包装機械 物流機器 測定機器 洗剤 ケミカル 蛍光灯 季節品-夏 季節品-冬 弱電工具 ホイスト 環境機器 掃除機 ムーブテック 切削工具 機械工具調理厨房機器 研究室用品 安全防犯防災品 エクステリア 新商品 在庫処分


カテゴリー第二分類(測定機器)
測定機器カテゴリー一覧を見る
温度計温湿度計湿度トランスミッター無線温度計無線温湿度計記録温湿度計紙記録温湿度計放射温度計放射温度センサー温湿度監視計器おんどとりデーターロガー防水・防滴温度データロガー耐熱データロガー低温用データロガー超低温用データロガー無線温湿度ロガー圧力データロガーガス濃度データロガー気象計器風速計ハンディ風速計設置型/据置型風速計露点計雨量計気圧計気流可視化装置重量秤防水秤台秤吊秤トラックスケール台車秤ハンドパレットスケール電子天秤検定付重量秤防爆重量秤個数秤農産物選別秤比重計厚さ計膜厚計デジタル距離計レーザーマーカー墨出機トルクゲージノギスマイクロメータシックネスゲージ騒音計照度計色計 光沢計/輝度計 色差計/色彩色差計白色度計紫外線測定器PH水質計水分計濁度計電気伝導率計/導電率計/EC計溶存酸素計(DO計)振動計衝撃計ガス測定器酸素濃度計二酸化炭素濃度計ホルムアルデヒド測定器オゾンガス濃度計ガス漏れ検知器環境測定器ニオイ臭気測定器金属探知器金属検出機食品用金属探知器検針機電気測定器電磁力計ガウスメーター/テスラメーター電磁波 電位計静電気測定器角度計水準器回転計スコヤ圧力計流量計プッシュプルゲージロードセルテンションメーター光学機器拡大鏡顕微鏡ファイバースコープカウンター表示器表示板/表示モニター/表示パネル糖度計屈折計濃度計塩分計酸度計アルコール濃度計健康管理熱中症計枚数計数機器粘度計粉塵計硬度計粗さ計液面計・水面計その他計測器中古測定機器

関連商品一覧


騒音トランスミッター(アナログ出力)/ 品番 MF6NMT-512F 【詳細表示】
商品番号 MF6NMT-512F 価 格
騒音トランスミッター(アナログ出力)
品番 MF6NMT-512F
当製品はさまざまな環境下で、測定対象に合わせた条件で騒音を計測します。
4線設置。接続・設置が簡単
騒音:30~130dB
出力:4~20mA



■特長
・ IEC 61672 Class2 に準拠
・ A 特性と C 特性の 2 種類の測定モードを用意しています
・ FAST と SLOW の2種類のタイムウェイトが選択できます
・ 4-20mA によるアナログ出力


■各部の名称

3-1 電源表示 3-7 スパン調整ボリューム
3-2 オーバーレンジ表示 3-8 マイクロフォンプローブプラグ
3-3 アンダーレンジ表示 3-9 マイクロフォンプローブハンドル
3-4 ゼロ調整ボリューム 3-10 マイクロフォン
3-5 マイクロフォンプローブ用コネクター 3-11 マイクロフォンプローブ用ホルダー
3-6 アナログ出力・電源ケーブル用ケーブ    


■仕様
品番 MF6NMT-512F
適応規格 IEC 61672 Class2(A,C 周波数ウェイト)
測定周波数帯 31.5Hz~8KHz
測定レンジ 30~130dB
精度
(94dB, 23±5℃にて)
31.5Hz ±3.0dB
63Hz ±2.0dB
125Hz ±1.5dB
250Hz ±1.5dB
500Hz ±1.5dB
1KHz ±1.0dB
2KHz ±2.0dB
4KHz ±3.0dB
8KHz ±5.0dB
上記仕様確認テストは電界強度が
3V/M、30MHz 以下に対してのものです。
周波数特性 A/C
動特性 FAST (125ms) SLOW (1S)
測定機能 SPL:騒音(音圧)レベル
マイクロフォン 0.5 インチ コンデンサーマイクロフォン
電源 DC12~24V 20mA
使用環境 0~70℃ 85%RH未満
アナログ出力 4-20mA
インピーダンス 最大 200Ω (DC24V 時)
サイズ/質量 本体:120mm×96mm×43(D)mm
コード長:1.5m
約164g
防水 本体:IP63
マイクロフォンプローブ:IP40
標準付属品 本体、プローブ、取扱説明書(保証書)


■設置
マイクロフォンプローブのプラグ(3-8)と変換器本体のマイクロフォンプローブ用コネクター (3-5)と接続してください。
※注意:防水保護のため、変換器は壁面に対して垂直に固定してください。


■周波数A ウェイト/C ウェイト及びタイムウェイト設定
本体カバーのねじをドライバで外し、ディップスイッチS2(周波数 A ウェイト/C ウェイト) とディップスイッチS3(タイムウェイト)を設定してください。

A:Aウェイト。人の耳の等感度曲線に近似。一般的な騒音の測定に使用します。
C:Cウェイト。周波数測定分析などで用います。 (Cウェイトの表示がAウェイトの値よりも高い場合、低周波数ノイズが大きい ことを意味します。)
FAST:人の聴覚の応答に近似。通常の騒音測定で用います。
SLOW:騒音の振幅の平均レベルを計測するモード。新幹線や飛行機などの環境測 定で用いられます。



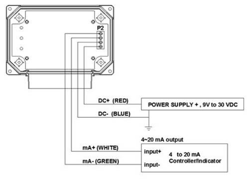
■結線図

(20mA-4mA)/130dB = (電流出力 - 4mA ) /音量(dB)
電流出力(mA) 音量(dB)
7.69 30 dB
11.38 60 dB
15.57 94 dB
16.8 104 dB
20.00 130 dB
※注意:電源ケーブル DC+/DC-と出力ケーブル mA+/mA-を共通で使用しないでください。


■校正
校正には別売の騒音キャリブレータ(94dB)をお使いください。
① 本機を以下のように設定してください。
・周波数ウェイト:A ウェイト
・タイムウェイト:FAST
② キャリブレータの穴の部分にマイクロフォンプローブを慎重に挿入します。
③ キャリブレータのスイッチを ON にしてスパン調節ボリューム(3-7)を調整します。出力値を 15.57mA に調整します。

運賃、および消費税は、記載価格には、含まれていません。

[トップページに戻る] [注文書] [見積り依頼] TEL 0729-64-8663 FAX 0729-61-4874

営業時間 AM9:00~PM7:00 営業日 月曜日~金曜日 定休日 土曜日 日曜日 祝日