超音波風向風速計

風速計

業務機器&資材 シロ産業 HOME
新製品情報 在庫処分情報 会社概要
見積依頼 ご注文フォーム お問い合わせ
業務用機材商社一筋で、創業41年。東大阪市商工会議所会員、2005年度IT百選企業。
国公立大学、研究所、自衛隊、警察庁 など主な国公立機関に納入実績多数。医療機器販売業免許取得済

包装資材 包装機械 物流機器 測定機器 洗剤 ケミカル 蛍光灯 季節品-夏 季節品-冬 弱電工具 ホイスト 環境機器 掃除機 ムーブテック 切削工具 機械工具調理厨房機器 研究室用品 安全防犯防災品 エクステリア 新商品 在庫処分


カテゴリー第二分類(測定機器)
測定機器カテゴリー一覧を見る
温度計温湿度計湿度トランスミッター無線温度計無線温湿度計記録温湿度計紙記録温湿度計放射温度計放射温度センサー温湿度監視計器おんどとりデーターロガー防水・防滴温度データロガー耐熱データロガー低温用データロガー超低温用データロガー無線温湿度ロガー圧力データロガーガス濃度データロガー気象計器風速計ハンディ風速計設置型/据置型風速計露点計雨量計気圧計気流可視化装置重量秤防水秤台秤吊秤トラックスケール台車秤ハンドパレットスケール電子天秤検定付重量秤防爆重量秤個数秤農産物選別秤比重計厚さ計膜厚計デジタル距離計レーザーマーカー墨出機トルクゲージノギスマイクロメータシックネスゲージ騒音計照度計色計 光沢計/輝度計 色差計/色彩色差計白色度計紫外線測定器PH水質計水分計濁度計電気伝導率計/導電率計/EC計溶存酸素計(DO計)振動計衝撃計ガス測定器酸素濃度計二酸化炭素濃度計ホルムアルデヒド測定器オゾンガス濃度計ガス漏れ検知器環境測定器ニオイ臭気測定器金属探知器金属検出機食品用金属探知器検針機電気測定器電磁力計ガウスメーター/テスラメーター電磁波 電位計静電気測定器角度計水準器回転計スコヤ圧力計流量計プッシュプルゲージロードセルテンションメーター光学機器拡大鏡顕微鏡ファイバースコープカウンター表示器表示板/表示モニター/表示パネル糖度計屈折計濃度計塩分計酸度計アルコール濃度計健康管理熱中症計枚数計数機器粘度計粉塵計硬度計粗さ計液面計・水面計その他計測器中古測定機器

関連商品一覧

超音波風向風速計/ 品番 M1145S-22S 【詳細表示】
商品番号 M1145S-22S 価 格
超音波風向風速計M1145S-22S 超音波風向風速計
品番 M1145S-22S
気象庁AMeDAS対応品
微風から超強風90m/sまでの観測可能


■観測目的
●大気拡散観測に、風況観測に
●低層気象及び局地気象観測に
●環境・防災分野の自動気象観測に
●交通機関の安全管理用に


■特徴
●90m/sの風速レンジを持つ超音波式風向風速計です
●ヒーター内蔵型も選択可能で降雪地域にも最適です
●微風から強風域までハイレスポンスでリニアリティの高い測定が可能です
●可動部が無く強風時においても破損の恐れが少なく耐候性に優れています


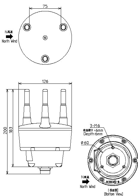
■外形図


■仕様
品番 M1145S-22S
測定方式 時分割送受切替型超音波パルス方式
演算方法 超音波伝搬時間逆数差演算方式
測定範囲 0-90 m/s (風速)
0–360°(風向)
精度 ±0.2m/s又は±3%RD (風速)
±3゚(風向)
出力分解能 0.01m/s (風速)
0.1゚(風向)
出力間隔 4回/秒、10回/秒
デジタル出力 RS-422
出力要素 瞬間風速(Ui)
瞬間風向(θi)
瞬間成分風速(Xi)
瞬間成分風速(Yi)
平均風速(Um)
平均風向(θm)
平均成分風速(Xm)
平均成分風速(Ym)
主材量 アルミダイキャスト
塗装色
使用温度範囲 -40~+60℃
使用湿度範囲 10~100%RH
電源 DC9V~36V
消費電力 6W
重量 約1kg
付属ソフト 表示・設定用アプリケーションソフト
付属品 表示設定ソフトウエア
鳥避け金具
オプション 接続ケーブル
ポール取付金具
電源信号変換器
デジタル出力詳細
通信速度 19200bps
データ長 8bit
パリティー 無し
ストップビット 1bit
出力形式 ASCII
出力要素 CSV形式
オプション ヒータ付き/気象庁検定
・記載内容は、予告なく変更することがありますのでご了承下さい。

運賃、および消費税は、記載価格には、含まれていません。

[トップページに戻る] [注文書] [見積り依頼] TEL 0729-64-8663 FAX 0729-61-4874

営業時間 AM9:00~PM7:00 営業日 月曜日~金曜日 定休日 土曜日 日曜日 祝日