防爆デジタル風速計(本体のみ)
風速計
業務用機材商社一筋で、創業41年。東大阪市商工会議所会員、2005年度IT百選企業。
国公立大学、研究所、自衛隊、警察庁 など主な国公立機関に納入実績多数。医療機器販売業免許取得済
■包装資材 ■包装機械 ■物流機器 ■測定機器 ■洗剤 ■ケミカル ■蛍光灯 ■季節品-夏 ■季節品-冬 ■弱電工具 ■ホイスト ■環境機器 ■掃除機 ■ムーブテック ■切削工具 ■機械工具■調理厨房機器 ■研究室用品 ■安全防犯防災品 ■エクステリア ■新商品 ■在庫処分
測定機器カテゴリー一覧を見る
| 防爆デジタル風速計(本体のみ)/品番 M261HON-EXS |
【詳細表示】 |
| 商品番号 |
M261HON-EXS |
価 格 |
 |
防爆デジタル風速計(本体のみ)
品番 M261HON-EXS
|
第1種危険場所で使用可能なデータロガー式風速計です。

■特長
●幅広い計測範囲
・0~200m/sまで計測(サーマル式センサ使用)
・-40~500℃環境での計測(ベーン式センサ使用)
●耐環境性
・ヴォルテックス式センサセンサを使用して粉塵・ミスとを含む環境での計測
・腐食性ガス、科学物質に対する優れた耐久性
●防爆機能
・防爆エリアでの使用が可能(ATEX対応)
●データロギング機能
・40,000点の計測データの保存とPC出力
・操作性に優れた大型LCDとタッチキー
■外形寸法

■主な仕様
| 計測項目 |
風速/流速/流量
温度
アナログ信号センサ入力システム |
| 入力センサと信号 |
べーン式風速センサ
ヴォルテックス式風速センサ
サーマル風速センサ
Pt100:温度センサ
アナログ信号入力:4-20mA/0-10VDC |
| 計測単位 |
m/s、m3/h、l/min、l/s、kg/h、min、fpm、cfm
℃、°F
hPa、%RH、mA… |
| 出力信号 |
USBインタフェイスデータロガデータPC転送用 |
| 接続方式 |
DINプラグコネクタ |
| 電源 |
安全エリア:単3×4個アルカリ乾電池または充電池またはACアダプタ
防爆エリア:DURACELL Simply MN1500 AA LR6 1.5V |
| タッチキー方式 |
キーパッド、ハイコントラストLCD |
| ハウジング |
プラスチック(ABS樹脂) |
| 外形寸法(W×H×L) |
96×42×197mm |
| 重量 |
約520g |
| 保護等級 |
IP65:センサ装着時またはコネクタキャップ使用時 |
| 使用温度範囲 |
-10℃~+50℃ |
| 計測方式 |
マニュアル方式
長時間自動計測方式
平均値、最大値、最大値メモリ機能 |
| データロガ機能 |
約40,000データ保存
AUTOメモリ機能 |
| 防爆規格 |
ATEX 対応
タイプib 防爆構造:本質安全防爆
II 2G Ex ib IIC T4 Gb
※1 種危険場所で使用可能です。
防爆に関する基礎知識.pdf |
■オプション
●データー取り込みソフトケーブルセット
・ソフトウェアは「M261HON-NTS」に保存されたデータをPCに取り込むことができます。
・計測データはテーブルやグラフ表示にすることができます。また「XLS」や「CSV」方式にて保存することもできます。
・M261HON-NTSにはPC接続用のUSBインタフェイスが装備されています。
・言語は日本語、英語、ドイツ語になります。
| 品番 |
品名 |
| M261-HLOG2S |
データー取り込みソフトケーブルセット |
■各種風速センサー(サーマル式、ベーン式、ヴォルテックス式) 各種風速センサーを取り揃えております。
センサーは交換式です。用途に合ったセンサーをお選びください。
■サーマル式
●クリーンルーム等の微風速・ラミナーフローからコンプレッサーの圧縮空気まで計測可能
●風速計測域:0~200m/s、温度計測域:-10~140℃の環境で計測可能
●医薬品製造・半導体産業の生産工程での流速・ラミナーフロー計測、各種コンプレサーエアー、エアーナイフ等の流速計測
■ベーン式
●高温度環境での気体の流速計測
●使用可能温度:-40~500℃の環境で計測可能
●水や液体、燃料等の流速、流量、計測が可能。排気ガス、バイオガス、腐食性ガス等の流速計測
■ヴォルテックス式
●排気ガス・ダスト・結露雰囲気等での計測、腐食性ガスの流速計測に。
●使用可能温度-20~240℃の環境で計測可能。
●粉塵(繊維や埃)雰囲気での風速計測や、高湿度、結露環境での計測、水蒸気などを含んだガスでも計測が可能です。
<サーマル式> ※オプションについてはセンサー詳細ページにてご確認ください。 ■計測原理

一定温度に熱せられたヒータ素子が風速の影響により変化した熱量を測定することにより流速を演算します。
M261A10プローブは薄膜フィルムセンサー素子を使用しています。薄膜センサはニッケル抵抗温度計とニッケル抵抗ヒータで構成されています。M261A10薄膜フィルムセンサ素子の時定数(t95)は約5m/sの標準の空気速度に対して約1秒です。
サーマル式風速センサーは低風速域だけでなく高風速域・高温環境でも計測が可能です。
■外形寸法

■仕様
| 風速計測範囲 |
0~200m/s(センサ仕様による) |
| 精度 |
(0.2~40m/s):±2%mv. +0.02m/s
(40m/s以上):±2.5%m.v.(m.v.:指示値) |
| 使用温度範囲 |
-10~+140℃ |
| 計測可能圧力 |
16,000hps(最大) |
| 標準センサ外形 |
φ10×285mm |
| ケーブル長 |
3m |
| EMC対応 |
IEC1000-4,EN50081,EN6100 |
| 保護等級 |
IP68 |
| コネクタ |
IP65 |

■仕様
| 品番 |
計測範囲 |
温度計測域 |
防爆仕様 |
| M261A10-285GE-30-140P16SEX |
0~30m/s |
-10℃~140℃ |
EX ib IIC T4
(Zone 1) |
| M261A10-285GE60-140P16SEX |
0~60m/s |
| M261A10-285GE-150-140P16SEX |
0~150m/s |
| M261A10-285GE-200-140P16SEX |
0~200m/s |
| M261A10-385GE-30-140P16SEX |
0~30m/s |
| M261A10-385GE-60-140P16SEX |
0~60m/s |
| M261A10-385GE-150-140P16SEX |
0~150m/s |
| M261A10-385GE-200-140P16SEX |
0~200m/s |
| M261A10-685GE-30-140P16SEX |
0~30m/s |
| M261A10-685GE-60-140P16SEX |
0~60m/s |
| M261A10-685GE-150-140P16SEX |
0~150m/s |
| M261A10-685GE-200-140P16SEX |
0~200m/s |
<べーン式> ※オプションについてはセンサー詳細ページにてご確認ください。
■計測原理

流体の速度に比例したスピードで回転する回転翼の回転数を近接スイッチでカウントし流速を演算します。回転翼は00.3~0.7gで制作され、微弱な風速にも対応します。
軸受け等も、摩擦の影響を極力排除した特殊なシステムにより作製されています。気体だけでなく、水の流速の計測も可能です。
■共通仕様
| 計測精度 |
<1.5% F.S |
| サンプリング周期 |
約1秒 |
| 接続ケーブル |
標準センサ3m(コネクタ付ケーブル)
耐熱仕様:-10~+140℃ |
| コネクタ |
plug423-5(保護等級IP67) |
| EMC対応 |
IEC1000-4、EN 50081、EN6100 |
| 保護等級 |
センサIP68
ケーブルコネクタ:IP65 |
*F.S:計測範囲
■外形寸法
| M261ZS25、M261ZS30シリーズ |
 |
 |
| 品番 |
材質 |
A |
B |
C |
D |
| M261ZS25G(F)Aシリーズ |
アルミニウム |
16.2 |
13.4 |
60 |
170 |
| M261ZS25G(F)Eシリーズ |
ステンレス |
| M261ZS25G(F)Tシリーズ |
チタン |
| M261ZS30GAシリーズ |
アルミニウム |
24.0 |
18.0 |
90 |
170 |
| M261ZS30GEシリーズ |
ステンレス |
| M261ZS30GTシリーズ |
チタン |
※1:回転翼はチタン製
※2:液体計測範囲・気体計測範囲は気体計測センサと同様
※ステンレス:(Stainless steel 1.4571、1.4305 : SUS 316相当)
■仕様
| 品番 |
センサ形状
(mm) |
流速
計測範囲
(m/s) |
使用
温度範囲
(℃) |
| M261ZS25GA-mn20-140-p6-Ex |
φ25×170 |
0.3~20 |
-20~+125 |
| M261ZS25GA-mn40-140-p6-Ex |
0.4~40 |
| M261ZS25GA-mn120-140-p6-Ex |
1.2~120 |
| M261ZS25GE-mn20-100-p10-Ex |
0.4~20 |
-20~+100 |
| M261ZS25GE-mn40-100-p10-Ex |
0.5~40 |
| M261ZS25GE-mn120-100-p10-Ex |
1.4~120 |
| M261ZS25GE-mn20-2602-p10-Ex |
0.4~20 |
-40~+260 |
| M261ZS25GE-mn40-2602-p10-Ex |
0.5~40 |
| M261ZS25GE-mn120-2602-p10-Ex |
1.4~120 |
| M261ZS25GE-mn20-3702-p0-Ex |
0.4~20 |
-40~+370 |
| M261ZS25GE-mn40-3702-p0-Ex |
0.5~40 |
| M261ZS25GE-mn120-3702-p0-Ex |
1.4~120 |
| M261ZS25GE-mn20-5002-p0-Ex |
0.4~20 |
-40~+500 |
| M261ZS25GE-mn40-5002-p0-Ex |
0.5~40 |
| M261ZS25GE-mn120-5002-p0-Ex |
1.4~120 |
| M261ZS25GT-mn20-100-p10-Ex |
0.3~20 |
-20~+100 |
| M261ZS25GT-mn40-100-p10-Ex |
0.4~40 |
| M261ZS25GT-mn120-100-p10-Ex |
1.2~120 |
| M261ZS30GA-md20-140-p6-Ex |
φ30×170 |
0.2~20 |
-20~+125 |
| M261ZS30GE-md20T-100-p10-Ex |
0.3~20 |
-20~+100 |
| M261ZS30GE-md20T-260-p10-Ex |
-40~+260 |
| M261ZS30GT-md20-100-p10-Ex |
-20~+100 |
| M261ZS30GT-md20-2402-p10-Ex |
-40~+240 |
| 気体液体測定用 |
|
| M261ZS25GFA-mn20-140-p6-Ex |
φ25×170 |
0.03~7.5 |
-20~+125 |
| M261ZS25GFE-mn20-100-p10-Ex |
0.04~7.5 |
-40~+100 |
| M261ZS25GFE-mn40-2602-p10-Ex |
0.05~10 |
-40~+260 |
| M261ZS25GFE-mn40-3502-p10-Ex |
-40~+350 |
| 温風測対応 |
|
| M261FT25GA-mn40-140-p32m-ZG1-Ex |
φ25×170 |
0.4~40m/s |
-40~+100 |
| M261FT25GE-mn40-2602-p62m-ZG1-Ex |
0.5~40m/s |
-40~+260 |
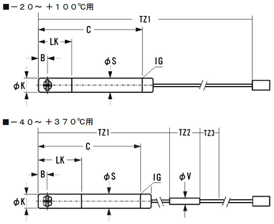
■外形寸法

| 品番 |
材質 |
φK |
φS |
φV |
B |
LK |
C |
IG |
| M261ZS16GFA |
アルミニウム |
16 |
16 |
- |
10.65 |
53 |
136 |
M14×1.5 |
| M261ZS16GFE |
ステンレス |
16 |
16 |
- |
11 |
65 |
163 |
M14×1.5 |
| M261ZS16GE |
ステンレス |
16 |
16 |
9.35 |
11 |
65 |
163 |
M14×1.5 |
■仕様
| 品番 |
流速計測範囲
(m/s) |
使用温度範囲
(℃) |
| M261ZS16GFA-mc40-100-p32m-ZG1-Ex |
0.6~40 |
-20~+100 |
| M261ZS16GFE-mc40-260-p62m-ZG1-Ex |
1.0~40 |
-40~+260 |
| M261ZS16GE-mc40-370-p62m-ZG1-Ex |
-40~+370 |
※ステンレス:(Stainless steel 1.4571、1.4305 : SUS 316相当)
<ヴォルテックス式>
■計測原理

カルマン渦の原理を基としています。
流体がセンサ内を通過するときに、内部のロッドが障害となり、渦を発生させます。
ヴォルテックスセンサーに内蔵された超音波センサでこの渦をカウントすることにより流速を演算します。
また、ヴォルテックス式センサは検知部に稼働部品やヒータ等の電気部品を使用していないため、センサ損傷を受けたり、経時変化による劣化はありません。
■外形寸法

■仕様
| 風速計測範囲 |
0~20m/s(センサ仕様による) |
| 精度 |
±1.0%mv. +0.03m/s |
| 使用温度範囲 |
-25~+200℃ |
| 標準センサ外形 |
φ42×300mm |
| ケーブル長 |
3m |
| EMC対応 |
IEC1000-4,EN50081,EN6100 |
| 保護等級 |
IP68 |
| コネクタ |
IP65 |
| 品番 |
計測範囲
(m/s) |
温度範囲
(℃) |
挿入長
(mm) |
| M261VA40-42GE-40-100-P3-ZG2-Ex |
0.5~40 |
-20~100 |
300 |
| M261VA40-42GE-40-1802-P3-ZG2-Ex |
-20~180 |
| M261VA40-42GE-40-2402-P3-ZG2-Ex |
-20~240 |
|
運賃、および消費税は、記載価格には、含まれていません。
[トップページに戻る] [注文書] [見積り依頼] TEL 0729-64-8663 FAX 0729-61-4874
営業時間 AM9:00~PM7:00 営業日 月曜日~金曜日 定休日 土曜日 日曜日 祝日